
电工学习网:www.diangon.com
技术驱动未来,关注电工学习网官方微信公众号“电工电气学习”,收获更多经验知识。

图1
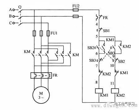
图1是三相电机正反转电路图。QS为断路器,KM1正转接触器,KM2反转接触器,FR热继电器,SB1停止按钮,SB2正转启动按钮,SB3反转启动按钮。

图2
如图2所示,如果给带电部分标成红色,没合断路器QS之前,只有断路器上火带电。

图3
图3,合上QS,图中控制回路部分可以看出,SB2、KM1、SB3、KM2常开点都为断开状态,无论正转还是反转接触器线圈都不得电,所以电机停止状态。

图4
图4,按下正转启动按钮SB2,KM1线圈得电吸合。KM1主触点闭合,电机正转。

图5
图5,松开SB2,但由于KM1常开辅助触点闭合,KM1接触器自锁,所以,电机保持正转。

图6
图6,这个时候,如果按下反转启动SB3,由于KM1常闭点断开,KM2仍不能得电吸合,这里的KM1常闭点即为互锁点。

图7
图7,按下停止按钮SB1,常闭点断开,接触器释放,电机停止。

图8
图8,按下反转启动按钮SB3,KM2吸合,电机反转。

图9
图9,如果电机堵转或其他原因造成热继电器FR动作,FR常闭点断开,无论正转还是反转接触器,都将释放,电机停止。
电机正反转自锁互锁原理和电路图
电机正反转自锁互锁原理如下图所示,图中SB2和SB3均为复合按钮,合上电源开关Q,按下起动按钮SB2,其常闭触点SB2断开,使接触器KM2不得电;常开触点SB2接通,使接触器KM1得电吸合并自锁,其主触点闭合,接通电源,电动机正向起动运转。这时KM1的常闭触点KM1断开,进一步保证KM2不得电。

当需要电动机反转时,按下反向按钮SB3,其常开触点SB3断开,使接触器KM1断电释放,主触点断开,切除了电动机的电源,电动机断电而慢慢停止,同时SB3的常开触点闭合,又由于KM1的常闭辅助触点恢复闭合,使得接触器KM2得电吸合并自锁,其主触点闭合,将电动机的两相电源对调,电动机反向转动。这时KM2的常闭触点断开,确保KM1断电。如果要电动机停止,只需要按下停止按钮SB1即可。
▼推荐阅读:电机正反转加时间继电器控制电路原理图解,请点击下面“阅读原文”
3304

被折叠的 条评论
为什么被折叠?



