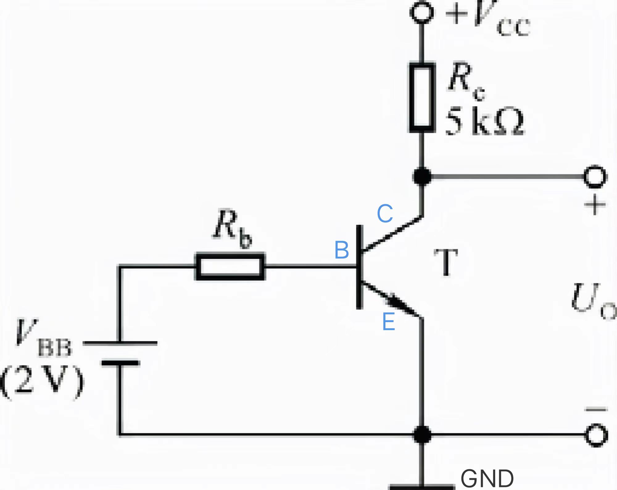
70、下图所示电路,已知
V
cc
=15V
,
β
=100
,
U
BE
=0.7V
。请问:
(1)
R
b
=50K
Ω
时,
u
o
=
?
(2)若 T 临界饱和,则
R
b
=?

(1)若Rb=50KΩ时,
Ib=(VBB-UBE)/Rb=(2V-0.7V)/50K=0.026mA,
Ic=
βIb
=100×0.026mA=2.6mA,
U
o
=U
CE
=Vcc-Ic*Rc=15-13=2V
(2)临界饱和时 ,
Uce=Ube=0.7V,
Ic=14.3V/5K=2.86mA,
Ib=0.0286mA,
Rb=1.3V/0.0286mA=45.45K
Ω
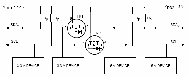
71
、请问下图电路的作用是什么?

该电路实现
IIC
信号的电平转换(
3.3V
和
5V
电平转换),并且是双向通信。上下两路是一样的,只分析
SDA
一路:
1
)
从左到右通信(
SDA2
为输入状态):
SDA1
为
3.3V
高电平时,
Vgs=0
,
NMOS
管截止,
SDA2
被电阻
Rp
拉高到
5V
。
SDA1
为低电平
0V
时,
Vgs=3.3V
,
NMOS
管导通,
SDA2
为低电平。
2
)
从右到左通信(
SDA1
为输入状态):
SDA2
为5V高电平时,
Vgs=0(S
极被
Rp
拉高至
3.3V
),
NMOS
管截止,
SDA1 为 高电平
3.3V
。
SDA2
为低电平
0V
时,
NMOS
管内部的二极管导通,
S
极被拉低到零点几伏,
Vgs
为高电平,NMOS 管导通,从而
SDA2
将
S
极电压拉得更低,直至
0V
,
SDA1
为低电平
0V
。
72、电路如下图所示。已知
u
S
(
t
)
=
10 2 cos
ω
t (V),求:
(1)频率
ω
为何值时,电路发生谐振?电路的品质因数 Q 是多少?
(2)电路谐振时, UL 和 UC 的有效值是多少?

(
1
) 电路发生谐振时,
j
ω
L=1/
(
j
ω
C
),

电路的品质因数

(2)电路谐振时,
![]()
73
、如果一个
BGA
封装的
CPU
芯片焊接到
PCB 上后,因为焊接不良的原因导致某些信号开路,并且某些信号与旁边的信号短路,请问如何定位这两种故障,把开路和短路的信号找出来?
因为一般
IC
的
IO 端口都包含了类似下图所示的保护二极管电路,所以可以用数字万用表的二极管档来判断端口特性。
测试方法是:正极接地,负极接需要测试的信号焊盘。
如果
PCB 焊盘开路,则万用表跟什么都没连接一样,读数没有任何变化,万用表显示为“
1”。
如果有两个以上的信号短接在一起,则万用表的读数会比测量正常的信号的读数偏小,因为有两个以上的保护二极管电路并联到一起了。

74
、请简述一下动圈式扬声器(喇叭)的工作原理,并画出动圈式扬声器的结构图。
工作原理:动圈式扬声器是利用电流在磁场中受到磁场力作用的原理制成的。如下图所示,绕在纸盆上的导线构成的线圈处于同心圆盘形(截面是
E 形)磁铁的磁场中,放大器送出的音频电流通过线圈,纸盆在磁铁的磁场驱动下就振动起来,纸盘上的鼓膜产生音频的振动,从而使鼓膜周围的空气振动起来而产生声音。

75
、为何有源压电式蜂鸣器只需要接上额定直流电压即可发声?这种蜂鸣器可以接音频输出信号作为普通喇叭用吗,为什么?
有源压电式蜂鸣器内部有振荡电路(由晶体管或集成电路组成)和驱动电路,所以只需提供直流电源即可发声。
又因
为有源压电式蜂鸣器内
部振荡电路的振荡频率是固定的,所以只能发出一种声音,不能用于普通喇叭电路。
76
、如下左图是有源电磁式蜂鸣器的驱动电路,右图是有源压电式蜂鸣器的驱动电路。请问为什么左图需要二极管而右图不需
要,左图二极管的作用是什么?
左图因为电磁式蜂鸣器内部有线圈,在三极管关断的瞬间,线圈会产生一个反向的电动势(图中方向是下正上负),二极管的作 用是给线圈提供一个电流的泄放通路,不至于对三极管造成损害。
右图因为压电式蜂鸣器是靠压电陶瓷片的振动发声,内部没 有线圈等感性原件,所以不需要放电二极管。
77
、请解释一下什么是
Setup-Time
和
Hold-Time
,什么是
Setup-Time
裕量和
Hold-Time
裕量。
Setup-Time
和
Hold-Time
是芯片对输入信号和参考时钟信号之间的时间要求。
Setup-Time 是指参考时钟沿到来之前输入信号保持稳定不变的时间,
Hold-Time
是指参考时钟沿过后输入信号保持稳定不变的时间。
如果信号的
Setup-Time
和 Hold-Time不满足要求,输入信号将不能打入触发器。
如果输入信号在参考时钟沿前后稳定的时间均超过
Setup-Time
和
Hold-Time,那么超过量就分别被称为
Setup-Time
裕量和
Hold-Time
裕量。
如下图,
tsu
为
Setup-Time
,
th
为
Hold-Time
:

78
、请用
D 触发器画一个二分频电路。

79
、下图是一个传输线串联匹配的模型,假设驱动端
A
的输出阻抗
R0
为
10~20 欧姆(输出高电平和输出低电平时输出阻抗不一样),传输线特征阻抗
Z0
等于
50
欧姆,请问串联匹配电阻
RTs
应该如何取值?

RTs
=
Z0-R0
,所以
RTs
取
30~40
欧姆,可以取标称值
33 欧姆。
1万+

被折叠的 条评论
为什么被折叠?



