下巴的头发
码龄5年
关注
提问 私信
  • 博客:139,679
    139,679
    总访问量
  • 80
    原创
  • 1,595,948
    排名
  • 19
    粉丝
  • 0
    铁粉

个人简介:新的起步,走不一样的道路。

IP属地以运营商信息为准,境内显示到省(区、市),境外显示到国家(地区)
IP 属地:广东省
  • 加入CSDN时间: 2020-04-23
博客简介:

weixin_42512699的博客

查看详细资料
个人成就
  • 获得14次点赞
  • 内容获得0次评论
  • 获得125次收藏
创作历程
  • 1篇
    2024年
  • 145篇
    2021年
  • 14篇
    2020年
成就勋章
创作活动更多

AI大模型如何赋能电商行业,引领变革?

如何使用AI技术实现购物推荐、会员分类、商品定价等方面的创新应用?如何运用AI技术提高电商平台的销售效率和用户体验呢?欢迎分享您的看法

186人参与 去创作
  • 最近
  • 文章
  • 代码仓
  • 资源
  • 问答
  • 帖子
  • 视频
  • 课程
  • 关注/订阅/互动
  • 收藏
搜TA的内容
搜索 取消

嵌入式分享合集23

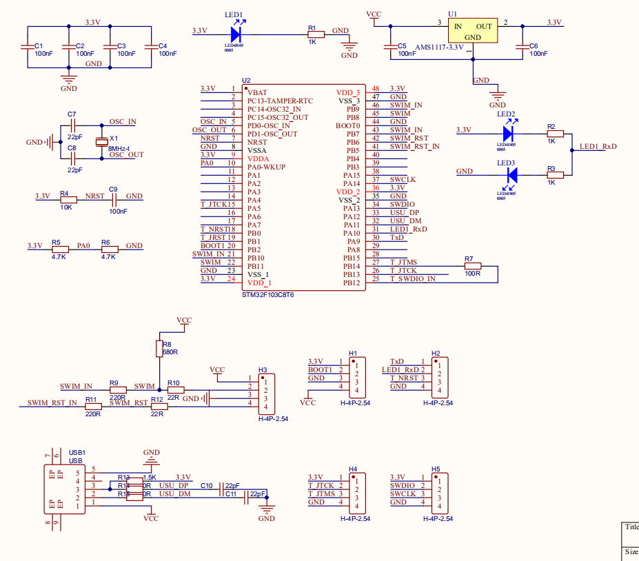
哈哈 每天听公司里的俩只水货(专业c++,但都是windows开发的)胡扯也烦了 , c++在win上做页面一样是脑残,go竟然难道了俩个胡说8道的智障, 还是看看嵌入式把一、自制STM32下载器原理图 STLINK-V2下载器电路原理图如下。 上图中,H5接口是固件下载口。H4接口是STLINK-V2下载口(...
转载
发布博客 2024.07.24 ·
63 阅读 ·
0 点赞 ·
0 评论 ·
0 收藏

华为手机怎么修改dns服务器,手机修改域名服务器ip地址吗

手机修改域名服务器ip地址吗 内容精选换一换安装依赖时,使用pip3.7.5 install xxx命令安装相关软件时提示无法连接网络,且提示“Could not find a version that satisfies the requirement xxx",提示信息如下所示。没有配置pip源。配置pip源,配置方法如下:如果提示目录不存在,则执行如下命令创建:在.pip目录安装依赖时,使用...
转载
发布博客 2021.08.11 ·
1503 阅读 ·
0 点赞 ·
0 评论 ·
0 收藏

ssh接受ajax对象集合,使用SSH框架查出的实体集合用AJAX形式刷新到页面JOSONArray报异常...

所报异常:net.sf.json.JSONException: java.lang.reflect.InvocationTargetException问题根源:数据库中查出的日期是java.sql.Date类型,在用JSONArray.fromobject()是转换日期格式错误,JSONArray的转换日期默认是java.util.Date形式解决办法:List list = new ArrayL...
转载
发布博客 2021.08.06 ·
238 阅读 ·
0 点赞 ·
0 评论 ·
0 收藏

微信公众号生成文本到服务器,【公众号开发】人工智能让我们的公众号活起来...

开发之前在之前的分享中,我们已经完成了公众号的基本框架的搭建,也完成了基于NLP知识的图文检索功能,可以说之前的内容都是原生开发,无论是公众号基础能力建设还是图文检索能力,本章分享,将会在之前的基础上,通过云服务商为我们提供的AI能力,将智能聊天接入其中。首先假设一个场景:用户关注这个公众号之后,他给公众号发送文本消息,我们首先进行图文检索,如果没找到合适的结果,我们就默认进入“聊天功能”;如果用...
转载
发布博客 2021.08.06 ·
374 阅读 ·
0 点赞 ·
0 评论 ·
0 收藏

es文件创建局域网服务器,es文件浏览器局域网连接win10电脑怎么设置

ES 文件浏览器是一款手机文件、程序进程管理器多功能软件。该软件可以在手机、电脑、远程和蓝牙间浏览管理文件,可以说是相当方便的操作,那么es文件浏览器局域网连接win10电脑怎么设置呢?许多用户都不知道给如何操作,对此,小编就来教大家具体的操作步骤吧。具体方法:1、首先在手机打开ES文件浏览器,在主界面的中间先点击 “ 工具 ” 下方的 “ 电脑管理手机 ” 功能。2、进入远程管理界面后ES将会自...
转载
发布博客 2021.08.03 ·
6371 阅读 ·
0 点赞 ·
0 评论 ·
1 收藏

计算机蓝屏幕亮度,电脑屏幕亮度怎么调,电脑屏幕亮度调节方法

您可能感兴趣的话题:电脑屏幕亮度怎么调核心提示:本教程为大家介绍几种调节电脑屏幕亮度的操作方法。电脑屏幕亮度怎么调,我们一起来跟随本文学习一下吧。怎样调节笔记本屏幕亮度如果您的电脑是笔记本一般可以通过笔记本键盘组合键实现调节,首先您要看一下键盘上的fn键和那两个亮度的标志(标志就像一个太阳,向上调亮,向下调暗)在那位置才行,一般的手提的这两个标志均设计在F1-F12上,您认真看一下就可以找到了,然...
转载
发布博客 2021.07.30 ·
455 阅读 ·
0 点赞 ·
0 评论 ·
0 收藏

商务计算机比赛,湖南商务职业技术学院获全国职业院校技能大赛“计算机网络应用”赛项二等奖...

中国教育在线讯6月4日,2018年全国职业院校技能大赛 “计算机网络应用”赛项在吉林电子信息职院落下帷幕。来自全国86支参赛队258名优秀选手经过层层选拔决战吉林,由湖南商务职业技术学院计算机网络技术专业苏命峰、谢林勇两位指导教师,15计网1班蒋演,15计网2班丁嘉俊、16计网2班邓祥三位学生组成的代表队经过紧张而激烈的角逐,最终以稳定的心理素质、精湛的专业水平、良好的合作精神喜获团体二等奖,这是...
转载
发布博客 2021.07.28 ·
237 阅读 ·
0 点赞 ·
0 评论 ·
0 收藏

非正常关闭计算机的危害为___,深入探讨非正常关机对电脑的危害

电脑对我们的意义,大家都是可想而知的。现在工作学习生活不管什么都是离不开电脑的。可见电脑的重要性。今天就跟大家深入探讨一下非正常关机对电脑的危害,以及如何减少非正常关机的情况。首先说一下什么是非正常的关机。一般非正常关机指的就是电脑在运行的过成中突然停止工作。导致非正常关机的原因比如:突然停电,硬件质量不达标,电压不稳等。别看一次小小的非正常关机,如果出现的次数多了,肯定对我们的电脑损害是巨大的。...
转载
发布博客 2021.07.26 ·
1177 阅读 ·
1 点赞 ·
0 评论 ·
1 收藏

在计算机课上可以联机的游戏,【游戏】一个可以在电脑课上玩的游戏~就算老师看见也不会PIA你哦~...

该楼层疑似违规已被系统折叠隐藏此楼查看此楼一个不会被老师发现是游戏的游戏~~~~~用PASCAL编出来的哦...可能很垃圾....因为...不说了!以下内容请用TURBOPASCAL4.0以上版本打开varplife,plifemax,patt,pre:integer;gr,ex,exmax:integer;alife,alife1,aatt,are:integer;name,fname:s...
转载
发布博客 2021.07.20 ·
159 阅读 ·
0 点赞 ·
0 评论 ·
0 收藏

信息技术是伴随着计算机技术,英语翻译[摘要] 随着以计算机技术、通信技术、网络技术为代表的现代信息技术的飞速发展,人类社会正在从工业时代阔步迈向信息...

问题描述:英语翻译[摘要] 随着以计算机技术、通信技术、网络技术为代表的现代信息技术的飞速发展,人类社会正在从工业时代阔步迈向信息时代,人们越来越重视信息技术对传统产业的改造以及对信息资源的开发和利用,一个国家、一个地区信息化水平的高低已成为衡量其现代化水平和综合国力的重要标志.在过去40年里,MIS对于企业完善管理、提高生产率和工作效率起到了一定的作用,随着信息时代的到来,MIS将对我国的经济发...
转载
发布博客 2021.07.09 ·
479 阅读 ·
0 点赞 ·
0 评论 ·
0 收藏

win7计算机远程桌面连接,教您win7远程桌面连接

远程桌面指的是网络上由一台客户端远距离去控制服务端,一般内网的应用比较多。在Win7系统中,也有远程桌面连接这个功能。那么怎么设置win7的远程桌面连接呢?下面,小编就给大家讲解win10远程桌面连接的使用。win7还不懂的用户可以看看。可能大家都知道在xp下连接远程的操作方法,但是在win7下如何连接远程桌面呢?win7远程桌面设置分为win7连想非win7的远程桌面与和win连向win7系统两...
转载
发布博客 2021.07.08 ·
759 阅读 ·
0 点赞 ·
0 评论 ·
1 收藏

东北大学计算机网络线下作业吧B,[东北大学]20年9月补考《数字电子技术基础X》考核作业(答案)...

东 北 大 学 继 续 教 育 学 院数字电子技术基础 X 试 卷(作业考核 线上2)B卷(共6页)总分 题号 一 二 三 四 五 六 七 八 九 十得分一、更多答案下载:。在备选答案中选出一个正确答案,并将所选答题填入下表。...
转载
发布博客 2021.07.08 ·
700 阅读 ·
0 点赞 ·
0 评论 ·
1 收藏

旧计算机 云桌面,旧服务器搭建云桌面

弹性云服务器 ECS弹性云服务器(Elastic Cloud Server)是一种可随时自助获取、可弹性伸缩的云服务器,帮助用户打造可靠、安全、灵活、高效的应用环境,确保服务持久稳定运行,提升运维效率三年低至5折,多种配置可选了解详情无法登录到Windows云服务器怎么办?||https://support.huaweicloud.com/ecs_faq/zh-cn_topic_001807321...
转载
发布博客 2021.07.05 ·
632 阅读 ·
0 点赞 ·
0 评论 ·
0 收藏

计算机开机时英语提示音,计算机在开机时会发出嘀嘀的提示音,是从哪发出来的?...

下面是开机时的提示音对应的故障,希望能帮到你.BIOS提示音1. AMI BIOS1短——内存刷新失败2短——内存ECC校验错误3短——系统基本内存(第1个64K)检查失败4短——系统时钟出错5短——中央处理器(CPU)错误6短——键盘控制器错误7短——系统实模式错误,不能切换到保护模式8短——显示内存错误(显示内存可能有所损坏)9短——ROM BIOS检验和错误1长3短——内存错误(内存损坏,请...
转载
发布博客 2021.07.04 ·
203 阅读 ·
0 点赞 ·
0 评论 ·
0 收藏

哪里能练计算机基础知识题库,计算机基础知识练习题集锦.doc

计算机基础知识练习题集锦.doc (22页) 本资源提供全文预览,点击全文预览即可全文预览,如果喜欢文档就下载吧,查找使用更方便哦!24.9 积分计算机基础知识练习题集锦全国计算机一级等级考试选择题集锦: 第1套 计算机基础知识选择题 (1 世界上第一台计算机诞生哪一年? A、1945年 B、1956年 C、1935年 D、1946年 (2)第4代电子计算机使用的电子元件是 A、晶体管 B、电...
转载
发布博客 2021.07.02 ·
208 阅读 ·
0 点赞 ·
0 评论 ·
0 收藏

html5 object嵌入pdf,PDFObject: A JavaScript utility for embedding PDFs

1. Create a container to hold your PDF2. Tell PDFObject which PDF to embed, and where to embed itPDFObject.embed("/pdf/sample-3pp.pdf", "#example1");3. You can optionally use CSS to change the appeara...
转载
发布博客 2021.06.25 ·
779 阅读 ·
0 点赞 ·
0 评论 ·
0 收藏

西北工业大学计算机转专业,2021年西北工业大学大一新生转专业及入学考试相关规定...

西北工业大学大一新生马上就要开学了,想必很多新生对自己的专业不是很满意,所以考虑转专业,那么西北工业大学新生能不能转专业呢,西北工业大学转专业要注意些什么呢,自己该不该转专业呢,下面是小编在网上收集的西北工业大学转专业相关信息,请自己阅读!其实大部分学校转专业都有比较高的门槛,成功率是很低的,所以这个时候你要怎么办呢?1、小编建议大家,仔细思考自己是否有转专业的必要。大家刚刚上大学,对自己的专业并...
转载
发布博客 2021.06.27 ·
1455 阅读 ·
0 点赞 ·
0 评论 ·
0 收藏

在桌面计算机找不到驱动,插入U盘后,我在计算机中找不到该图标. 我可以在桌面右下角的任务栏中看到它. 怎么了?...

问题描述:有时候,我们的U盘显然没有损坏,但是在插入计算机后,尽管任务栏上显示了可以安全移除硬件的图标,但是我看不到计算机中的可移动磁盘,也没有安全拆除硬件. 设备的名称.解决方案:大多数这些问题是由没有驱动器号的U盘本身引起的. 只要我们为其分配驱动器号,就会显示U盘1. 下载并安装Acronis Disk Director. 打开开始菜单,找到快捷方式,单击Acronis Disk Direc...
转载
发布博客 2021.06.23 ·
312 阅读 ·
0 点赞 ·
0 评论 ·
0 收藏

上海零云计算机 申通,阿里.零售云

解决方案介绍1)零售业务大促业务访问量高并发,EWS集成了运行环境管理、自动化监控、日志采集分析、水平扩容,防DDOS攻击等,将开发者从运维工作中解放出来,专注业务实现。2)大促业务订单增长讯速,对后端业务处理效率要求较高,将订单核心链路业务场景通过状态回流实现订单全链路监控,及时掌握订单在各关键业务节点的处理效率,覆盖订单创建、订单推送、订单处理、仓库作业、物流配送、消费者收货确认的全部阶段。3...
转载
发布博客 2021.06.19 ·
101 阅读 ·
0 点赞 ·
0 评论 ·
0 收藏

全国专业技术人员计算机D级,2019年全国专业技术人员计算机应用能力考试最新题库.doc...

PAGEPAGE 12019年全国专业技术人员计算机应用能力考试最新题库一、计算机基本知识单选:1、第一代计算机以电子管为主要部件,主要应用于( C )A、数据处理 B、实时控制 C、科学运算 D、办公自动化2、微型计算机是大规模集成电路的产物,( C )是它的核心部件A、内存储器 B、输入输出设备 C、微处理器 D、硬盘3、计算机...
转载
发布博客 2021.06.17 ·
324 阅读 ·
0 点赞 ·
0 评论 ·
0 收藏
加载更多