工程创建
可以按照hello world的步骤一步一步建立,也可以直接将工程全部拷贝过来。方法上篇已有步骤,此次直接拷贝。
IP核添加
此次工程用到了字节的两个IP核,math_ip和GPIO_LITE_ML_1.0,其中math就是一个普通加法器,可直接用vivado自带的加法器,一样的用法,GPIO是输出流水灯控制的核。将这两个文件夹拷入新建的工程下,然后在setting中,IP目录下的Repository中将拷贝过来的IP核添加进去。

随后就打开block design,将math_ip_v1_0添加

再将GPIO添加

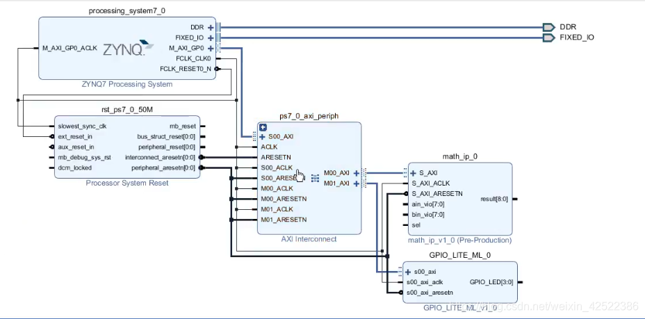
添加完之后就可以连线了,由于这的布线十分简单,使用自动连线就行。run connection automation。
连好都就如图

如果觉得布局很乱,就右键空白处,regenerate layout。

其中,led管脚是要输出的,需要添加约束的,在BD中,给它一个输出管脚。


完成后继续添加IP,

双击新出的VIO IP核,进行配置,,输入1个管脚,输出3个管脚


将此IP手动连接。与math连接,对应相连即可。

继续添加ila,并配置



再将其连线,clk连clk,另一个连LED

最低0.47元/天 解锁文章
1万+

被折叠的 条评论
为什么被折叠?



