目录:
1、原理图
1.1、RS485 接口 6KV 防雷电路设计方案
1.2、接口电路设计概述
1.3、电路 EMC 设计说明
2、PCB 设计
2.1、RS485 接口电路布局
2.2、RS485 接口电路分地设计
该方案从原理设计和 PCB 设计两方面重点对 EMC 电路设计进行分析,而简化了电路
匹配和失效保护的设计。设计者可以根据自己的设计指标要求,从 EMC 设计的角度进行取
舍,详细内容请见下文 。
1. 原理图
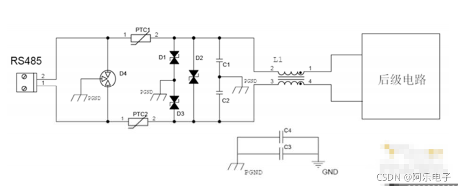
1.1. RS485 接口 6KV 防雷电路设计方案

1.2. 接口电路设计概述
RS485 用于设备与计算机或其它设备之间通讯,在产品应用中其走线多与电源、功率
信号等混合在一起,存在EMC隐患。
本方案从 EMC 原理上,进行了相关的抑制干扰和抗敏感度的设计,从设计层次解决
EMC 问题。
1.3. 电路 EMC 设计说明
1.3.1. 电路滤波设计要点
L1 为共模电感,共模电感能够对衰减共模干扰,对单板内部的干扰以及外部的干扰都
能抑制,能提高产品的抗干扰能力,同时也能减小通过 485 信号线对外的辐射,共模电感
阻抗选择范围为 12

本文详细介绍了RS-485接口的EMC电路设计,包括6KV防雷电路、滤波设计、防雷要点,以及PCB布局策略。通过共模电感、滤波电容、气体放电管和半导体放电管等元件,实现接口的防护和抗干扰能力提升。同时,文章强调了接口电路的布局和分地设计对于抑制辐射和增强抗扰性的重要性。
最低0.47元/天 解锁文章
736

被折叠的 条评论
为什么被折叠?



