博主福利:100G+电子设计资料合集
https://dwz.date/fyQa
本文以模块化的设计思路,其核心电路为单片机最小系统,感应电路为红外传感应电路,控制电路采用继电器,检测电路为酒精浓度检测模块,无线通讯模块则采用wifi模块。

当红外传感器检测到驾驶室驾驶员进入,系统开始进入工作状态,此时,驾驶员想要发动汽车,须向传感器呼出气体,当检测到驾驶员呼出气体酒精浓度超标后,由继电器控制车内点火部分电路断开,此时汽车无法发动,并在显示电路中显示驾驶员酒精含量,由模块传入服务器端,作为一次记录。
若驾驶者想要发动汽车,须等待酒精传感器恢复时间过后,再次向其提供气体样本,直至检测结果显示酒精含量合格后,方可发动汽车。

一、酒精浓度检测电路设计
酒精传感器的基本原理可简述为将探测到的酒精浓度转换成有用电信号的器件,并根据这些电信号的强弱就可以获得与待测气体在环境中的存在情况有关的信息。
气敏传感器是由微型氧化铝陶瓷管、氧化锌敏感层,测量引脚电极和温度加热器组成同。敏感元件固定在塑料或不绣钢制成的腔体内,加热器为气敏元件提供了必要的工作条件。封装好的气敏元件有六个管脚输出,其中四个用于信号的取出,两个用于提供加热的电流。

图中1、2、3分别表示MQ-3乙醇传感器的引脚排列图、引脚功能图、使用接线图。其中H-H表示加热极(5V),A-A、B-B传感器表示敏感元件的两个极,图3中框图中“V”为传感器的工作电压,同时也是加热的电压。
传感器的标准回路有两部分组成。其一为加热回路,其二为信号输出回路,它可以准确反映传感器表面的电阻值变化。传感器表面电阻R5的变化,是通过与其串联的负载电阻上的有效电压信号输出获得的。二者之间的关系表述为公式所示:

其中,V为回路电压,电压为10V,负载电阻RL可调为0.5-200千欧。负载电阻RL可调,加热电压一般为5V。
半导体方式的MQ-3酒精传感器具有灵敏度高、电路简单、使用方便、所需费用低、稳定性好以及寿命长等优点,可以把气体信号转换为电压信号输出,因此得到广泛应用。
MQ-3酒精传感器可用于机动车驾驶员呼气中酒精浓度的检测,以及其它严禁酒后操作的现场环境探测,也可用于其它场所的乙醇蒸气勘测工作等。
MQ-3酒精传感器的实物中包含有6只针状管脚,其中4个管脚(两个A和两个B)用于信号读取,两个H脚用于提供加热电流。

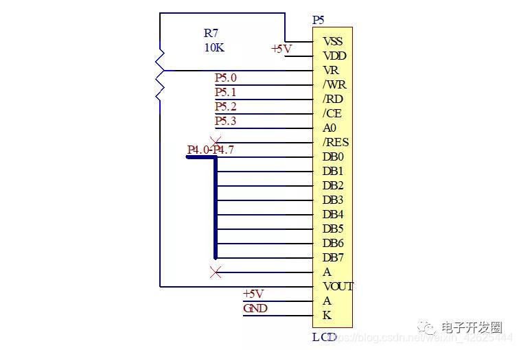
二、显示电路设计
LCD1602液晶也叫1602字符型液晶,它是一种专门用来显示字母、数字、符号等的点阵型液晶模块。
它由若干个5*7或者5*11等点阵字符位组成,每个点阵字符位都可以显示一个字符,每位之间有一个点距的间隔,每行之间也有间隔,起到了字符间距和行间距的作用,正因为如此所以它不能很好地显示图形。

三、控制电路设计
继电器线圈在电路中用一个长方框符号表示,如果继电器有两个线圈,就画两个并列的长方框。同时在长方框内或长方框旁标上继电器的文字符号“J”。
继电器的触点有两种表示方法:一种是把它们直接画在长方框一侧,这种表示法较为直观。另一种是按照电路连接的需要,把各个触点分别画到各自的控制电路中,通常在同一继电器的触点与线圈旁分别标注上相同的文字符号,并将触点组编上号码,以示区别。
继电器的触点有三种基本形式:动合型常开,动断型常闭,转换型。

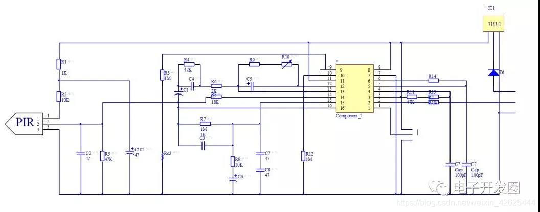
四、人体感应电路设计
红外线对射管的驱动分为电平型和脉冲型两种驱动方式。由红外线对射管阵列组成分离型光电传感器。
该传感器的创新点在于能够抵抗外界的强光干扰。太阳光中含有对红外线接收管产生干扰的红外线,该光线能够将红外线接收二极管导通,使系统产生误判,甚至导致整个系统瘫痪。
本传感器的优点在于能够设置多点采集,对射管阵列的间距和阵列数量可根据需求选取。

五、无线通讯电路设计
WIFI模块为串口或TTL电平转通信的一种传输转换产品,UART-WIFI模块是基于Uart接口的符合WIFI无线网络标准的嵌入式模块,内置无线网络协议IEE802.11协议栈以及TCP/IP协议栈,能够实现用户串口或TTL电平数据到无线网络之间的转换。

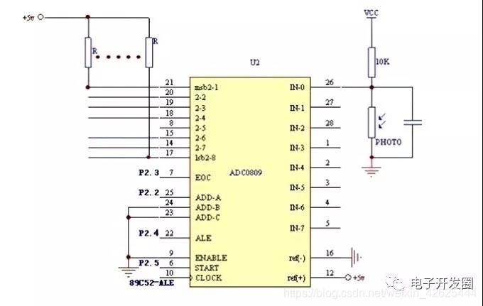
六、模数转换电路设计
模数转换通常被成为A/D转换,顾名思义,即将电路中的模拟信号转换为数字信号,通常状况下电路中传感器返回值为模拟信号,但取值显示时需数字信号,所以A/D转换成为了单片机的传感器应用中的重要环节。
通常状况的下的A/D转换分为电流、电压等方面,即将系统中的各类电信号转化为数字信号,本课题使用的转换电路为ADC0809,将酒精浓度传感器所返回的电压值转换为数字信号。

七、系统主程序设计
基于单片机的防酒驾检测系统的软件设计流程由红外人体感应模块子程序,模块子程序,酒精检测模块子程序,无线通讯模块子程序等各个模块组成。
八、人体感应子程序设计
红外传感器在本系统中作为整个电路运行的起点,通过检测驾驶室是否有人进入,红外线向继电器传入高低电平,当常开式继电器控制电路闭合时,单片机正常上电,此时系统开始运行,所以红外传感器控制模块为整个系统执行的起点。
九、酒精浓度检测子程序设计
酒精浓度监测的设计思路为:单片机控制MQ-3酒精浓度传感器采集器体样本,传感器采集检测后的返回值为一个数值,将获取的数值与设定的标定值进行对比,当比对结果还超出标定值时,进行报警,并将这一数值通过显示器显示出来。



4593

被折叠的 条评论
为什么被折叠?



