74HC09:四2输入与门(漏极开路输出)
-
📌相关篇《74HC08四路2输入与门》
-
🎬Multisim仿真

-
📺Proteus仿真

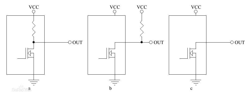
📓漏极开路
漏极开路(Open Drain)即高阻状态,适用于输入/输出,其可独立输入/输出低电平和高阻状态,若需要产生高电平,则需使用外部上拉电阻或使用如LCX245等电平转换芯片。同时具有很大的驱动能力,可以作为缓冲器使用。
📑74HC09介绍
M74HC09是一种高速CMOS电路,用硅制造的输入开路漏极和栅极门C2MOS技术。内部电路由3个阶段组成包括缓冲区输出,使高噪声免疫,输出稳定。所有输入端均配有保护电路针对静态放电和瞬态过剩电压。

### 📚仿真资源和数据手册
- 🔖由于某些原因,不再对外,公布相关资源链接,可根据原理自行搭建。
| 小时候,花一毛钱买包冰袋,在角咬一个小口,叼着喝一下午,然后喝完吹起来,踩爆!这特么才叫生活。。 |
|---|



4040

被折叠的 条评论
为什么被折叠?



