【Proteus仿真】集成运算放大器搭建以及基本功能电路
集成运放的基本功能和主要参数
运算是集成运算放大器最基本的功能,包括比例、加、减、微分、积分、指数、对数等基本运算。集成运放的主要参数有:输入失调电压、输入失调电流、开环差模电压放大倍数、共模抑制比、输入电阻、输出电阻、增益-带宽积、转换速率和最大共模输入电压。其中最重要的是增益-带宽积、转换速率和最大共模输入电压三个参数,在应用集成运放时应特别注意。
反相比例运算电路
电路如图 4 所示,图中 R2 称为平衡电阻,取 R2=R1// RF 。利用“虚短”和“虚断” 的特点
可求得其闭环电压放大倍数为:
A v f = R f R 1 Avf=\frac{Rf}{R1} Avf=R1Rf
在上述电路中,外接电阻最好在 1k~100k 范围内选择,电压放大倍数限定在 100 内,以保证电压放大倍数的稳定性。
同相比例运算电路
电路如图 5 所示,取 R2=R1// RF 。利用“虚短”和“虚断” 的特点可求得其闭环电压放大
倍数为:
A v f = 1 + R f R 1 Avf=1 + \frac{Rf}{R1} Avf=1+R1Rf
上述电路中,集成运放的同相输入端和反相输入端电压均为输入电压,故同相比例运算
电路的共模输入电压即为输入电压。因此要求输入电压的大小不能超过集成运放的最大共模
输入电压范围。
当取 R1为无穷大时,Avf 为 1,此时称为“电压跟随器”,是同相比例运算电路的特例。
反相加法运算电路
电路如图 6 所示,利用“虚短”和“虚断” 的特点可求得其闭环电压放大倍数为:
V 0 = − R f ( V i 1 R 1 − V i 2 R 2 ) V0 = -Rf( \frac{Vi1}{R1} - \frac{Vi2}{R2} ) V0=−Rf(R1Vi1−R2Vi2)
同相加法运算电路
电路如图 7 所示,取 R// RF=R1// R2// R3 。利用叠加定理及“虚短”和“虚断” 的特点可求
得其闭环电压放大倍数为:
V 0 = R f ( V i 1 R 1 + V i 2 R 2 ) V0 =Rf( \frac{Vi1}{R1} +\frac{Vi2}{R2} ) V0=Rf(R1Vi1+R2Vi2)
减法运算电路
电路如图 8 所示,取 R1=R2 =R,R3=RF ,利用前面电路的结论可求得其输出端电压为:
V o = R f R ( V i 2 − V i 1 ) Vo =\frac{Rf}{R} (Vi2 -Vi1) Vo=RRf(Vi2−Vi1)
此电路的外围元件在选择时有一定的要求,为了减少误差,所用元件必须对称。除了要求电
阻值严格匹配外,对运放要求有较高的共模抑制比,否则将会产生较大的运算误差。

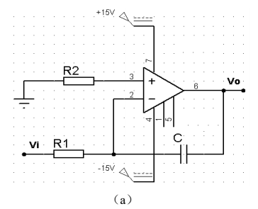
积分运算电路
电路如图 9(a) 所示,其输出端电压为:
实用的积分电路还需考虑非理想运放带来的问题,如:反相积分器在静态时,运放实际处于开环状态(电容不通直流),运放的失调和漂移可能造成输出饱和而无法再对输入信号积分。因此在实用电路中,往往在电容上并联一个大电阻 RF,如图 9(b) 所示,这样可以适当降低运放的开环增益,避免运放饱和。但该电阻不能破坏原来的积分关系,为此容抗应该小于电阻 RF,即
1 ω C < < R f \frac{1}{ωC}<<Rf ωC1<<Rf, 故被积分信号的频率应满足:
f > > 1 2 π R f C f >>\frac{1}{2πRfC} f>>2πRfC1

仿真资源和运放资料文档
本实验基于
Proteus8.9平台

链接:https://pan.baidu.com/s/1FrDcl7W_QKg3f_jXaahQVQ
提取码:y7ny
| 生活总是这样,不能叫人处处都满意。人活的就是一种心态。当你心若旁鹜,淡看人生苦痛,淡薄名利,心态积极而平衡,有所求而有所不求,有所为而有所不为,不去刻意掩饰自己,不去势利逢迎他人,只是做一个简单真实的自己时,就会无所谓得与失,就可以坦坦荡荡、真真切切、平平静静、快快乐乐地生活。 |
|---|
本文详细介绍了集成运算放大器在Proteus仿真的应用,包括反相比例、同相比例、加法、减法和积分运算电路的设计与工作原理。通过电路图和运算公式,阐述了各类型电路的闭环电压放大倍数计算,并提到了实际应用中应注意的参数,如增益-带宽积、转换速率和最大共模输入电压。同时,给出了实用积分电路的改进方案,以解决运放失调和漂移问题。












1万+

被折叠的 条评论
为什么被折叠?



