TM1638和TM1639差异说明

TM1638和TM1639差异说明


  • ✨本文不涉及具体的单片机代码驱动内容,值针对芯片使用功能的差异加以比较说明。
  • 📍具体的手册请前往官网查阅 :http://www.titanmec.com/product/display-drivers/led-panel-display-driver-chip/p/1.html
  • 🎉好多平台提供的该芯片的数据手册都是内容不全或者版本比较旧的,如需了解最新的请前往官网下载,内容和排版都是最新的。

📗封装形式不同

  • 🌿TM1638封装形式:SOP28;
  • 🌿TM1639封装形式:SOP24和DIP24有2中不同的封装形式。
    在这里插入图片描述
    在这里插入图片描述

✅TM1638和TM1639显示寄存器地址差异

  • 🌿TM1638
    在这里插入图片描述

  • 🌿TM1639
    在这里插入图片描述

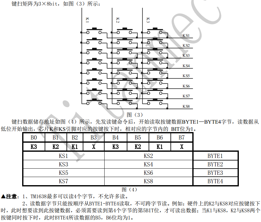
📓TM1638和TM1639按键扫描读值差异

  • 🌿TM1638
    在这里插入图片描述
  • 🌿TM1639
    在这里插入图片描述
  • 🍁通过上面的两张截图可以看出,两款芯片的按键扫描部分的驱动代码上,是可以通用的,具体的差异就是读取具体的按键值的差异。

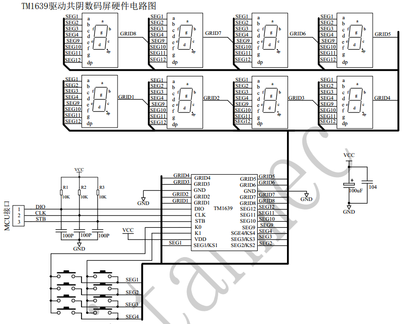
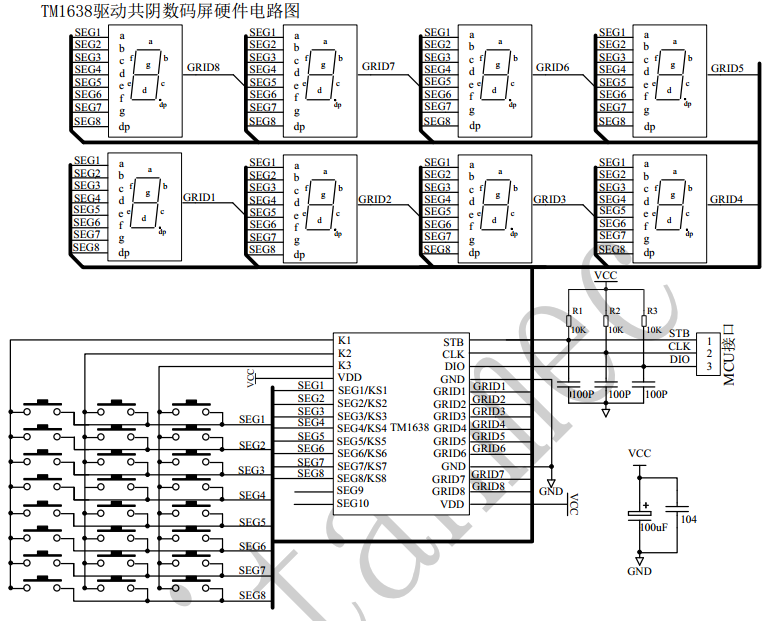
⛳基于两款芯片驱动8位共阴数码管以及按键原理图

  • 🌿TM1638
    在这里插入图片描述
  • 🌿TM1639
    在这里插入图片描述

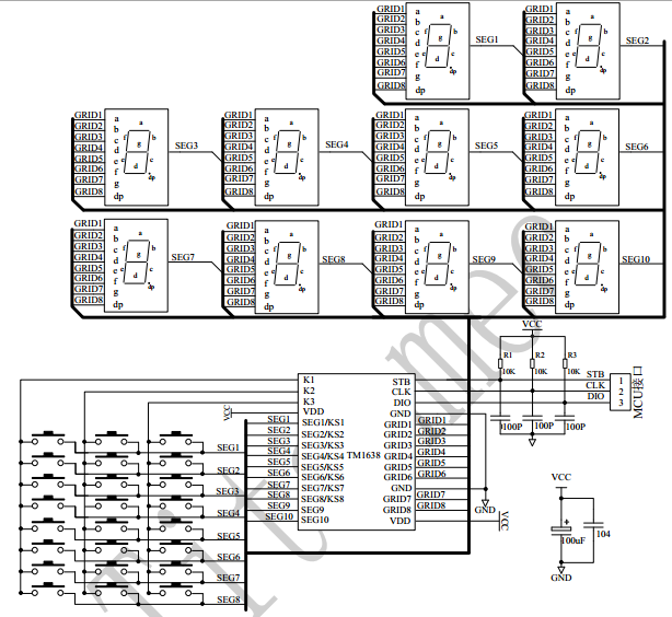
  • 官方手册上提供的参考原理图设计
    在这里插入图片描述
    在这里插入图片描述
    在这里插入图片描述
    在这里插入图片描述
#include //1638he165合并程序 2018/5/26 #include #include #define uchar unsigned char #define uint unsigned int sbit SU0=P2^0; //计数脉冲识别 sbit SU1=P2^1; //计数脉冲识别 sbit SU2=P2^2; sbit DJ1=P1^0; sbit DJ2=P1^1; sbit QH=P3^2; //输出端 sbit CK=P3^3; //时钟 上升沿有效 sbit PL=P3^4; //移位控制 低电平有效 uchar temp; uchar temp1; uchar tempH; uchar tempL; bit weia; bit weib; bit ding; unsigned char num[8]; //各个数码管显示的值 unsigned int dingshiqi=0; unsigned int num1,num2; unsigned int su1_a,su1_b; unsigned int su2_a,su2_b; unsigned int su2,su4,su1; unsigned char wei,wei1; unsigned int k; void delay1ms(uint i) //1ms延时程序 { uchar j; while(i--) { for(j=0;j0; j--); } uint read_int165(void) { uchar i=0; uint read_data=0; PL=0; //置数,读入并行输入数据 _nop_(); PL=1; //移位,并口被锁存,串行转换开始 _nop_(); for(i=0;i<16;i++) //设定16位输入 { read_data<<=1; if(QH) { read_data|=QH; } CK=0; //下降沿 _nop_(); CK=1; _nop_(); //上升沿 } return read_data; } void init_t0() { TMOD = 0x02; //8位自动载定时器 TH0 = 0x06; TL0 = 0x06; TR0 = 1; //启动定时器 ET0=1; //允许定时器0中断 EA=1; //开总中断 } void main(void) { unsigned char i; init_t0(); init_TM1638(); for(i=0;i<8;i++) Write_DATA(i<>8); //获取高八位,存在tempH tempL=(uchar)temp; //获取低八位存在tempL P2=tempH; //接收的字节高八位显示在P2 P1=tempL; //接收的低八位显示在P1 } { i=Read_key(); switch(i) { case 0: //1--1 { while(Read_key()==i); //等待按键释放 su1_a = 0; su2_a = 0; wei=0; weia=1; ding=0; }break; case 1: { while(Read_key()==i); //等待按键释放 weia=0; wei++; if(wei>=3)wei = 0; }break; case 2: { while(Read_key()==i); //等待按键释放 if(wei==1) su1_b++; if(su1_b>5500) su1_b=0; if(wei==2) su2_b++; if(su2_b>5500) su2_b=0; }break; case 3: { while(Read_key()==i); //等待按键释放 if(wei==1) { if(su1_b>0)su1_b--; } if(wei==2) { if(su2_b>0)su2_b--; } }break; case 4: { while(Read_key()==i); //等待按键释放 ding=~ding; }break; case 5:{ while(Read_key()==i); }break; case 6:{ while(Read_key()==i); } break; case 7:{ while(Read_key()==i); }break; } if(wei==0) //脉冲输入计数 { if((ding==0)&&(weia==1)) { if(SU0 ==0) { delay(1); if(SU0==0) { while(!SU0); su1_a++; } } if(SU1 ==0) { delay(1); if(SU1==0) { while(!SU1); su2_a++; } } if(su1_a==su1_b) su1_a = 0; if(su2_a==su2_b) { ding = 1; } } Write_DATA(3*2,tab[su1_a]); Write_DATA(2*2,tab[su1_a0/10]); Write_DATA(1*2,tab[su1_a00/100]); Write_DATA(0*2,tab[su1_a000/1000]); Write_DATA(7*2,tab[su2_a]); Write_DATA(6*2,tab[su2_a0/10]); Write_DATA(5*2,tab[su2_a00/100]); Write_DATA(4*2,tab[su2_a000/1000]); } if(wei==1) //左边数码管设置 { k++; if(k>40)k = 0; if(k>10) { Write_DATA(3*2,tab[su1_b]); Write_DATA(2*2,tab[su1_b0/10]); Write_DATA(1*2,tab[su1_b00/100]); Write_DATA(0*2,tab[su1_b000/1000]); } else { Write_DATA(0*2,tab[20]); Write_DATA(1*2,tab[20]); Write_DATA(2*2,tab[20]); Write_DATA(3*2,tab[20]); } } if(wei==2) //右边数码管设置 { Write_DATA(3*2,tab[su1_a]); Write_DATA(2*2,tab[su1_a0/10]); Write_DATA(1*2,tab[su1_a00/100]); Write_DATA(0*2,tab[su1_a000/1000]); k++; if(k>40)k = 0; if(k>10) { Write_DATA(7*2,tab[su2_b]); Write_DATA(6*2,tab[su2_b0/10]); Write_DATA(5*2,tab[su2_b00/100]); Write_DATA(4*2,tab[su2_b000/1000]); } else { Write_DATA(4*2,tab[20]); Write_DATA(5*2,tab[20]); Write_DATA(6*2,tab[20]); Write_DATA(7*2,tab[20]); } } } } } void time0() interrupt 1 //使用的是定时器T0 { dingshiqi++; if(dingshiqi>=3686) { dingshiqi = 0; } }
评论
添加红包

请填写红包祝福语或标题

红包个数最小为10个

红包金额最低5元

当前余额3.43前往充值 >
需支付:10.00
成就一亿技术人!
领取后你会自动成为博主和红包主的粉丝 规则
hope_wisdom
发出的红包
实付
使用余额支付
点击重新获取
扫码支付
钱包余额 0

抵扣说明:

1.余额是钱包充值的虚拟货币,按照1:1的比例进行支付金额的抵扣。
2.余额无法直接购买下载,可以购买VIP、付费专栏及课程。

余额充值