整车控制SIMULINK仿真
建立电机子系统

建立动力电池子系统

建立变速器子系统

建立车辆动力学子系统

建立驾驶子系统

建立风扇和水泵子系统

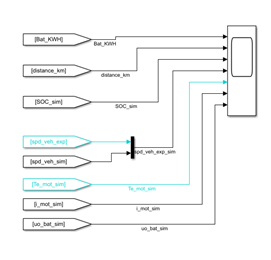
数据显示



文件下载地址:
https://download.csdn.net/download/weixin_43409082/33763542
整车控制SIMULINK仿真
建立电机子系统

建立动力电池子系统

建立变速器子系统

建立车辆动力学子系统

建立驾驶子系统

建立风扇和水泵子系统

数据显示



文件下载地址:
https://download.csdn.net/download/weixin_43409082/33763542

被折叠的 条评论
为什么被折叠?