接上一篇:运筹学基础【五】 之 线性规划
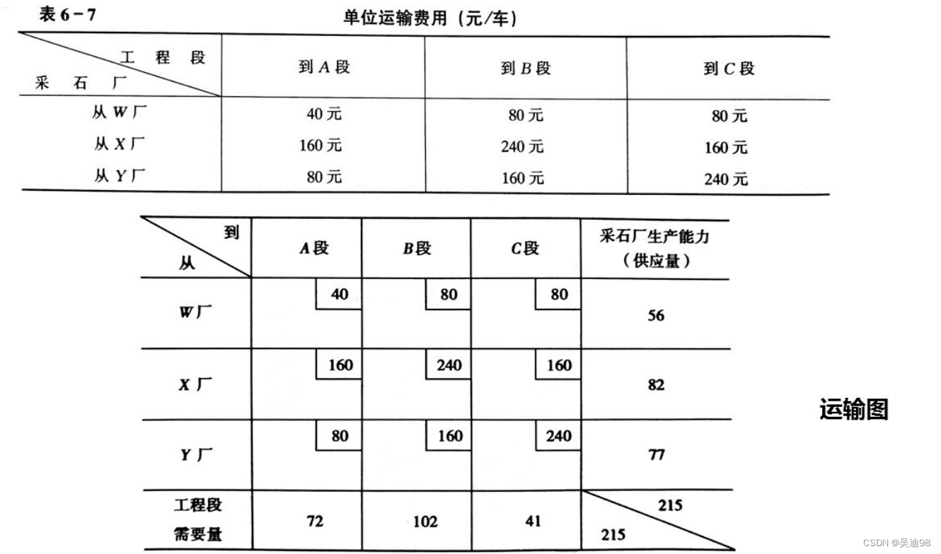
一、运输问题及其特殊结构




二、需要量等于供应量的运输问题
1.建立运输图

2.求得一个最初的运输方案









3.寻求改进方案









4.建立改进方案








5.修正分配法


三、需要量不等于供应量的问题








运筹学基础【六】:运输问题详解
本文深入探讨了运输问题,包括当需求量等于供应量时的解决步骤,如建立运输图、初始方案、改进方案的寻求与建立,以及修正分配法的应用。此外,还预告了下一篇文章将涉及网络计划技术。
接上一篇:运筹学基础【五】 之 线性规划










































被折叠的 条评论
为什么被折叠?