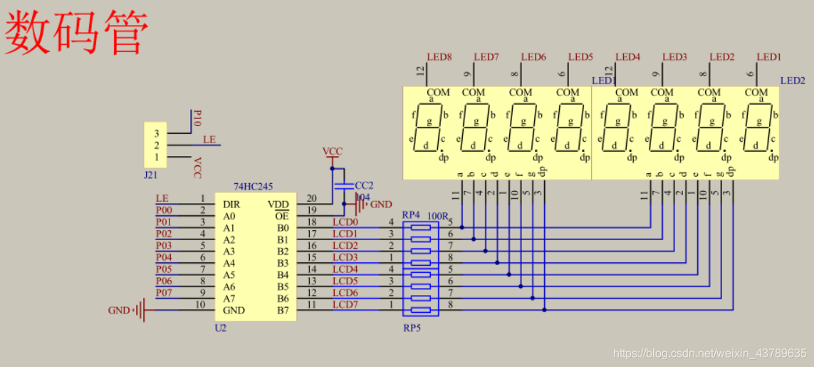
首先,先看看数码管的电路结构。一个数码管由七个条线和一个小数点组成,要想显示数字或字母可以根据形状来显示。51单片机中数码管使用了共阴接法,所以比如说想要显示数字0,这数码管的a,b,c,d,e,f接高电平,g和dp接低电平,p0口对应的16进制数据为0x3f。 
现在我们用最后一个数码管来依次显示数字0到9,再到字母a到f。想要最后一个数码管显示而其他不显示,我们需要把138译码器A到C口控制为低电平。
下面给出参考代码。
#include “reg52.h”
typedef unsigned char u8;
typedef unsigned int u16;
typedef unsigned char u7;
sbit LSA=P2^2;
sbit LSB=P2^3;
sbit LSC=P2^4;
u8 code smg[]={0x3f,0x06,0x5b,0x4f,0x66,0x6d,0x7d,0x07,0x7f,0x6f,0x77,0x7c,0x39,0x5e,0x79,0x71};
void delay(u16 i)
{
while(i–);
}
void main()
{ u7 a=0;
LSA=0;
LSB=0;
LSC=0;
while(1)
{
for(a=0;a<16;a++)
{ P0=smg[a];
delay(50000);
}
}
}
我们需要把所想要表示的数据和字母对应P0口的电平先用16进制表示出来,然后按顺序放在一个数组中,最后只需要用一个for循环便可以实现依次显示你所想要表示的数字和字母。当然想要看到依次显示的效果,还需要延时函数,否则肉眼看不到依次显示。
1956

被折叠的 条评论
为什么被折叠?



