1 工作原理
- 变磁阻式传感器是利用电磁感应原理将被测非电量如位移、压力、流量、重量、振动等转换成传感器线圈电感(自感量或互感量)的变化,再由测量电路转换为电压或电流的变化量输出的装置。(电感式传感器)
2 自感式传感器
2.1 工作原理
- 自感式传感器实质上是一个带气隙的铁心线圈。
- 按磁路几何参数变化形式的不同,目前常用的自感式传感器有变气隙式、变面积式与螺管式三种;按磁路的结构型式又有Π型、E型或罐型等等;按组成方式分,有单一式与差动式两种。
2.2 交流电桥式测量电路


- 可见,电桥输出电压与Δδ有关,相位与衔铁移动方向有关。
- 由于是交流信号,还要经过适当电路处理才能判别衔铁位移的大小及方向。
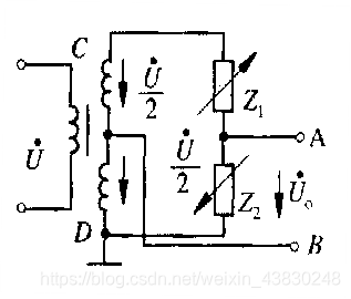
2.3 变压器式交流电桥


最低0.47元/天 解锁文章
4634

被折叠的 条评论
为什么被折叠?



