本篇博客是全桥MOS/IGBT电路搭建的介绍,想了解全桥电路的驱动部分请看博主的单元一:全桥驱动电路详解。感兴趣的可以添加博主QQ:2859340499.
B站对应讲解本文链接
逆变电路(Inverter Circuit)是与整流电路(Rectifier)相对应,把直流电变成交流电称为逆变。逆变电路可用于构成各种交流电源,在工业中得到广泛应用。为了提高所设计的激励电源输出功率和工作频率, **逆变电路采用全桥逆的方式,相对于单管和半桥逆变电路,全桥逆变的输出功率更高、开关损耗更小、可接纳的控制方式更多。**全桥逆变电路如下图所示(谁都知道):

全桥逆变电路看着十分的简单,但是设计不好往往会出现大问题。在这里我总结了设计全桥电路的三个要点:
- MOS/IGBT的栅极引脚部分的电路:
简单来说就是驱动全桥电路就是驱动信号驱动MOS/IGBT的栅极,但是驱动信号直接送到栅极上是不可以的,因为MOS/IGBT栅极结构原因,存在电容,如果驱动信号不辅助栅极部分的硬件电路会使MOS/IGBT一直导通,造成全桥电路中的四个管全部导通,结果可想而知。解决方案比如下图所示**(文末的硬件电路中对这部分进行了改进)。**

- MOS/IGBT的保护电路;
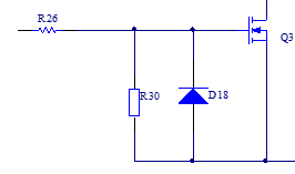
MOS/IGBT管具有较脆弱的承受短时过载能力,所以在应用时必须为其设计合理的保护电路来提高器件的可靠性。常见的保护电路有很多种,比如RC保护电路或者RCD保护电路。本次设计采用的是RCD 缓冲吸收电路和MOS管构成全桥逆变电路,将直流高压电转换为交流激励信号。
3. 全桥电路的器件选型问题:
全桥电路中每一个器件的选型都尤为重要,可能哪一个器件的承受值不满足可能会造成整个全桥电路瘫痪。比如MOS管的选型,在计算最大工作频率时要关注MOS管的上升和下降时间,以及保护电路的器件特性等,其中涉及到的知识很多,在这里就不一一介绍了。
本次设计的全桥逆变电路(IRFP460MOS管、水泥电阻、聚酯膜电容以及快恢复二极管等),其中最高工作频率以及耐压耐流主要看所选择的器件(IGBT工作频率会低一些,但是耐压耐流值高)。下图时全桥逆变电路的输出波形:

下图是本次设计中采样电阻采到的波形(可以看出峰峰值电流达到100A)。

最后附上硬件电路图吧(经过实测,感兴趣的可以咨询博主):
如果对其中有不明白的,或者想深入了解全桥电路,对其中的电路图等资料感兴趣的可以添加博主QQ:2859340499
到这里(加上之前写的单元一:全桥驱动电路部分)相信已经可以将直流电转化成交流电了,但是所产生的交流电能百分之百的传输到负载上么,这里就需要阻抗匹配的知识了,将在下一部分单元三及进行详细讲解。
5755

被折叠的 条评论
为什么被折叠?



