1.组合电路 --------------------------- 2.时序电路
1. 逻辑门组成 --------------------------------------1.触发器DFF 组成
2. 电平敏感------------------------------------------2.时钟有效沿触发
3. 立即变--------------------------------------------3.输入和时钟沿同时满足时变化
4. 不能存储------------------------------------------4.可以存储
5. 阻塞赋值------------------------------------------5.非阻塞赋值
2.锁存器Latch
特性:电平敏感,但又可以进行存储的时序器件
缺点:对毛刺敏感,时序分析很难
实际不推荐使用
什么情况下容易产生latch?(三种)

3.同步复位、异步复位
同步复位:复位信号受到clk的控制
异步复位:复位信号和clk是同一优先级

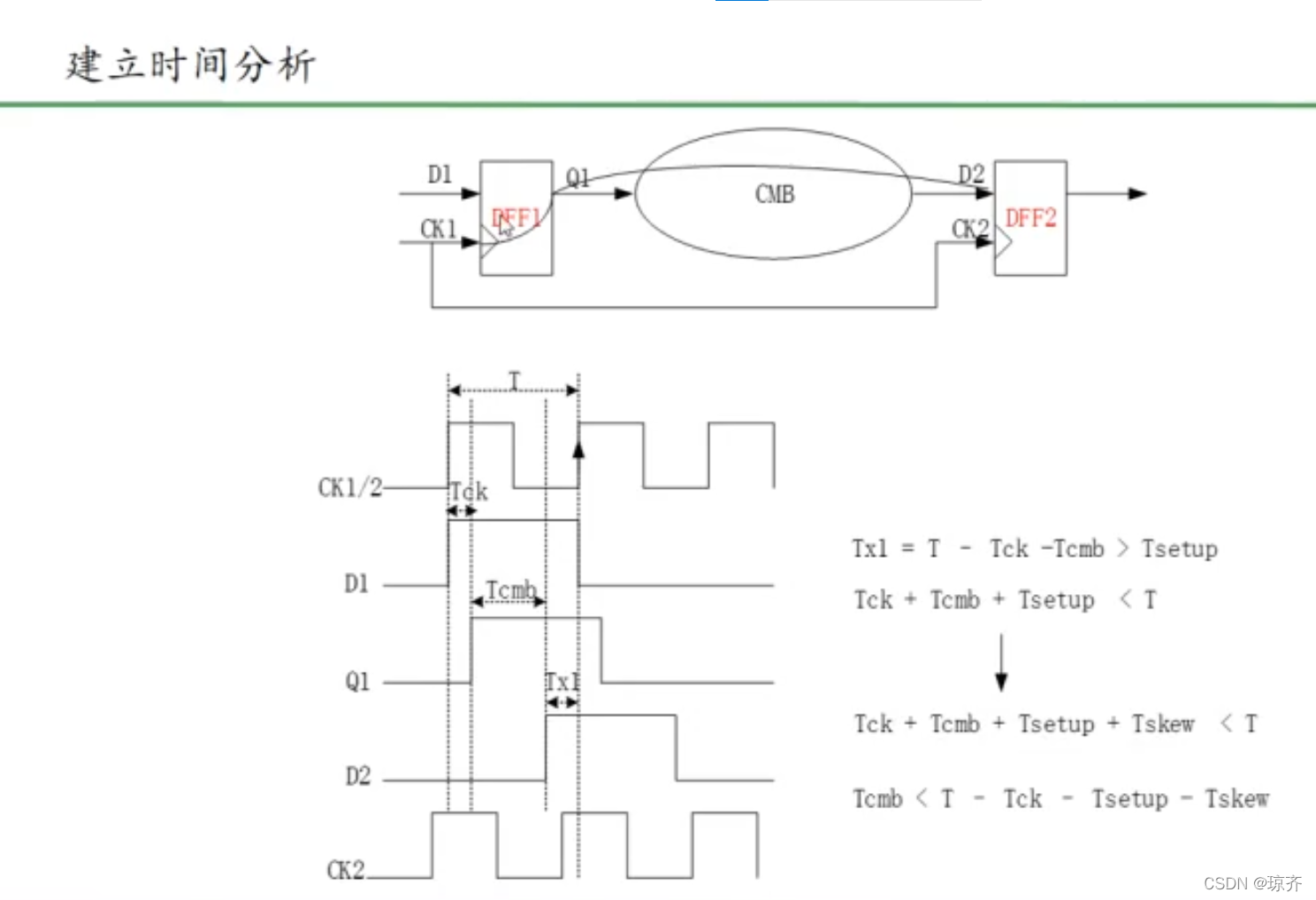
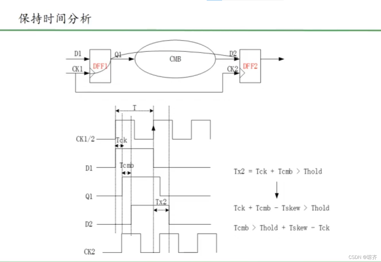
4.建立保持时间
概念:时钟上升沿到来之前,数据需要稳定的时间

TX1:建立时间
Tsetup:寄存器的建立时间(库决定)
TX2:保持时间
Thold:寄存器的保持时间(库决定)
5.建立保持时间分析

Tck:DFF1的延时
Tcmb:RTL代码的延时
(Tcmb过大时大于时钟时间 导致亚稳态)
Tskew:时钟偏差

- 静态时序分析
Thold - Tck + Tskew < Tcmb < T - Tck - Tsetup - Tskew
6.流水线设计

解析:在Fetch Decode Excute之间插入寄存器 用于存储各部分完成的工作,当下一级完成上一级任务时,上一级任然可以继续工作,不需要等待整个流程的结束。减少了设计的时间消耗,提高了频率。
7.CTS(时钟树综合)
- 前提:PR已完成才可以
- 解析:时钟树的高扇出问题:增加BUFFRE
- 时钟沿到寄存器的时间偏差:lantence
- 最小最大lantence之间的时间偏差叫skew

8.Cell 的延时
- 解析:高扇出(CTS),多负载(打一拍),都可能引起Cell 的延迟。

9.PVT特性(工艺角)

10.Wire延时

- 解析:插入多个Buffer

练习







本文深入探讨了ASIC后端设计的关键概念,包括组合电路与时序电路的区别,锁存器Latch的特性及应用,同步复位与异步复位的差异,建立保持时间的重要性以及分析方法,流水线设计的优势,时钟树综合(CTS)的作用,Cell延迟的影响因素,PVT特性和Wire延时。通过实例和练习,帮助读者巩固理解。
——ASIC基础知识&spm=1001.2101.3001.5002&articleId=122837958&d=1&t=3&u=fd95e733027947e48723ce7294e355bd)
1332

被折叠的 条评论
为什么被折叠?



