1.原理
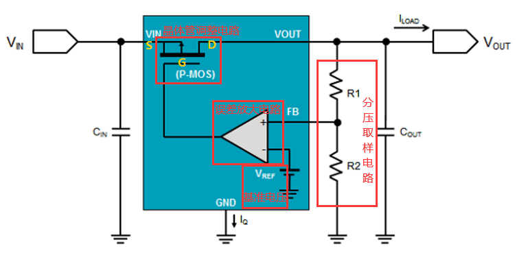
通过运放调节P-MOS的输出
低压差: 输出压降比较低,例如输入3.3V,输出可以达到3.2V。
线性: LDO内部的MOS管工作于线性状态。(可变电阻区)
稳压器: 说明了LDO的用途是用来给电源稳压。
LDO有几种控制模式,其他都是三极管控制,这几种控制的区别在于最小压差区不一样。
LDO内部基本都是由4大部件构成,分别是分压取样电路、基准电压、误差放大电路和晶体管调整电路。
分压取样电路:通过反馈电阻R1和R2对输出电压进行采集;
基准电压: 通过bandgap(带隙电压基准)产生的,目的为了温度变化对基准的影响小;
误差放大电路:将采集的电压输入到比较器反向输入端,与正向输入端的基准电压(期望输出的电压)进行比较,再将比较结果进行放大;
晶体管调整电路: 把这个放大后的信号输出到晶体管的控制极(也就是PMOS管的栅极或者PNP型三极管的基极),从而这个放大后的信号(电流)就可以控制晶体管的导通电压了,这就是一个负反馈调节回路。
2.参数
输入输出压差(Dropout Voltage)
压差一般都是很小,LDO的输入电流几乎等于输出电流。压差越大,效率越低。发热功率=电压差 * 电流。Note:负载电流很小,压差过大也可以使用LDO。
线性调整率
输入变化对输出的影响,即在负载一定的情况下,输出电压变化量和输入电压变化量之比。线性调整率越小越好。
负载调整率
是指在给定负载变化下的输出电压的变化,这里的负载变化通常是从无负载到满负载。负载调整率越小越好。说明 LDO 抑制负载干扰的能力越强。
电源抑制比(PSRR)
输入纹波与输出纹波的比值的对数关系。用来反应LDO对不同频率的输入电源纹波的抑制能力。在特定频段,PSRR越大越好,输出信号受到电源的影响越小。如果用在低噪声场合,一定要选择高PSRR(80dB以上)的LDO,建议在80dB以上。
瞬态响应
表示负载电流突变时引起的输出电压的最大变化,它是输出电容Co及其等效串联电阻ESR和旁路电容Cb的函数,其中Cb的作用是提高负载瞬态响应能力,也起到了为电路高频旁路的作用 。要想实现最佳瞬态响应,闭环回路带宽必须尽可能高,同时还要确保有足够相位余量,以保持稳定性。
电容太大,电压跌落小,响应慢;电容太小,电压跌落大,响应快。通常 Cb 在 4.7uf 到 47uf 之间,推荐 10-22uf。
静态电流(Iq)
静态电流(Quiescent Current)是外部负载电流为0时,LDO内部电路供电所需的电流。通常保持尽可能低的水平。如果是电池供电,对续航要求很高,一定要选择Iq低的LDO。
输入电流等于输出电流加静态功耗。在轻载时,IQ越小,效率就高。
一般LDO芯片的静态电流大小与其他性能成反关系,如低噪声,高电源电压抑制比,静态电流大。
噪声
噪声指LDO自身产生的噪声信号。只有高精度,低噪声电路上才需要关注这个参数。
输出电流
设计时预留50%的余量,实际运用过程中,输出电流的大小和输入输出电压都有关系;
输入电压
稳压器输入端可以输入的电压范围(注意输入电压需要降额80%考虑)。
输出电压
稳压器输出端的输出电压值,不要选有ADJ功能的,这样节省器件,降低干扰。
3.特性
输出自放电
LDO关闭后,负载电容上仍然后电量。在下次输出时,会因为电量,产生一个快速的Voltage Spike,对后级电路有破坏性。带自放电功能LDO能在LDO关闭输出后,泄放输出电容上的电量。
软启动
软启动有助于减小启动时的浪涌电流和提供上电顺序,在SS和地引脚之间连接一个小的陶瓷电容。
EN 信号也要有一定的电流才能驱动
上拉电阻不要太大,100K 以内基本没问题 。Start-up 时间是 IC 做死的,如果想要延时启动,最简单的办法是在 EN 上接一个大一些的电容到地,构成一个简单的 RC 电路。
假负载的作用
有的 LDO 芯片有最低负载电流的要求。如果低于最 低负载电流,可能会出现系统不稳定的情况。
反馈对地电阻
保证最小对地泄放电流通路,维持最小对地电流。
降噪电容【基准电压pin接个电容到地】
可用于过滤内部电压基准产生的噪声 (通常用 0.1uF 电容,退偶半径 2cm) 形成 RC 滤波,还可以让 LDO 上电变缓。减小上电时的浪涌冲击。
前馈电容
增加相位裕度改善负载瞬态响应。输出将减少振铃并更快稳定。
4.LDO和DCDC区别
LDO外围器件少,电路简单,成本低,负载响应快,输出纹波小;效率低,输入输出压差不能太大;只能降压;噪声小;分为可调和固定型;
DC-DC外围器件多,电路复杂,成本高;负载响应慢,输出纹波大;效率高,输入电压范围宽泛;支持降压和升压;输出电流高,功率大;开关噪声大。 一般都是可调型,通过FB反馈电阻调节;
本文详细介绍了LDO的工作原理,包括其作为稳压器的功能、控制模式、内部结构以及关键参数如压差、线性性和调整率。还对比了LDO与DC-DC转换器在器件复杂性、成本、效率等方面的特性。
4037

被折叠的 条评论
为什么被折叠?



