本文为2023年第七届全国大学生集成电路创新创业大赛(“集创赛”)国家集创中心杯二等奖作品分享,参加极术社区的【有奖征集】分享你的2023集创赛作品,秀出作品风采,分享2023集创赛作品扩大影响力,更有丰富电子礼品等你来领!
团队介绍
参赛单位:华中科技大学
队伍名称:模数转不动队
指导老师:陈晓飞、郑立新
参赛队员:贾勐勃、洪鑫、赖明宇
杯赛:国家集创中心杯
华中赛区奖项:一等奖
全国总决赛奖项:二等奖
写在前面
在第七届集成电路创新创业大赛中我们团队在国家集创中心杯的赛道中获得华中赛区一等奖,全国总决赛二等奖。
本赛道选取本科生较为熟悉的运算放大器为赛题设计对象,提供正版授权的华大九天EDA工具和公版PDK,配合系统化的赛题培训,通过整个赛题的实践过程全方位锻炼和提升学生芯片设计和验证的综合能力。以应用于数模混合信号芯片中的运算放大器为对象,完成芯片设计验证的全流程,包括运算放大器的电路和版图设计、设计阶段的前仿和后仿验证、以及对PDK的验证全流程实验。
本次集创赛的准备与比赛过程中,团队成员辛勤努力付出。成果的背后是一次次的架构试错与改进,是一番番版图颠覆与重绘,是一次次答辩模拟与准备,本次作品是三位成员的第一次模拟电路全流程设计,本次集创赛也是我们模拟IC设计赛道的出发尹始。
1设计简介
1.1模拟设计电路八边形法则
模拟电路设计前期就需要确定电路的参数指标,在电路设计过程中电路的各 个参数之间是相互关联的,有些参数之间是相互促进的,一个参数的优化会提升 另一个参数的性能;有些参数之间是相互制约的,一个参数的优化会导致另一个 参数性能的下降,很多时候需要在参数之间进行折中,如图2.3所示为模拟电路 设计八边形法则,法则指出了模拟设计中参数之间相互的联系,通过参考该法则 可以在电路设计过程中快速调整性能参数。

1.2设计指标与结果介绍
1.2.1前仿设计指标与设计要求对比

1.2.2工艺角仿真结果与设计要求对比

1.2.3蒙特卡洛仿真结果与设计要求对比

1.3本运算放大器整体设计
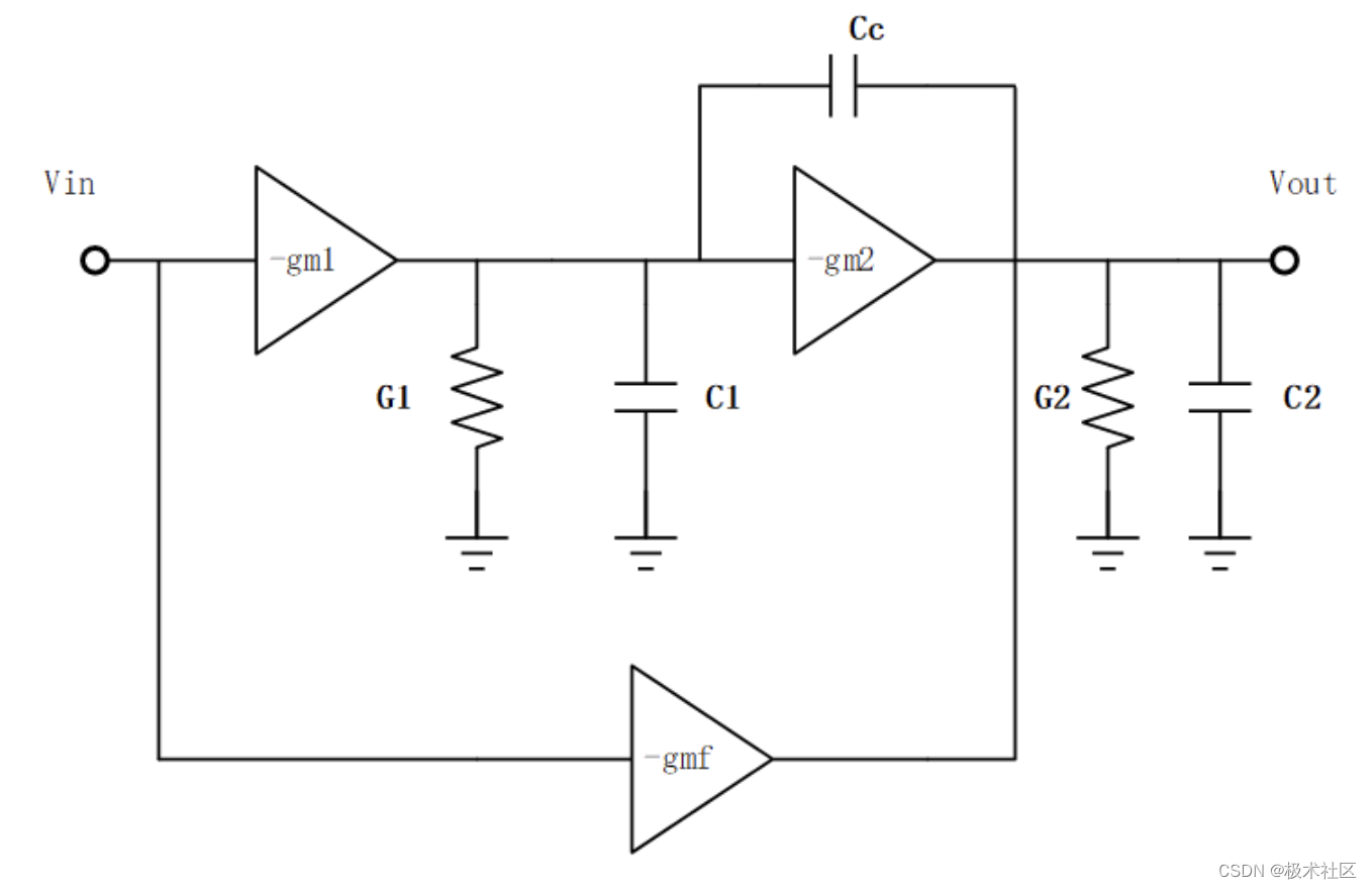
1.3.1结构级设计

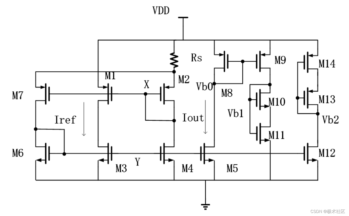
1.3.2电流源及偏置电路

1.3.3主体放大电路

1.3前后仿指标对比

2设计总结
将前仿真结果与后仿真结果罗列对比,结果显示,大部分参数前后仿真结果相差不大,部分参数存在误差,这是因为版图中存在的寄生器件参数使得运算放大器的性能发生了变化。这些寄生电容主要影响其相位裕度以及其带宽。总的来说,该运算放大器性能仿真的前后仿结果均较好地达到了设计指标的要求。
作品内容来源于模数转不动队,转载请标明出处。
参加极术社区的【有奖征集】分享你的2023集创赛作品,秀出作品风采,分享2023集创赛作品扩大影响力,更有丰富电子礼品等你来领!
更多集创赛分享作品请关注IC技术竞赛作品分享。
2万+

被折叠的 条评论
为什么被折叠?



