电路原理 第一讲
总结内容:
内容包括:KCL、KVL、戴维南定理、诺顿定理、结点法、回路法、阻抗电路分析、运算放大器及其组合、 一阶电路响应、正弦量、相量、交流功率分类与计算、谐振电路、自感与互感、三相电路的连接方式及分析、星三角转换、非正弦电路分析。
提示:本文章是本人结合所学的课程进行总结所写,如果大家感兴趣,直接从目录里找需要的看。本文很长,切忌一口气读完
文章目录
前言
简介:
2022年8月25日
大家好,从今天起,我将开始更新自上大学以来所学到的各种知识,之所以选择更新它们是因为最近我一直在收拾整理自己自上大学以来所收获到的各种知识,看着那厚厚一沓的书本心里不由得犯愁。如果我想找到特定的知识,那岂不是得翻到猴年马月。俗话说得好,下雨天打鞋子,闲着也是闲着,为此我设置一个专栏,将知识点一一分类总结,目的在于更好的整理所学的知识。
本人学艺不精,有一些知识点地方可能存在瑕疵,希望各位大佬可以多多指教。
2023年9月12日
这是到CQU上课的第二周,感觉上课难度非比寻常。算来算去,自上次更新博客已有接近一年的时间了,为了更好地适应CQU的生活,同时也为了更好地学习与生活,我琢磨着多少得加一点完善一下我的学习笔记,之后如果有时间,我会适当更新一些内容。
以下是本篇文章正文内容
第一章——基本电路原理及简单阻抗电路
一.电路基本概念
两个基本点:电路模型、电压、电流的参考方向
两类约束关系:基尔霍夫定律(拓扑约束)、元件特性(元件约束)

1.功率P的状态
如果电力线路中电压U和电流I皆是参考正方向即处于关联状态,若P>0,则该功率P为吸收功率,若P<0,则该功率P为递送功率。
如果电力线路中电压U和电流I不是参考正方向即处于非关联状态,若P>0,则该功率P为递送功率,若P<0,则该功率P为吸收功率。

2.电路元件分类
总的而言,可分为端口元件(二端口元件)、有源器件(电压源,电流源),线性器件,非线性器件,储能元件(L、C),耗能元件(R),独立源,非独立源(CCCS、CCVS、VCCS、VCVS)。
基本线性时不变元件:电阻、电感、电容、受控源、运放、耦合电感。以上在理想状态下皆为线性时不变元件
二.电路基本定律
1.基尔霍夫电流定律 KCL
KCL指该节点相关的电流的代数和应为0。通常我们定义流入该节点的为负,流出该节点的为正。
对于集中参数电路中的任何一个节点而言,在任一瞬时,流入该节点的电流与流出该节点的电流代数和应为0。
需注意:
①:流出或流入相对于参考方向而言
②:本式子仅适用于集中参数电路和正弦信号源电路
③:每项电流本身的正负取值表示该电流的实际方向与参考方向相同或相反
2.基尔霍夫电压定律 KVL
KVL指一个回路中电压的代数和应为0。通常我们将与参考方向相同的电压标为正,与参考方向相反的电压标为负。
对于集中参数电路中的任何一个节点而言,在任一瞬时,同一个回路内电压总和应为0。
需注意:本式子仅适用于集中参数电路和正弦信号源电路

集中参数电路即电路中不存在因空间位置变化、仅表征单一的电磁关系的电路。
三.等效转换
等效原则:端口的电压与电流保持不变。
1.阻抗等效转换
相信对于阻抗的串并联等效转换大家都非常的了解,在这里我就不一一赘述,我们主要以星、三角电阻的相互等效转换为主。
- 星型线路总电阻=三角形网络内该节点相邻两电阻之积/三角形网络内总电阻代数和。
- 三角形线路总电阻=星型网络内两两电阻的乘积之和/星型网络中不相邻的电阻。
(若三个电阻相等,三角形电路电阻=3*星型线路电阻)

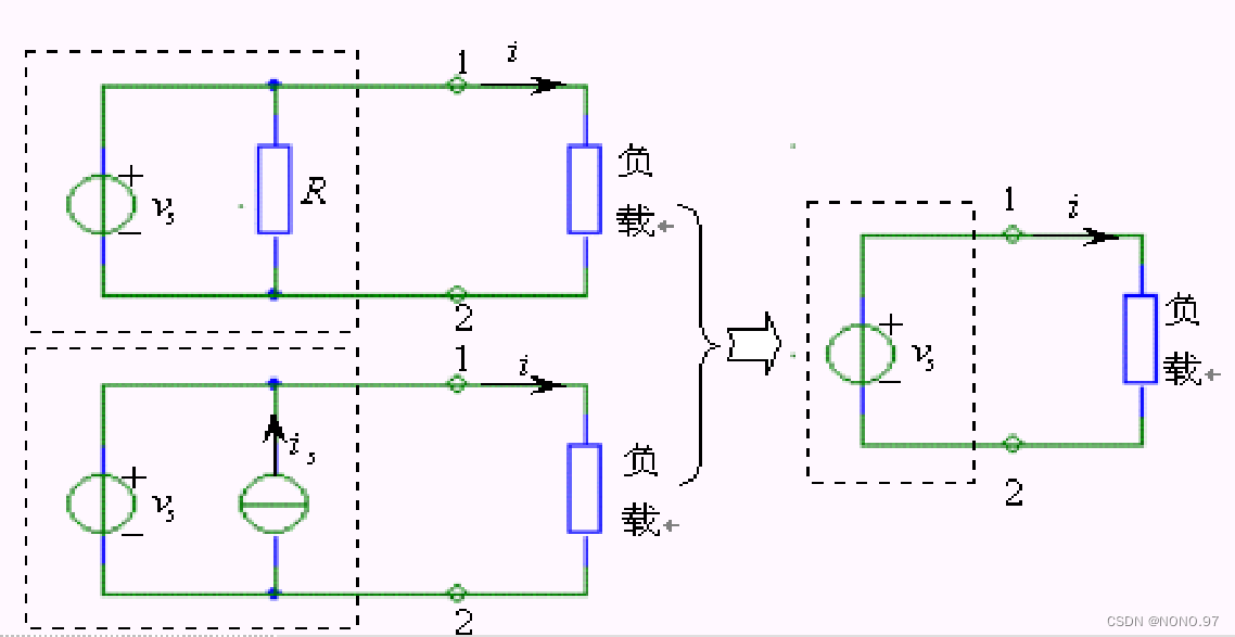
2.理想电源等效转换
- 理想电压源
理想电压源与任一支路相并联,对其外接电路而言,均可等效成一个电压源。其中多个电压相等的电源并联,线路两端电压不变,有利于高电源的带负载能力。

- 理想电流源
理想电流源与任一支路相串联,对其外接电路而言,均可等效成一个电流源。

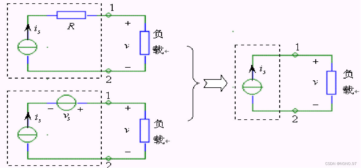
3.实际电源等效转换
- 实际电压源和实际电流源
端口电压随输出电流的变化而变化。

- 实际电压源和实际电流源之间的相互转换
对外电路而言,在端口处的电压、电流对应相等的条件下实际电压源与实际电流源作用相同。因此可以相互转换,应注意电压源与电流源间的参考方向

4.等效转换注意事项
- “对外等效,对内不等效”。
- 上述关于独立电压源、电流源的等效方法同样可以适用于受控源。
- 等效时应该保证被等效的部分电路不含有受控源的主控量。否则,不能进行等效变换简化,只能保持原电路图。
- 等效变换时,首先看有没有特殊组合,有的话先等效成一个理想电压源或理想电流源;然后进行实际电源的转换、电压源的串联、电流源的并联和电阻的串并联等效。
第二章——阻抗电路分析方法
一.结点法
实际上结点法的本质就是KCL。
1.结点方程的列写规律
①左边:自导(+)×结点电位(本结点)+互导(-)×相邻结点电位(其它结点)
自导为正,互导为负
②右边:流入该结点所有电流源电流代数和。
流入取“+”,流出取“-”
③公式:自导(+)×结点电位(本结点)+互导(-)×相邻结点电位(其它结点)= 电流源之和

2.特殊情况下的结点法
- 支路中含受控源:将其看为有源元件,带入方程右边求解。
- 支路中含电压源串电阻:采用等效变换的方法将其变为电流源并电阻。
- 支路中仅含理想电压源(无伴电压源):可采用增补电流法,参考节点法,超节点法。
(1)增补电流法:增设一个流过理想电压源的电流即将其看为额外电流源,并通过结点法列式相消计,该电压源电压可由首尾两结点电压降算得。

(2)参考节点法:将电压源支路两端中,其中一端的电位设为参考地电位,即0。并以此列结点方程,方程中另一结点的电压即为电压源电压。

(3)超节点法:将理想电压源忽略,看成一个大的结点,超级结点的电位为理想电压源电压,通过列些结点方程求解。

二.回路法
实际上回路法的本质就是KVL。

1.回路方程的列写规律
①左边:自阻×回路电流(本回路)+互阻×相邻回路电流(其它回路)
自阻为正,互阻的正、负取决于回路电流流过公共电阻时的一致性,一致则取“+”,否则取“-”。
②右边:回路内所有电压源电压代数和
与回路绕行方向一致取“-”,相反则取“+”。
③公式:自阻×回路电流(本回路)+互阻×相邻回路电流(其它回路)= 电压源之和

2.特殊情况下的回路法
- 支路中含受控源:将其看为有源元件,带入方程右边求解。
- 支路中含电流源并电阻:采用等效变换的方法将其变为电压源串电阻。
- 支路中仅含理想电流源:可采用增补电压法,电流源独立回路法,超级回路法。
(1)增补电压法:引入电流源电压,增加回路电流和电流源电流的关系方程。

(2)电流源独立回路法:选取某个回路,使理想电流源支路仅仅属于该回路,即该回路电流即电流源电流。

(3)超级回路法:避开含电流源支路,将含电流源支路假想的“移去”后,由原回路1,3拼合成超级回路,对超级回路列写KVL方程及附加方程,其它回路列回路方程。

三.叠加定理与齐次定理
1.叠加定理
对于包含有各种线性独立源的网络,网络内的任何电压、电流响应是各独立源单独作用所产生的响应的代数和。

需要注意的是:
- 仅适用于线性电路。
- 独立源单独作用,电路结构、

最低0.47元/天 解锁文章
1128

被折叠的 条评论
为什么被折叠?



