驱动器是指将电源输入转换为控制信号,控制电动机的转速和转向的电子元件.电动机是指将电能转换为机械能的装置.因此,电动机和驱动器都是电机控制系统中的重要组成部分,二者之间存在着密切的关系.

伺服驱动器:


Twincat Scope NC使用练习例子

修改目标控制器
设置驱动器


驱动模式选择:

将工作模式设为速度模式:

激活配置,设置位置环参数:





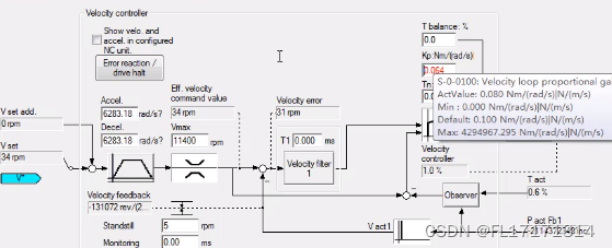
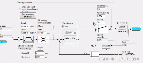
速度环增益Kp后,若电机出现啸叫声音则,Kp*0.8

速度响应曲线如下图所示:

因此,需要调节速度环积分:

开始给Tn一个比较大的数值30ms


Tn过小时,电机也会出现叫声,因此后面需要调节位置环


位置误差显示范围修改







——————————————————————————————————
带负载后的 PID 整定
零差云控的 eTunner调试软件(Windows)
支持eRob机器人关节的试运行,带负载后的PID整定、速度环调节、位置环调节
带负载后只需要整定速度环和位置环的 PID

速度环调节
1. 首先在示波器界面选择目标速度(限幅)、实际速度为观察源,采样时长为 1s,采样间
隔为 500us,以目标速度(限幅)作为触发源,触发条件为不等于 0 且触发位置选择在
0%,并点击“单次”按钮,使示波器处于“等待触发”状态:
激励速度一般设定为 524288/减速比, PID 在原有基础值上去调节,点击“激励速度”按钮;此时电机会抖动且示波器会进行 数据采集

先调整增益,波形在刚好超调一点,但是未出现过大的震荡,即可。然后调节积分,
积分数值一般不用给太高,适当消除震荡即可。最终波形应该接近图中波形。
调节完毕后,主界面点击“停止电机”按钮,然后在 PID 调节界面左下角点击“应用”
按钮,并在主界面中点击“保存”按钮用于将参数进行保存,以防止驱动器重启后还
原为原来参数。
位置环调节
1.
首先在示波器界面选择目标位置(限幅)、实际位置为观察源,采样时长为 1s,采样间
隔为 500us,以目标位置(限幅)作为触发源,触发条件为不等于 0 且触发位置选择在
0%,并点击“单次”按钮,使示波器处于“等待触发”状态,如下图所示:
2.
在子页面中选择好激励频率,推荐使用 2Hz,激励位置一般设置为 26212/减速比,PID
在原有基础值上去调节,点击“激励位置”按钮;此时电机会抖动且示波器会进行数
据采集。
调整增益,最终波形应该接近图中波形

调节完毕后,主界面点击“停止电机”按钮,然后在 PID 调节界面左下角点击“应用”
按钮,并在主界面中点击“保存”按钮用于将参数进行保存,以防止驱动器重启后还
原为原来参数。
https://www.zeroerr.cn/download/eRob.html?t=1687869041859
1万+

被折叠的 条评论
为什么被折叠?



