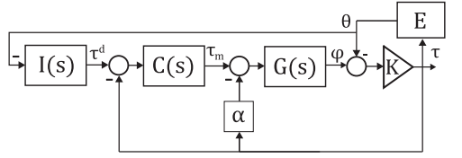
控制框图(也称为方块图或信号流图)是控制系统工程中常用的一种图形表示方法,用于描述系统中各个组件之间的关系以及信号流向。传递函数则是描述线性时不变系统动态特性的数学模型,通常用于分析和设计控制系统。



- 识别组件:首先,仔细查看控制框图,识别出图中的各个组件,如放大器、滤波器、加法器、积分器等。每个组件在传递函数中都有对应的数学表示。
- 确定信号流向:在控制框图中,箭头表示信号的流向。跟踪这些箭头,了解信号是如何从输入传递到输出的。这有助于你理解系统的动态行为。
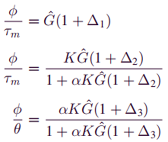
- 写出每个组件的传递函数:对于控制框图中的每个组件,根据其类型和参数写出对应的传递函数。例如,一个比例放大器可能具有形如K的传递函数,其中K是放大倍数;一个一阶低通滤波器可能具有形如1/(Ts+1)的传递函数,其中T是滤波器的时间常数。
- 组合传递函数:根据控制框图中的信号流向,将各个组件的传递函数组合起来。这通常涉及到串联、并联和反馈等连接方式。在串联连接中,将各个组件的传递函数相乘;在并联连接中,将各个组件的传递函数相加;在反馈连接中,需要根据反馈的类型(正反馈或负反馈)和连接方式(如单位反馈或内反馈)来适当修改传递函数。
- 化简传递函数:组合后的传递函数可能比较复杂,需要进行化简。利用代数方法,如因式分解、部分分式展开等,将传递函数化简为更易于分析和处理的形式。
- 验证传递函数:最后,通过与实际系统或模拟系统的响应进行比较,验证所得传递函数的正确性。
https://wenku.baidu.com/view/d34923152f3f5727a5e9856a561252d380eb2089.html?_wkts_=1720336271905&bdQuery=%E5%A6%82%E4%BD%95%E6%A0%B9%E6%8D%AE%E6%8E%A7%E5%88%B6%E6%A1%86%E5%9B%BE%E5%86%99%E4%BC%A0%E9%80%92%E5%87%BD%E6%95%B0
https://wenku.baidu.com/view/d34923152f3f5727a5e9856a561252d380eb2089.html?_wkts_=1720336271905&bdQuery=%E5%A6%82%E4%BD%95%E6%A0%B9%E6%8D%AE%E6%8E%A7%E5%88%B6%E6%A1%86%E5%9B%BE%E5%86%99%E4%BC%A0%E9%80%92%E5%87%BD%E6%95%B0第四讲 控制系统的方框图
https://www.zhihu.com/tardis/bd/art/127193008?source_id=1001
————————————————————————————————
20240716.14:36



2361

被折叠的 条评论
为什么被折叠?



