目录
3.2.3.1 4-bit Shift Register(shift4)
3.2.3.2 Left/right rotator(rotate100)
3.2.3.3 Left/right arithmetic shift by 1 or 8(shift18)
3.2.3.5 3-bit LFSR(Mt2015 lfsr)
3.2.3.7 shift register(Exams/m2014 q4k)
3.2.3.8 shift register(Exams/m2014 q4b)
3.2.3.9 3-input LUT(Exams/ece241 2013 q12)
前言
HDLbits网站如下
Problem sets - HDLBits (01xz.net)
从本期开始我们继续HDLbits第三章Circuits的学习,本期的内容是3.2.3 Shift Registers
3.2.3.1 4-bit Shift Register(shift4)
构建一个四位移位寄存器(右移),具有异步复位、同步置位和使能功能。
- areset:将移位寄存器复位为0
- load:用data[3:0]加载移位寄存器而不是进行移位
- ena:右移(q[3]变为0,q[0]移出并消失)
- q:移位寄存器的内容
如果load和ena同时有效(为1),则load具有更高优先级
Solution:
module top_module(
input clk,
input areset, // async active-high reset to zero
input load,
input ena,
input [3:0] data,
output reg [3:0] q);
always@(posedge clk,posedge areset)
begin
if(areset)
q<=4'd0;
else if(load)
q<=data;
else if(ena)
q<={1'b0,q[3:1]};
end
endmodule
分清优先级,areset>load>ena
3.2.3.2 Left/right rotator(rotate100)
构建一个100位左移/右移移位寄存器,带有同步置位和left/right 使能功能。本题中,移位寄存器不会舍弃也不会补0,而是循环移位。
- load:用data[99:0]加载移位寄存器而不是进行移位
- ena[1:0]:选择是否循环以及循环的方向 (2‘b01右移1bit,2’b10左移1bit,2‘b00和2’b11不进行循环)
- q:移位寄存器的内容
如果load和ena同时有效(为1),则load具有更高优先级
Solution:
module top_module(
input clk,
input load,
input [1:0] ena,
input [99:0] data,
output reg [99:0] q);
always@(posedge clk)
begin
if(load)
q<=data;
else
begin
case(ena)
2'b01:q<={q[0],q[99:1]};
2'b10:q<={q[98:0],q[99]};
default:q<=q;
endcase
end
end
endmodule
3.2.3.3 Left/right arithmetic shift by 1 or 8(shift18)
构建一个64位算术移位寄存器,带有同步置位功能。移位器可以向左和向右移动1位或者8位,由amount选择。
算术右移符号位保持不变,即将有符号数除以2的幂,而逻辑右移需要进行补零。
- load:用data[63:0]加载移位寄存器而不是进行移位
- ena:选择是否进行移位
- amount:2‘b00左移1位,2’b01左移8位,2‘b10右移1位,2’b11右移8位
- q:移位寄存器的内容
Hint:一个5位数11000算术右移1位是11100,而逻辑右移将会生成01100
类似地,01000 算术右移 1 位是 00100,逻辑右移会产生相同的结果,因为符号位是非负数。
Solution:
module top_module(
input clk,
input load,
input ena,
input [1:0] amount,
input [63:0] data,
output reg [63:0] q);
always@(posedge clk)
begin
if(load)
q<=data;
else if(ena)
begin
case(amount)
2'b00:q<={q[62:0],1'b0};
2'b01:q<={q[55:0],8'b0};
2'b10:q<={q[63],q[63:1]};
2'b11:q<={{8{q[63]}},q[63-:56]};
endcase
end
end
endmodule
3.2.3.4 5-bit LFSR(Lfsr5)
线性反馈移位寄存器通常带有几个异或门来产生移位寄存器的下一个状态。Galois LFSR 是一种特殊的结构,它将“tap”位与输出位进行异或以产生其下一个值。如果tap位仔细选择,可以使LFSR为最大长度。n位最大长度的LFSR在重复之前有2^n-1个状态(其中全0状态无法达到)。
下图显示了一个 5 位最大长度 Galois LFSR,其tap位于第5位和第3位。(tap通常从 1 开始编号)。请注意,为了一致性,我在第5位绘制了 XOR 门,但 XOR 门输入之一是 0。
reset将LFSR复位为1.
Hint:从 1 开始的前几个状态是 00001, 10100, 01010, 00101, ... LFSR 在返回到 00001 之前应该循环通过 31 个状态。
Solution:
module top_module(
input clk,
input reset, // Active-high synchronous reset to 5'h1
output [4:0] q
);
always@(posedge clk)
begin
if(reset)
q<=5'h1;
else
q<={q[0]^1'b0,q[4],q[3]^q[0],q[2],q[1]};
end
endmodule
3.2.3.5 3-bit LFSR(Mt2015 lfsr)

为这个时序电路编写Verilog代码(可以有子模块,但顶层必须命名为top_module)。假设您要在 DE1-SoC 板上实现电路。将 R 输入连接到 SW 开关,将Clock连接到 KEY[0],将 L 连接到 KEY[1]。将 Q 输出连接到红灯 LEDR。
该电路是线性反馈移位寄存器 (LFSR) 的一个示例。最大周期 LFSR 可用于生成伪随机数,因为它在重复之前循环2^n-1个组合。全零组合不会出现在此序列中。
Solution:
module top_module (
input [2:0] SW, // R
input [1:0] KEY, // L and clk
output [2:0] LEDR); // Q
always@(posedge KEY[0])
begin
LEDR[2]<=KEY[1]?SW[2]:(LEDR[2]^LEDR[1]);
LEDR[1]<=KEY[1]?SW[1]:LEDR[0];
LEDR[0]<=KEY[1]?SW[0]:LEDR[2];
end
endmodule
3.2.3.6 32-bit LFSR(Lfsr32)
构建一个32位Galois LFSR,其中32、22、2、1位有tap
这题足够长,您需要使用向量,而不是 DFF 的 32 个实例化。
Solution:
module top_module(
input clk,
input reset, // Active-high synchronous reset to 32'h1
output [31:0] q
);
reg[31:0]q_next;
always@(*)
begin
q_next=q[31:1];
q_next[31]=q[0]^1'b0;
q_next[21]=q[0]^q[22];
q_next[1]=q[0]^q[2];
q_next[0]=q[0]^q[1];
end
always@(posedge clk)
begin
if(reset)
q<=32'h1;
else
q<=q_next;
end
endmodule
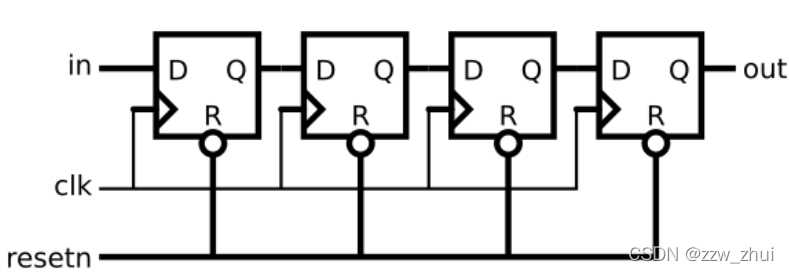
3.2.3.7 shift register(Exams/m2014 q4k)
实现以下电路:

Solution:
module top_module (
input clk,
input resetn,
input in,
output out
);
reg [3:0] sr;
// Create a shift register named sr. It shifts in "in".
always @(posedge clk) begin
if (~resetn) // Synchronous active-low reset
sr <= 0;
else
sr <= {sr[2:0], in};
end
assign out = sr[3]; // Output the final bit (sr[3])
endmodule
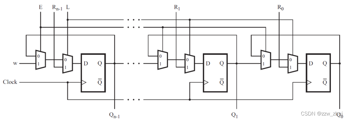
3.2.3.8 shift register(Exams/m2014 q4b)
考虑如下n-bit移位寄存器电路:

为移位寄存器编写一个顶层 Verilog 模块(名为 top_module),假设 n = 4。在顶层模块中实例化 MUXDFF 子电路的四个副本。假设您要在 DE2 板上实现电路。
- 将R输入连接到SW开关
- clk连接到KEY[0]
- E连接到KEY[1]
- L连接到KEY[2]
- w连接到KEY[3]
- 输入连接到红灯LEDR[3:0]
(重复使用来自Exams/2014 q4a - HDLBits的 MUXDFF。)
Solution:
module top_module (
input [3:0] SW,
input [3:0] KEY,
output [3:0] LEDR
); //
MUXDFF DFF3(KEY[0],KEY[3],SW[3],KEY[1],KEY[2],LEDR[3]);
MUXDFF DFF2(KEY[0],LEDR[3],SW[2],KEY[1],KEY[2],LEDR[2]);
MUXDFF DFF1(KEY[0],LEDR[2],SW[1],KEY[1],KEY[2],LEDR[1]);
MUXDFF DFF0(KEY[0],LEDR[1],SW[0],KEY[1],KEY[2],LEDR[0]);
endmodule
module MUXDFF (
input clk,
input w, R, E, L,
output Q
);
wire temp1,temp2;
assign temp1=(E?w:Q);
assign temp2=(L?R:temp1);
always@(posedge clk)
begin
Q<=temp2;
end
endmodule
3.2.3.9 3-input LUT(Exams/ece241 2013 q12)
在这个问题中,您将为 8x1 存储器设计一个电路,其中写入存储器是通过移入位来完成的,而读取是“随机访问”,就像在典型的 RAM 中一样。然后,您将使用该电路来实现 3 输入逻辑功能。
首先,用8个D触发器构建一个8位移位寄存器。标记来自 Q[0]...Q[7] 的触发器输出。移位寄存器输入应称为 S,它提供 Q[0] 的输入(MSB 首先移入)。enable使能输入控制是否移位。然后,将电路扩展为具有 3 个附加输入 A、B、C 和一个输出 Z。电路的行为应该如下:当ABC为000时,Z=Q[0],当ABC为001时,Z=Q[1],依此类推。您的电路应仅包含 8 位移位寄存器和多路复用器。 (另外:该电路称为 3 输入查找表 (LUT))。
Solution:
module top_module (
input clk,
input enable,
input S,
input A, B, C,
output reg Z
);
reg [7:0] q;
// 构建一个8选1数据选择器,有很多方式来写,比如组合逻辑块中的case语句
assign Z = q[ {A, B, C} ];
// 当使能时,左移1位,舍弃q[7],移入S
always @(posedge clk) begin
if (enable)
q <= {q[6:0], S};
end
endmodule
学到了新的表达
assign Z = q[ {A, B, C} ];
LUT很重要,在FPGA中用来代替门电路
1万+

被折叠的 条评论
为什么被折叠?



