最近,想捣鼓捣鼓显示屏,本来想试着把TFT移植到32,试了好久不行,因为我太菜了。所以想着先从OLED开始,因为之前移植成功过。但是想深入了解一下,就细看了一下工程的底层代码。下面我写一下我的体会,如有不对的地方请批评指正。
首先,对于显示屏来说,我觉得归根结底就两个方面,一个是写指令,一个是写数据(这个概念应该要有)。至于什么是写指令,什么是写数据。你在纸上写字,第一步应该要想写在哪个地方对吧,第二步再写字。所以简单来说,写指令就像是第一步,把你想写的位置告诉显示屏的芯片。学数据是第二步写字的过程,把要写的数据告诉显示屏的芯片。当然写指令还有着其他的意义。这就要具体对照数据手册来看了。
OLED_WR_Byte(0xAE,OLED_CMD);//--turn off oled panel
OLED_WR_Byte(0x00,OLED_CMD);//---set low column address
OLED_WR_Byte(0x10,OLED_CMD);//---set high column address
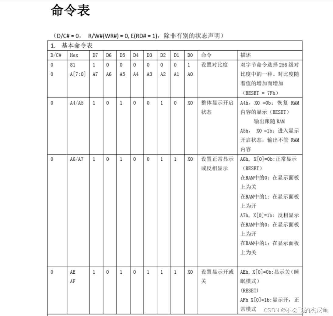
比如上述三行代码,是我从OLED初始化函数中截出来的,就是写命令的例子,把后面注释翻译过来便是本条指令的意义。下面便是SSD1306手册中的基本指令表,最后一行我们可以找到0xAE,所表示的意义和注释中的一样,这便是写命令的意义。
</

本文作者分享了尝试移植TFT显示屏到32位系统未果后,转而研究OLED显示屏的过程。他们深入理解了显示屏的写指令和写数据原理,并详细解释了OLED的3线SPI通信方式。通过软件模拟SPI,作者展示了如何通过GPIO引脚控制OLED的写命令和数据。文章还提供了初始化函数的示例代码,帮助读者理解显示屏驱动的实现。
最低0.47元/天 解锁文章
2万+

被折叠的 条评论
为什么被折叠?



