背景
在光伏逆变应用场景,如果负载对功率的需求比较高,单一的逆变器可能满足不了用户的需求,需要多个逆变器并联,共同为负载提供能量。但是由于在逆变器共同启动的时候会造成比较大的冲击电流,在工程上一般会异步启动两台逆变器,先由一台逆变器为负载提供能量,然后另一台进行并联,输送能量。
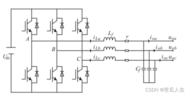
逆变器拓扑
实现方法
并网的两个基本条件是输出电压相位相等和幅值相等。当两台逆变器异步启动,各自输出电压幅值和相位可能是不相同的,强行并网,对两台设备都会有比较大的损害。所以需要在与同步环节实现逆变器输出电压的幅值和相位相等。
相位调节
要想实现相位的同步,基础就是能够获取主网或者主逆变器的相位,这样才能够调节另一台设备的相位,进而满足并网的条件。
通过单同步坐标系的方法进行锁相,获取先启动逆变器的角频率,积分后得到角度。
主要过程如下所述依据单同步坐标系锁相的原理,通过坐标变换得到逆变器输出电压的dq轴分量,如果相位一致的的话,d轴与输出电压的参考向量同方向,q轴分量为零。将q轴分量与0做差后,进行PI运算,得到角频率和目标角频率相加后,积分可以得到角度。
输出电压幅值调节
当第一台逆变器输出端有电压时,说明第一台已经开始工作,这时候对第一台逆变器的输出电压进行采集,获取幅值,经过dq变换之后,作为后一台逆变器的目标值,等到系统稳定后再进行功率调节。
297

被折叠的 条评论
为什么被折叠?



