一、功能描述
只外加直流电压,不加任何交流信号的情况下,通过方波发生电路可以产生方波。
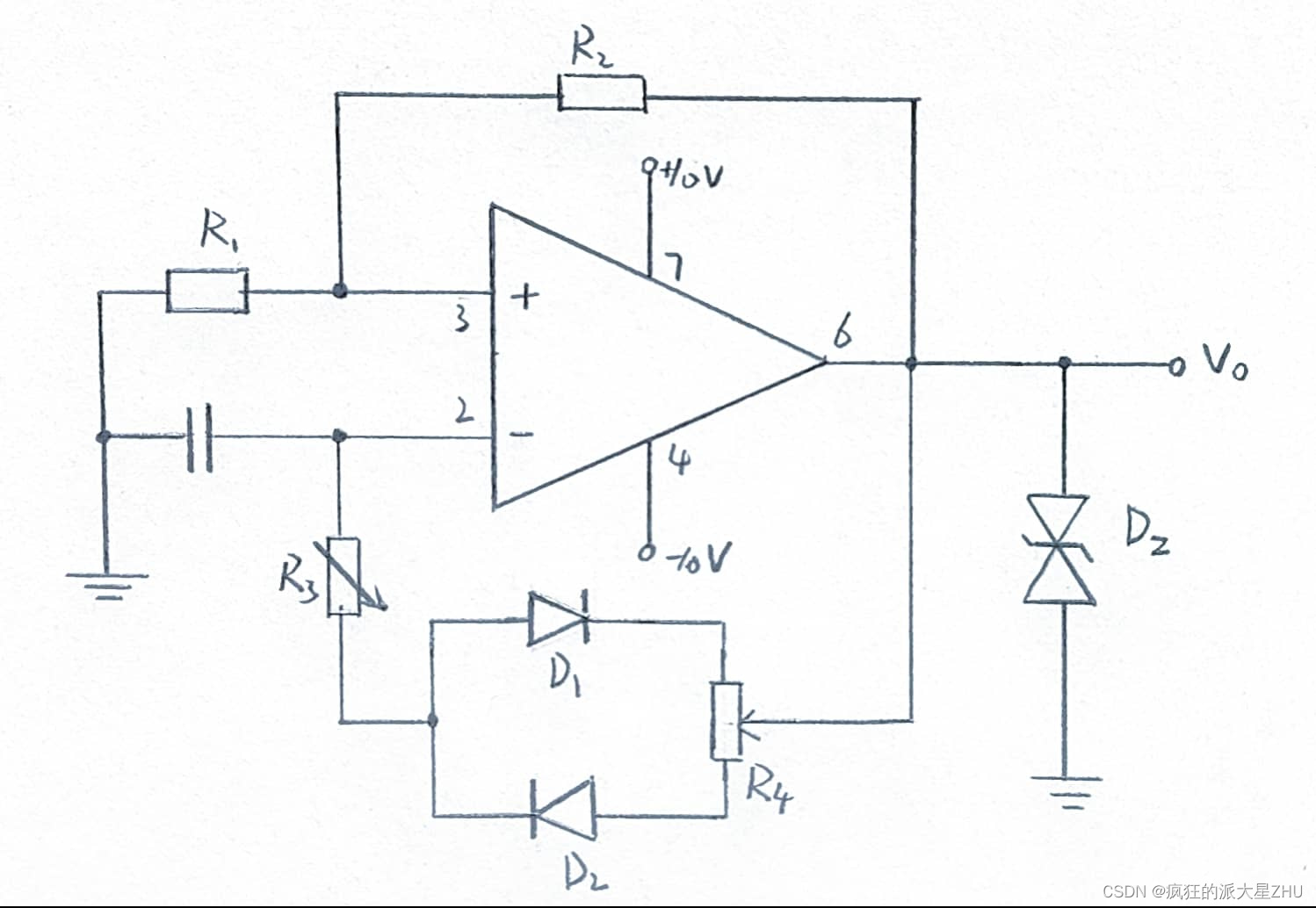
二、原理概述
1、电路分析

方波发生电路由滞回比较电路和RC定时电路组成。
2、工作原理
上门限电压VT+ = Vom
下门限电压VT- = - Vom
由于稳压管DZ的限制,输出电压只能为+VZ或-VZ(VZ是稳压二极管的稳定电压),故Vom = VZ 。电容两端电压和输出电压如下图所示。

Vc波形图

Vo波形图
(1)设Vo=+Vom 则V+=VT+ ,此时电容充电,Vc增大,设Vc初始值为0,由电路可知V-=Vc 。当Vc<VT+时,V-<V+ ,Vo保持+Vom不变。Vc继续增大,一旦Vc>VT+ ,即V->V+ ,Vo立刻从+Vom变为-Vom 。
(2)当Vo=-Vom 时,V+=VT- ,此时电容经输出端放电,然后反向充电,此过程中Vo保持-Vom不变,直到Vc达到VT-时,Vo立刻从-Vom变为+Vom 。
3、占空比的调节
二极管D1、D2的单向导电性使电容充电放电回路不同,当滑动变阻器滑动端处于中间时,与D1、D2串联的电阻阻值相同,电容充放电的时间常数相同,所以得到的方波是正负半周宽度相等的对称方波。移动滑动变阻器会使电容充放电时间常数不同,得到的输出波形上下宽窄不同。若充电时间常数小于放电时间常数,则输出波形上窄下宽,若充电时间常数大于放电时间常数,则输出波形上宽下窄。
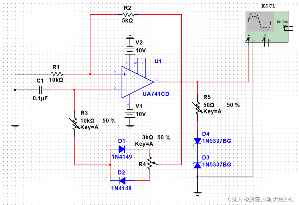
三、仿真分析
仿真电路如下图所示

- 调节频率
调节滑动变阻器R3阻值可以改变输出信号频率。
(1)滑动变阻器调节到0%即R3=0时如下图。

测得T=649.189us,故此时频率f=1/T=1540Hz
(2)滑动变阻器调节到100%即R3=10kΩ时如下图。

测得T=4.519ms,故此时频率f=1/T=221Hz
由上述结果可知此电路输出信号频率范围为221Hz∽1540Hz
(3)移动滑动变阻器滑动端,找到f=1KHz即T=1ms的点。

当R3调节到10%即R3=1kΩ时,输出信号如上图所示,T接近1ms,频率最接近1KHz。
2、调节占空比
连续调节R4可以连续改变占空比。
(1)R4调节到0%时输出信号如下图,此时输出波形上宽下窄。

(2)R4调节到33%时输出信号如下图,此时输出波形上宽下窄。

(3)R4调节到50%时输出信号如下图,此时输出波形上下宽窄相同,波形对称。

(4)R4调节到100%时输出信号如下图,此时输出波形上窄下宽。

3、调节输出信号幅度
稳压二极管稳定电压小于5v,调节R5阻值,可以增大Vom,调节R5阻值,当R5=3.5Ω时Vom恰好最接近5v。
(1)调节R5阻值,当R5=3.5Ω时Vom恰好最接近5v。

(2)R5=25Ω时输出信号如下,Vom增大,此时Vom=5.46v。

(3)R5=50Ω时输出信号如下,Vom继续增大,此时Vom=6v。

四、总结
通过本次实验,我对方波发生器的原理有了清楚的认识,并在设计电路时了解了每个元件的作用,以及每个元件对输出信号的影响。最后通过仿真验证设计的电路,并对电路进行调整,为了方便调整输出信号幅值、占空比和频率,我将几个对应的电阻改变成滑动变阻器,在验证时更加方便。为了使输出幅度最接近5v,在仿真时并没有使用5.1v的稳压管,而是替换成4.7v的稳压管,然后串联一个滑动变阻器。通过整个实验过程,我学会了设计及分析电路的方法,并且学会了Multisim的基本使用方法。

被折叠的 条评论
为什么被折叠?



