实验目的
学习用触发器构成移位寄存器的原理,了解累加器工作原理。
实验原理
数据的存储和移动是对数字信号的一种常见操作,能实现这种操作的器件有数据寄存器和移位寄存器,它们同计数器一样是数字电路中不可缺少的时序逻辑器件。
触发器具有存储信息的功能,利用这一特点,将四D
触发器
7417链型连接,构成一个四位的串行移位寄存器。一个时钟脉冲可以将数据向右或者向左移动一位,经过四个时钟脉冲,就可以将一个四位二进制数存储在74175构成的寄存器中,
74175
管脚图如图
1
所示,构成的移位寄存器逻辑图如图2
所示。
图
1
四
D
触发器
74175管脚图 图
2 74175
构成四位移位寄存器
74194
是一个双向移位寄存器,并且可以并行输入,其管脚图如图3所示。其中
A~D
为并行输入端,
QA~QD
为并行输出端,
CLOCK
为时钟输入端,CLEAR
为异步清零端,
SHIFT RIGHT SERIAL INPUT
为串行右移输入端,SHIFT LEFT SERIAL INPUT
为串行左移输入端,S0、
S1
为工作模式控制端,通过设置
S0
和
S1
,可以使其工作在保持(S0=0
,
S1=0
)、串行左移(
S0=0
,
S1=1
)、串行右移(
S0=1
,S1=0)或并行(
S0=1
,
S1=1
)输入输出状态。
图
3 74194
管脚图
串行累加电路结构简单,运算由低位开始,两个最低位相加产生和与进位,当次低位相加时要考虑最低位的进位,所以用D
触发器7474来存放进位,全加器电路如图
5
所示。
利用
74175
构成的移位寄存器和
74194
作两个四位的移位寄存器,经过全加器将两个寄存器连接起来构成一个系统,数据先进入低四位寄存器,然后经全加器和高四位(为0
)相加后进入高四位,这时候低四位存储了新的四位二进制数,再经过四个时钟脉冲后,和高四位的四位二进制数相加,并将结果存储在高四位寄存器中。
图5
全加器逻辑图
实验内容
1
、将四
D
触发器
74175
连接成串行移位寄存器,并调试其正常工作。
2
、熟悉双向移位寄存器
74194
的功能,并调试使其正常工作。
3
、搭建全加器电路,并将进位寄存器
7474
添加进来,调试电路使其可以正常工作。
4
、将移位寄存器和全加器连接起来构成一个移位寄存和串行累加系统,调试电路使其可以正常工作。
5
、完成
1010+0011=1101
的加法运算。

仿真分析
1、将四D触发器74175连接成串行移位寄存器,并调试其正常工作。

2、熟悉双向移位寄存器74194的功能,并调试使其正常工作。
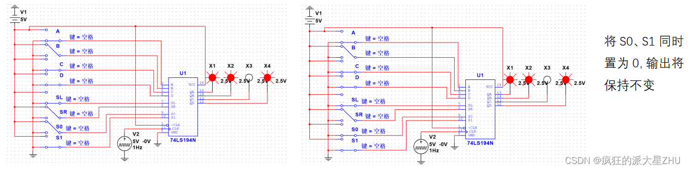
(1)保持(S0=0,S1=0)

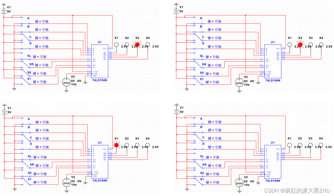
(2)串行左移(S0=0,S1=1)
①LEFT=1

②LEFT=0

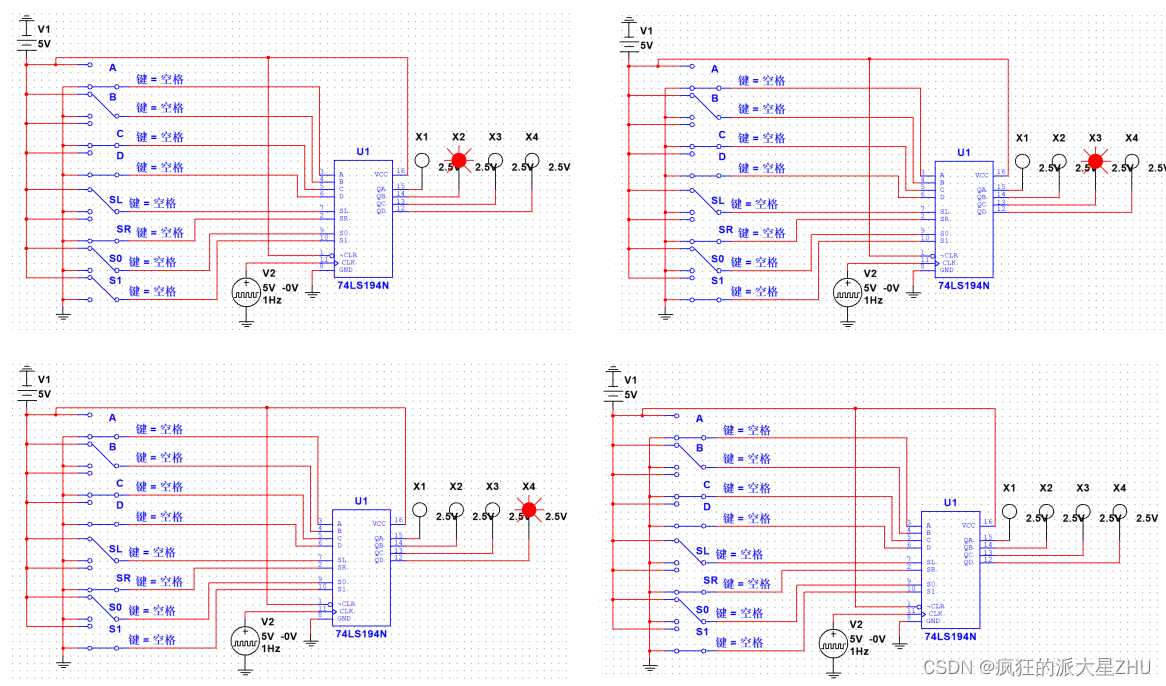
(3)串行右移(S0=1,S1=0)
①RIGHT=1

②RIGHT=0

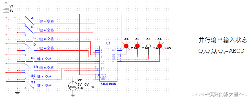
(4)并行(S0=1,S1=1)

3、搭建全加器电路,并将进位寄存器7474添加进来,调试电路使其可以正常工作。

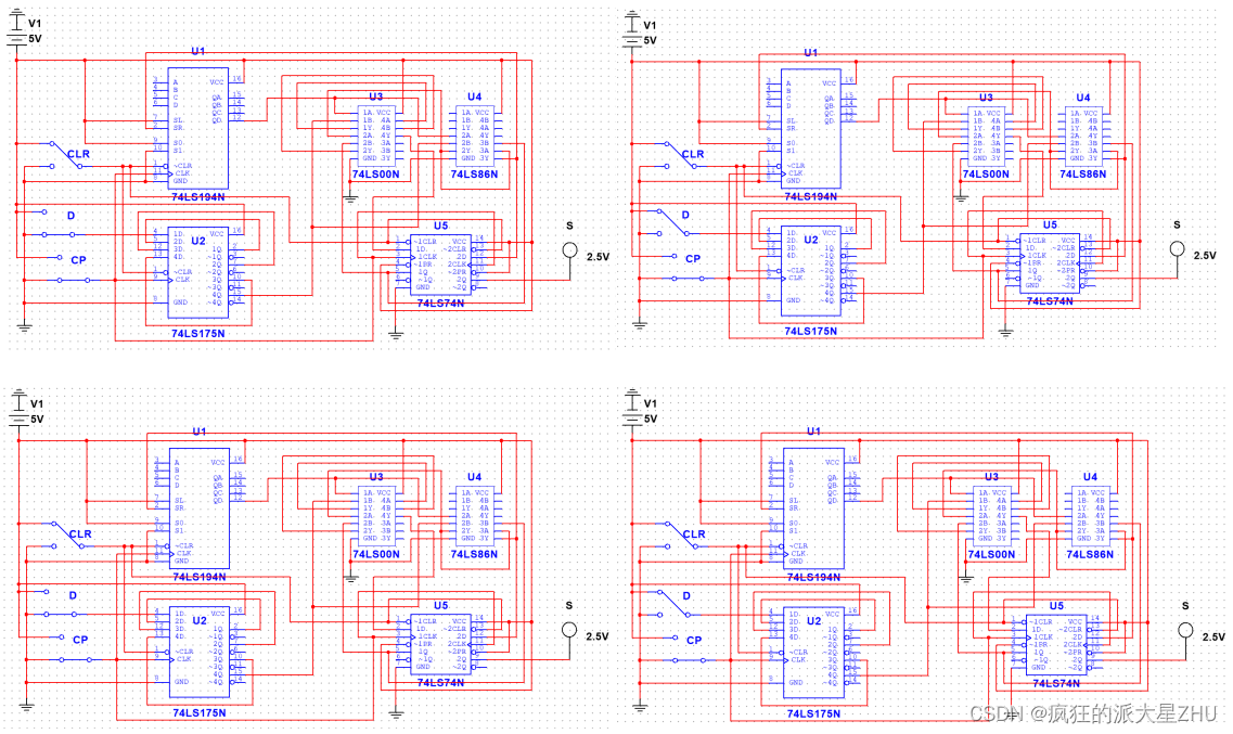
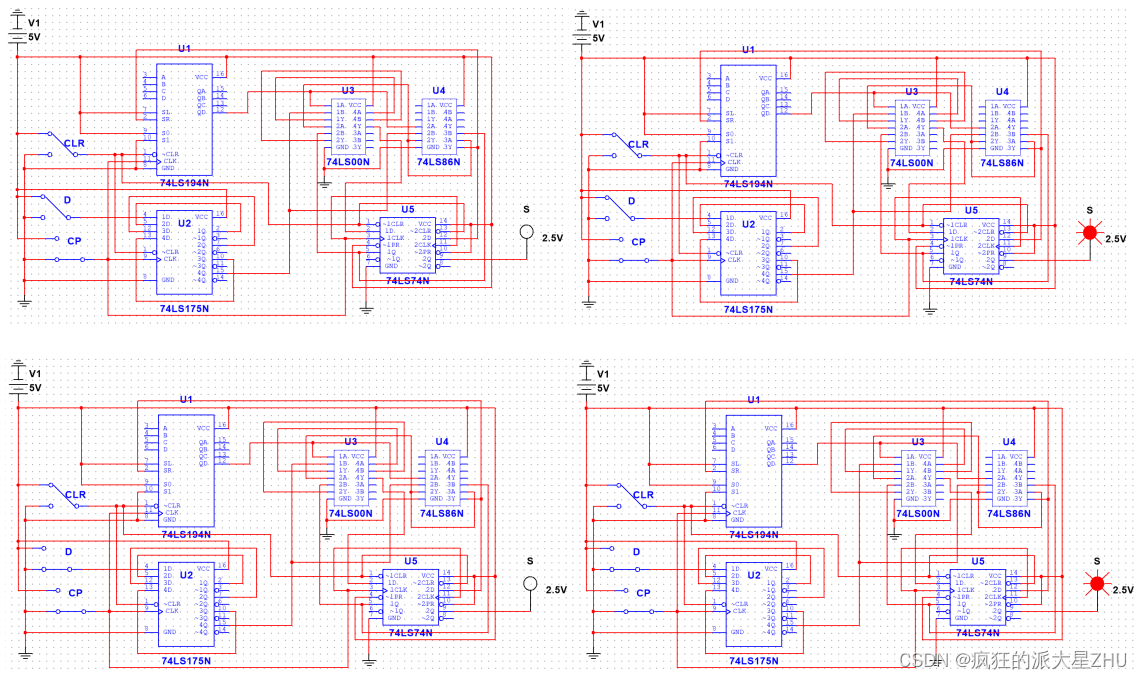
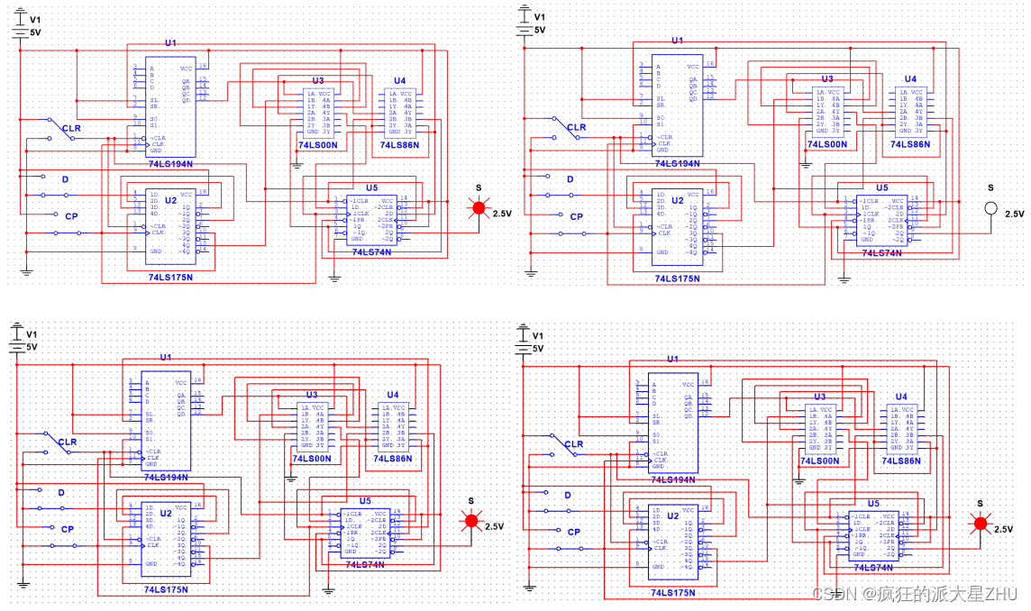
4、将移位寄存器和全加器连接起来构成一个移位寄存和串行累加系统,调试电路使其可以正常工作。完成1010+0011=1101的加法运算。
清零
串行输入0101:

串行输入1100:

按键四次输出结果1011(1010+0011输出结果1101):

2287

被折叠的 条评论
为什么被折叠?



