社区吹嘘猿
码龄3年
关注
提问 私信
  • 博客:42,417
    42,417
    总访问量
  • 19
    原创
  • 281,370
    排名
  • 266
    粉丝
  • 0
    铁粉
  • 学习成就

个人简介:电子爱好者

IP属地以运营商信息为准,境内显示到省(区、市),境外显示到国家(地区)
IP 属地:广东省
  • 毕业院校: 广州软件学院
  • 加入CSDN时间: 2021-12-15
博客简介:

全社区最菜的博客

查看详细资料
  • 原力等级
    成就
    当前等级
    3
    当前总分
    272
    当月
    8
个人成就
  • 获得313次点赞
  • 内容获得5次评论
  • 获得449次收藏
  • 代码片获得518次分享
创作历程
  • 13篇
    2024年
  • 6篇
    2023年
成就勋章
TA的专栏
  • 硬件学习
    1篇
  • 电源电路学习笔记
    3篇
兴趣领域 设置
  • 嵌入式
    单片机stm32物联网
创作活动更多

HarmonyOS开发者社区有奖征文来啦!

用文字记录下您与HarmonyOS的故事。参与活动,还有机会赢奖,快来加入我们吧!

0人参与 去创作
  • 最近
  • 文章
  • 代码仓
  • 资源
  • 问答
  • 帖子
  • 视频
  • 课程
  • 关注/订阅/互动
  • 收藏
搜TA的内容
搜索 取消

STM32F103学习笔记(七) PWR电源管理(应用篇)

基于stm32f103c8t6标准库函数版本的PWR的学习,代码是配置开启PVD、睡眠、停止、待机模式
原创
发布博客 2024.02.22 ·
1469 阅读 ·
23 点赞 ·
3 评论 ·
26 收藏

STM32F103学习笔记(七) PWR电源管理(原理篇)

PWR(Power)模块是STM32F103系列微控制器中的一个重要组成部分,负责管理芯片的供电和电源控制。简单来说,PWR的目的是实现低功耗运行,从而延长电池寿命,提高系统稳定性和可靠性。
原创
发布博客 2024.02.22 ·
5596 阅读 ·
17 点赞 ·
0 评论 ·
32 收藏

STM32F103学习笔记(六) RTC实时时钟(应用篇)

本节我们将利用RTC实现一个时钟显示的功能,通过读取时间戳来获取当前时间(主供电断开依然可以由备用电池供电,故主供电断开依然可以记时),本程序可以通过动态传参的方法来配置当前的初始时间。
原创
发布博客 2024.02.21 ·
4643 阅读 ·
46 点赞 ·
0 评论 ·
49 收藏

STM32F103学习笔记(六) RTC实时时钟(原理篇)

实时时钟(RTC)是嵌入式系统中的一种重要组件,在嵌入式系统中,RTC的应用非常广泛。它被用于记录事件的时间戳、执行定时任务、调度系统操作等等。比如,您可能在计时器中使用RTC来定时执行某个任务,或者在数据记录应用中使用它来标记数据的时间戳。
原创
发布博客 2024.02.21 ·
3824 阅读 ·
13 点赞 ·
0 评论 ·
32 收藏

STM32F103学习笔记(五)BKP备份寄存器(应用篇)

在应用实例代码中,我们实现了数据的备份和恢复功能。在开始使用BKP模块之前,需要先使能BKP时钟和模块。这通常涉及到对相应的寄存器进行配置,以确保BKP模块能够正常工作。在STM32F103系列微控制器中,可以通过设置相关的时钟控制寄存器来使能BKP时钟,然后通过设置相应的使能位来使能BKP模块。希望能对项目开发提供参考。
原创
发布博客 2024.02.19 ·
1692 阅读 ·
22 点赞 ·
0 评论 ·
22 收藏

STM32F103学习笔记(五) BKP备份寄存器(原理篇)

BKP(备份寄存器)是STM32F103系列微控制器中的一个重要功能模块,它的作用就像是给微控制器备份一个“记忆”。备份寄存器可以帮助我们在系统重启后快速恢复之前的状态,确保系统的稳定性和可靠性。
原创
发布博客 2024.02.19 ·
3521 阅读 ·
16 点赞 ·
0 评论 ·
39 收藏

STM32F103学习笔记(四) ADC模数转换(应用篇)

ADC模数转换是嵌入式系统中常用的功能模块,它可以将模拟信号转换为数字信号,以便微控制器进行处理和分析。由于我常用的adc需求比较简单通用,故将基本的配置参数固定到了函数内部,无法通过函数参数去方便的调整细节,在使用时要注意参数是否符合项目要求并进行对应的更改。通过合理配置和使用ADC模块,我们可以实现对不同模拟信号的精确采集和处理,从而满足各种应用需求。
原创
发布博客 2024.02.17 ·
1718 阅读 ·
22 点赞 ·
0 评论 ·
35 收藏

STM32F103学习笔记(四)ADC模数转换(原理篇)

ADC(Analog-to-Digital Converter)模数转换器是一种将模拟信号转换为数字信号的电路或设备。在嵌入式系统中,ADC模块通常用于将外部的模拟信号(如温度、光强、电压等)转换为数字数据,以便微控制器进行处理和分析。ADC模块的性能直接影响到系统的测量精度和数据采集速度。例如,在温度监测系统中,ADC的精度决定了温度测量的准确性,而采样速率决定了系统对温度变化的响应速度。ADC模块的工作原理是将连续的模拟信号转换为离散的数字信号。这个过程包括信号采样、保持、量化和编码等步骤。
原创
发布博客 2024.02.17 ·
1947 阅读 ·
27 点赞 ·
0 评论 ·
27 收藏

STM32F103学习笔记(三) 外部中断(应用篇)

通过这篇学习笔记,我对外部中断的基础配置进行了学习。并总结了开启所有外部中断的函数,通过简单的配置函数参数即可选定开启的外部中断通道
原创
发布博客 2024.02.17 ·
2138 阅读 ·
29 点赞 ·
0 评论 ·
25 收藏

STM32F103学习笔记(三) 外部中断(原理篇)

外部中断在嵌入式系统中扮演着相当重要的角色,特别是对于需要实时响应外部事件的应用来说,比如按键输入、传感器触发等等。可以利用外部中断来检测到障碍物传感器发出的信号,然后迅速作出反应。当外部事件发生时,它会立即通知我们的微控制器。然后我们的程序就会根据这个信息来做出相应的处理,非常方便实用。
原创
发布博客 2024.02.17 ·
1801 阅读 ·
26 点赞 ·
0 评论 ·
23 收藏

STM32F103学习笔记(二) 定时器(应用篇)

这篇学习笔记代码量较多,从多个角度去理解定时器的应用,并尽力撰写在笔记的中,文章包含16路PWM信号的初始化代码,以及定时器中断时间可选函数,最后是4个定时器的编码器模式初始化
原创
发布博客 2024.01.30 ·
1918 阅读 ·
23 点赞 ·
0 评论 ·
25 收藏

立创EDA设计项目分享(ST-Link V2.1)

ST-LINK是STMicroelectronics(意法半导体)为调试和编程STM8和STM32单片机而开发的硬件设备,也是我在嵌入式开发领域中不可或缺的利器。从其诞生到如今,ST-LINK已经经历了三代产品的演变:V1、V2和V3。ST-LINK V1作为较老的版本已经停产,市面上已经很少见到,基本被V2版本取代。而ST-LINK V2是目前主流的版本,从2011年诞生至今,其通信速率得到了显著提升。
原创
发布博客 2024.01.25 ·
1410 阅读 ·
17 点赞 ·
0 评论 ·
25 收藏

STM32F103学习笔记(二) 定时器(原理篇)

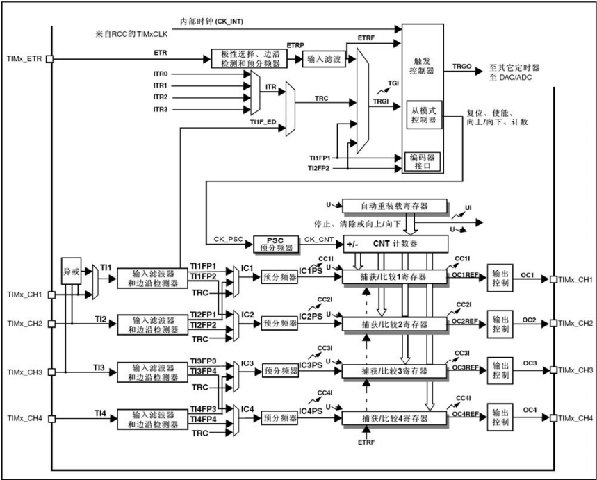
定时器是STM32微控制器系列的核心组件,通过其精准的时间测量和多功能的应用,实现了广泛的应用领域。从精确的时间测量到PWM信号生成、输入捕获和输出比较,再到定时中断的周期性任务执行,定时器展现了出色的灵活性和可配置性。在实际工程中,充分理解定时器的性能考虑,包括时钟源选择、预分频器设置和中断优先级配置,是确保系统稳定性和准确性的关键因素。以STM32F103系列单片机的通用定时器为例,框图如下。
原创
发布博客 2024.01.14 ·
1582 阅读 ·
16 点赞 ·
0 评论 ·
28 收藏

电源电路学习笔记--桥式整流电路(内附proteus仿真)

桥式整流电路(内附proteus仿真)
原创
发布博客 2023.08.09 ·
2452 阅读 ·
5 点赞 ·
1 评论 ·
15 收藏

电源电路学习笔记--全波整流电路(内附proteus仿真)

全波整流电路(内附proteus仿真)
原创
发布博客 2023.08.09 ·
1999 阅读 ·
0 点赞 ·
1 评论 ·
4 收藏

电源电路学习笔记--半波整流电路(内附proteus仿真)

半波整流电路(内附proteus仿真)
原创
发布博客 2023.08.09 ·
1285 阅读 ·
0 点赞 ·
0 评论 ·
4 收藏

电源电路学习笔记--基础元器件原理特性(电容篇)

电容是电子电路中最常见的元器件之一,用于储存电荷并产生电压差。它由两个导体(通常是金属板)之间的绝缘材料(称为电介质)组成。
原创
发布博客 2023.08.02 ·
222 阅读 ·
0 点赞 ·
0 评论 ·
0 收藏

电源电路学习笔记--基础元器件原理特性(电阻篇)

电阻是电子电路中最常见的元器件之一,用于限制电流的流动,并产生电压降。它是一种被动元件,没有增益或放大作用。电阻器的主要作用是通过电阻值调整电路中的电流和电压,以满足电路设计要求。
原创
发布博客 2023.08.02 ·
263 阅读 ·
0 点赞 ·
0 评论 ·
1 收藏

STM32F103学习笔记(一) GPIO模式讲解(原理篇)

通用输入输出端口的简称。可以通过软件控制其输出和输入。stm32芯片的GPIO引脚与外部设备连接起来,从而实现与外部通信,控制以及数据采集的功能。如图为stm32f1系列gpio的基本结构STM32的I/O 端口有8种模式(4种输入模式和4种输出模式),每个 I/O 端口位支持3种最大翻转速度(2MHz、10MHz、50MHz),均可自由编程。输出模式下可通过控制端口输出高低电平,来驱动蜂鸣器,发光二极管等类似的元件,也可以用来软件模拟时序等应用。
原创
发布博客 2023.04.05 ·
2848 阅读 ·
11 点赞 ·
0 评论 ·
34 收藏
加载更多