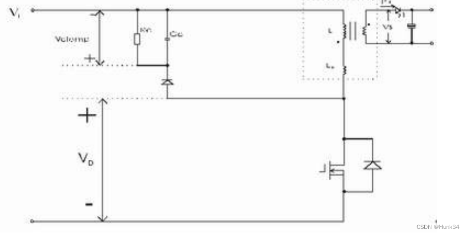
图为RCD 箝位电路在反激式变换器中的应用。图中:Vclamp:箝位电容两端间的电压Vin:输入电压VD:开关管极电压Lp:初级绕组的电感量Llk:初级绕组的漏感量该图中RCD箝位电路的工作原理是:当开关管导通时,能量存储在Lp和Llk中,当开关管关闭时,Lp中的能量将转移到副边输出,但漏感Llk中的能量将不会传递到副边。如果没有RCD箝位电路,Llk 中的能量将会在开关管关断瞬间转移到开关管的漏源极间电容和电路中的其它杂散电容中,此时开关管的漏极将会承受较高的开关应力。若加上RCD 箝位电路,Llk中的大部分能量将在开关管关断瞬间转移到箝位电路的箝位电容上,然后这部分能量被箝位电阻Rc消耗。这样就大大咸少了开关管的电压应力。

在RCD 箝位电路中电阻 Rc和电容Cc的取值都比较大,因此,箝位电容Cc上的电
压在每个开关周期不会有较大的变化,这样,我们可以用一个恒定值 Vclamp来
表示箝位电容两端的电源。在此基础上我们可以按以下几个步骤来设计RCD箝位
电路。

步骤一:确定箝位电压Vclamp
图2表示的是采用RCD 箝位的反激变换器的开关管的漏极电压。图中:VOR:次级到初级的折射电压Vclamp:箝位电容Cc两端的箝位电压VBR(DSS):开关管的漏源极击穿电压VINMAX:最大输入直流电压由图可见,箝位电压Vclamp与开关管的VBR(DSS)及输入最高电压有关,如果考虑0.9的降额使用系数,可用下式来确定Vclamp的大小

步骤二:确定初级绕组的漏感量Llk
初级绕组的漏感量可以通过测试来获得,常用方法是,短路各个次级绕组测试此时的初级绕组的感量,这个值就是初级绕组的漏感量。需要注意的是,测试频率应采用变换器的工作频率。当然,批量生产时不可能采取逐个测试的方法,这时,可确定一个百分比来估计整个批次的漏感值,这个百分比通常是在1%--5%。
步骤三:确定箝位电阻Rc
前文提到,箝位电容Cc两端的电压可用恒定值Vclamp表示,因此箝位电阻消耗的功率为:

式中:PR-clamp:箝位电阻消耗的功率另一方面从能量守恒原则考虑,存在以下关系:

式中:
WR-clamp:箝位电阻消耗的能量
Wl:初级绕组漏感中存储的能量
VOR:次级到初级的折射电压。
Vclamp:箝位电压
将能量转换为平均功率则(3)式可变为:

式中:
fs:变换器的工作频率
Llk:初级绕组的漏感量
Ids-peak:开关管的最大峰值电流(即低压满载时的峰值电流)
这样由(2)、(4)式就可得到箝位电阻的计算公式:

步骤四:确定箝位电容Cc
箝位电容Cc的值应取得足够大以保证其在吸收漏感能量时自身的脉动电压足够
小,通常取这个脉动电压为箝位电压的5%--10%,这样,我们就可通过下式来确定
Cc的最小值。

式中:
Cc:箝位电容
Vclamp:箝位电压
△Vclamp:箝位电容上的脉动电压
Rc:箝位电阻
fs:变换器的工作频率
1347

被折叠的 条评论
为什么被折叠?



