
【Python可视化】
【代码】【Python可视化】
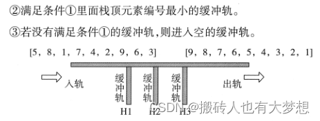
python分析
高中信息技术
大数据
软考高级-系统架构师 
新星杯·14天创作挑战营·第9期
这是一个以写作博客为目的的创作活动,旨在鼓励大学生博主们挖掘自己的创作潜能,展现自己的写作才华。如果你是一位热爱写作的、想要展现自己创作才华的小伙伴,那么,快来参加吧!我们一起发掘写作的魅力,书写出属于我们的故事。我们诚挚邀请你们参加为期14天的创作挑战赛! 注: 1、参赛者可以进入活动群进行交流、分享创作心得,互相鼓励与支持(开卷),答疑及活动群请见 https://bbs.csdn.net/topics/619626357 2、文章质量分查询:https://www.csdn.net/qc
