设计简介:
本设计是基于单片机的智能台灯系统,主要实现以下功能:
- 可实现LCD1602显示光照强度以及超声波检测距离和灯的控制状态;
- 可实现通过按键以及蓝牙控制灯的模式;
- 可实现通过蓝牙模块实现手机控制台灯的开关;
- 可实现通过超声波测距控制音乐模块播出语音提示坐姿不正确;
- 实现通过光敏电阻控制台灯在自动模式下的灯光控制。
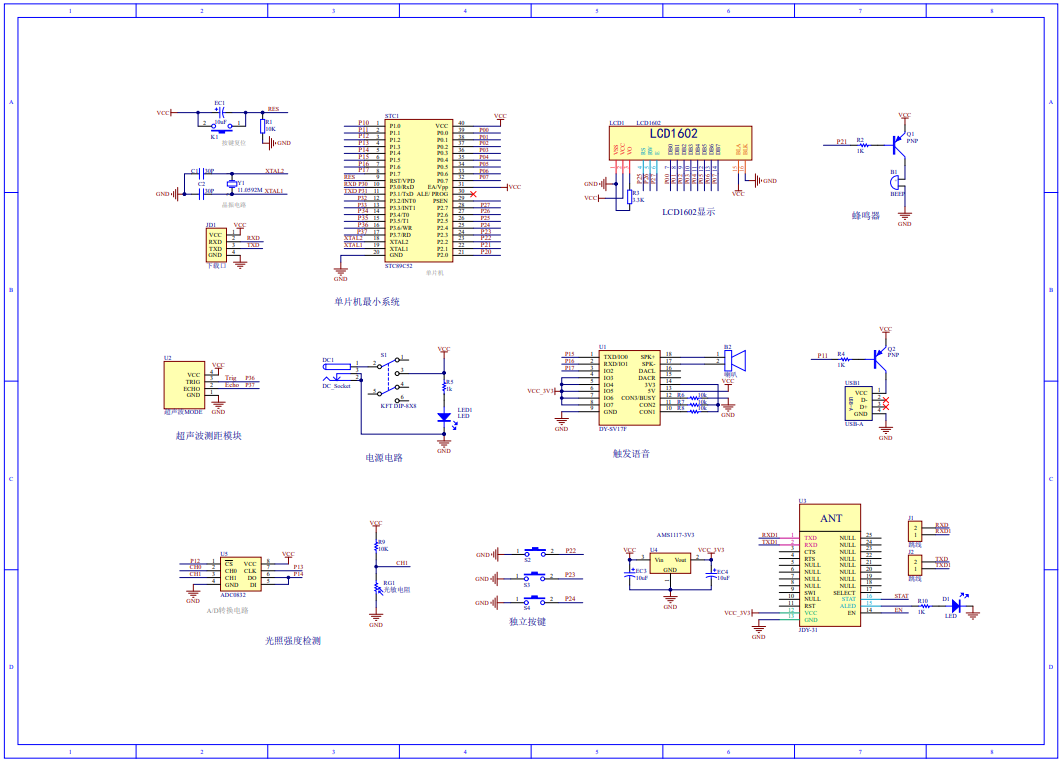
标签:51单片机、ADC0832、超声波测距、蓝牙控制、光线强度控制
效果图:

总体资料:

原理图:

软件设计流程:



系统框图:

本设计以STC89C52单片机为核心控制器,加上其他的模块一起组成智能台灯照明的整个系统,其中包含中控部分、输入部分和输出部分。中控部分采用了STC89C52单片机,其主要作用是获取输入部分数据,经过内部处理,控制输出部分。输入由六部分组成,第一部分是光敏电阻配合ADC0832芯片组成的光照强度检测模块,该模块检测当前的光照强度;第二部分是蓝牙模块,该模块通过手机连接蓝牙,控制LED灯的亮灭,切换自动模式;第三部分是独立按键,通过三个独立按键切换自动化模式,开灯和关灯;第四部分是供电电路,给整个系统进行供电;第五部分是超声波距离检测模块,该模块在自动模式下,检测人体距离,当距离小于设定距离值时,语音开始播报收录的声音;第六部分是语音收录模块,该模块运用ISD1820芯片收录发出的声音。输出由三部分组成,第一部分是LCD1602显示模块, 通过该模块可以显示当前光照强度和LED灯的开关状态;第二部分是语音播报模块,该模块将ISD1820芯片收录来的语音在特定的情况下播报而出;第三部分是LED灯,在手动情况下,可通过按键控制灯的亮灭,在手机连接蓝牙状态下,可通过手机控制LED灯的亮灭,在自动情况下,LED灯随着环境光照强度的变化而变化,环境光照强度较低,LED灯逐渐变亮,当环境关照强度较高,LED灯逐渐变暗,直至关闭。
https://www.mcude.com/mcudesign/804/
799

被折叠的 条评论
为什么被折叠?



