**摘 要:**分析了2021年物联网产业人才需求、培养及其存在的问题,提出了培养物联网技术技能型人才实训装置设计的四条基本原则。介绍唯众实训装置系统架构,网关、感知层模块化设备硬件设计,软件设计以及红外通信、433MHz、Zigbee 等通信技术转换为 TCP/ IP、GPRS网络技术原理。构建集基础性、验证性、设计性、综合性和创新性开发五位一体综合实训装置,教学实践证明实训装置对提高学生工程实践能力和科技创新能力具有重要意义。
**关键词:**物联网;人才培养;模块化;实训装置
1 物联网行业人才需求、培养及存在问题
1.1国内物联网行业人才需求与培养现状
目前,我国物联网行业进入了高速发展阶段,已形成上、中、下游全产业链且带动多个行业协同发展的产业布局,产业规模比互联网产业大20倍以上。2009年,物联网的产业规模只有1700多亿元;2013年,产业规模突破6000亿元,年复合增长率超30%;2015年产业规模猛增至近万亿元。 未来五年,物联网行业人才缺乏预测:智能交通,车联网市场人才需求约有20万;智能物流,物流与智能仓储方市场人才需求约20万;智能电网,智能电网与新能源店里产业人才需求将达百万;智能医疗,智能医疗设备支持与技术服务、智能医护管理等人才需求将超百万;智能工业,过程管理与自动化控制的岗位专业人才需求约50万;智能农业,智能农业各类专业人才在现代农业“一二五”当中缺口1000万人以上;智能家居市场人才需求近百万。物联网按人才层次分为研究型人才、工程应用型人才及技术技能型人才;按照岗位需求分为电子设备技术人员、芯片设计和制造人员、通讯和计算机网络人员、系统设计、系统应用和系统管理人员。为进一步促进物联网产业发展,2015年,教育部印发教职成[2015]10 号文件,《普通高等学校高等职业教育(专科)专业设置管理办法》和《普通高等学校高等职业教育(专科)专业目录(2015 年)》正式实施,本次专业设置对高等职业教育(专科)专业名称、对应职业、相衔接中职专业、接续本科专业均进行明确说明,完善中职-高职-本科的职业教育人才培养体系,从根本上满足物联网产业技术技能型人才的需求,促进物联网产业有序健康发展。 依据该文件,高等职业教育(专科)专业设置中涉及物联网的相关专业包括设施农业与装备、智能交通技术运用、物联网应用技术、物联网工程技术、物流信息技术等专业,培养学生主要从事职业包括农业、交通运输、信息和通信、管理工程、工业工程等领域的业务销售、生产管理、产品开发、产品运营、测试实施和系统维护等环节工程技术(管理)人才。 同时将原有智能电网技术、传感网技术、物联网应用技术三个专业合并为物联网应用技术,新增物联网工程技术专业。
1.2物联网实验实训教学现状及存在问题
我国物联网相关专业开设于 2010 年,而且大部分专业设置初期都是在计算机、电子信息等专业基础上新开设的专业,学校专业实验实训室、师资队伍等也都是在以上专业的教学资源基础上加以整合、改造或转型形成的,因此,实验实训教学环境以及装置设备难以跟上物联网行业发展最新趋势。同时,现阶段各学校在使用的物联网综合实训装置都存在以下几个问题:第一,设备实训项目仅停留在验证性或简单设计性实验;第二,实训教学资源配套不受重视尤其是创新性、综合性实验实训项目缺乏必要的实训教学资源;第三,开设实验实训项目难以与现实生活有机衔接,人才培养未能满足岗位需求;第四,物联网通用技能尤其是硬件设计开发技能未能得到训练;第五,综合实训项目应用情境过于单一;第六,重视开发,轻集成。
2 实训装置设计原则
2.1模块化组合式设计
随着无线传感器网络技术的发展,分布式、自组网大规模数据采集已成为物联网技术特点,同时由于物联网技术应用领域的广泛性,采用模块化组合式设计实训装置符合数据采集终端分布式特点,且可以按照物联网技术架构将数据采集感知层设备与采集终端处理单元相分离,增强系统设计的灵活性,从而拓宽系统应用情境。
2.2兼顾开发和系统集成能力训练
依据物联网专业技术人才培养层次划分,高职专业培养目标定位于工程应用型和技术技能型人才,因此,实训装置的开发应同时兼顾开发能力和系统集成能力的培养。 在系统软硬件组成设计、实训项目设计、实训教学资源制作等方面应重点突出物联网专业通用技能,包括系统开发与系统集成能力,并在不同的项目实施情境或载体中相融合。
2.3配备教学资源包
传统实验实训装置对教学资源包都不予重视,造成实验实训装置使用效益和实训效果低下。 实训装置的开发同时配套实验实训讲义、各层次实验实训项目过程中涉及的源代码、工具软件、开发环境、技术文档、工程管理文件、项目完成的效果视频等实验实训教学资源包,为学生实训构建起全方位的学习框架。
2.4教学、创新开发和技能竞赛相结合
实训装置的设计要考虑承担相近专业(群)、不同课程、不同教学层次的实验实训教学任务,要求实训装置必须满足开设基础性实训项目、验证性实训项目、设计性实训项目等实训教学任务,同时还应满足开设创新开发的综合性、创新性实训项目等的能力,兼顾全国职业院校技能竞赛、电子设计大赛、挑战杯竞赛等学科竞赛赛前集训的需要,提高装置的实用性和先进性。
3 唯众物联网实训装置的实现
3.1系统架构
实训装置的系统架构如图 1 所示。 按照物联网技术架构,实训装置分为感知层、网络层、应用层。

图1 系统架构图
感知层主要负责传感器数据采集和处理、控制指令的执行等任务;包括各类环境数据传感器、RFID、二维码、图像视频等采集任务;同时负责对继电器、门锁以及各类家电进行控制。网络层主要负责对红外通信、433MHz、Zigbee等物理层通信方式进行网络通信协议转换、传输,数据最终通过 TCP/ IP、GPRS 等网络实现互联。 其中网关通过串口连接 Zigbee 网络及 GPRS 模块,通过WIFI 网络连接智能中控;智能中控负责 TCP/ IP 网络与 433MHz 直接通信转换; 红外转发 器 负 责433MHz 与红外信号直接进行转换,从而实现各类物联网通信技术互通互联。系统应用层主要建设各类 APP、WEB 应用程序,为用户提供应用程序对系统实施远程监测和实时控制。

图2 唯众物联网实训装置实物图
3.2硬件设计
3.2.1网关设计
系统智能网关的硬件框架图如图 2 所示。 其CPU 处理器选用基于六核ARM 64位处理器(双核Cortex-A72+四核Cortex-A53),其 运 行 主 频 达 1.8GHz, 配 有内存大小3G LPDDR3,配有四核ARM Mali-T860 MP4 GPU,支持OpenGL ES1.1/2.0/3.0/3.1、OpenVG1.1、 OpenCL,、DX11,支持AFBC(帧缓冲压缩)、高性能NPU支持8bit/16bit运算,支持TensorFlow、Pytorch、Caffe、Mxnet、Darknet、Onnx主流深度学习框架。核心板载留有1路SPI接口、4路GPIO口、1个电源指示灯、2路ADC接口、2路IIC接口、1个16G储存eMMC、1路1000Mbps以太网接口、1路音频输出、1路TF-Card接口、3路USB接口、1路电源按键、1路复位按键、1路SIM卡座。

图3 网关硬件框架图

图4 唯众网关硬件实物图
3.2.2感知层模块化设备
感知层终端微控制器选用 STC15W4K56S4 单片机和 CC2530 微处理器。 STC15W4K56S4由中央处理器(CPU)、程序存储器、数据存储器、定时/ 计数器、UART 串口、I/ O 接口、高速 AD 接口、SPI 接口、看门狗及片内振荡等模块组成。 CC2530 芯片内部集成 8051 硬核、无线收发器、ADC 模块、64KB 的FLASH 存储器、21 个通用 GPIO 和两个 UART 接口。 其无线发射频率为 2.4GHz,最大数据传输速率为 250kbit/ s。感知层终端节点的硬件实物图如图 3 所示,硬件框架如图 4 所示。 该类设备由传感器模块、执行控制器模块、CPU 主处理模块、通信模块构成,全部模块化设计,可自由组合完成基础性和创新性的实验实训任务。 其主要的模块化设备如表 1 所示。

图 4 感知层终端设备硬件框架图

图 3 感知层模块实物图
表 1 实训装置感知层主要模块参数情况

3.3通信技术原理
3.3.1 433MHz 射频通信-TCP/IP网络通信实现
传统 433MHz 射频通信存在成本低、实用性好等优点,常见于无线数据采集等领域,同时物联网技术必须能实现广域网的互通互联,因此,实训装置必须考虑传统 433MHz 通信技术与国际通行 TCP/ IP网络进行协议转换,在该实训装置中,选用了目前常见的传输模块SI4432,设备具有 433MHz 无线收发功能,智能学习无线设备和遥控开关,对码简单;完全兼容 RS232、RS485 接品规范,双向通信;支持信号中继,信号转发,状态实时同步更新;软件界面完全图形化等优点。
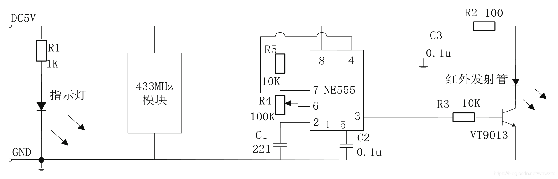
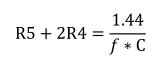
3.3.2红外转发器
红外转发器主要完成对接收到的 433MHz 射频信号转换为相应的红外信号,其电路主要原理图如图 5 所示。 433MHz 射频信号模块收到的信号接到NE555 芯片的第四引脚,用于调制 NE555 产生的38KHz 信号,最终驱动 VT9013 三极管,红外发射管即可发射相应红外信号,控制对应设备。

图 5 红外转发器硬件原理图
由 NE555 组成多谐振荡器的频率计算公式为

可知

取 f= 38kHz,C = 220pf,求得 R5+2R4 = 172kΩ因此,取 R5=10kΩ,可知 R4=81kΩ。 考虑调试测试需要以及误差,R4 取 100kΩ 电位器。
3.4软件设计
实现装置开发过程软件设计工作主要在于UBoot 移植、内核配置和移植、根文件系统制作、常见应用模块的驱动以及其测试程序等。 其开发的步骤及各开发阶段所完成软件工作如图 6 所示,大部分提供 DEMO 程序供学生实验实训学习用。

图 6 实训装置软件开发步骤
4 实训内容
物联网专业主要实训课程包括传感器技术应用、单片机原理与接口技术、Zigbee 与 RFID 技术实践、Linux 操作系统、嵌入式技术应用和物联网综合实训等课程,该实训装置可以满足以上课程实训需要,其开设的主要项目包括验证性、基础性、设计性、综合性和创新开发等五位一体实验实训项目体系,主要实训项目如表 2 所示。
表 2 实训装置开设主要实训项目

5 结语
实训装置构建了以 Cortex-A72架构 RK3399pro主处理器为物联网网关,融合了红外通信、433MHz 射频通信、 Zigbee 网络、 GPRS 网络以及TCP/ IP 网络等物联网常见通信技术,同时结合嵌入式技术和计算机软件技术设计开发了一套集基础性、验证性、设计性、综合性和创新开发实验实训项目以及配套一系列实训教学资源系统。
经过教学实践证明,唯众物联网技术综合实训装置承办《2020促进金砖工业创新合作大赛总决赛“未来技能” 赛道物联网赛项》硬件环境搭建、《2020一带一路暨金砖国家技能发展与技术创新大赛物联网技术及其在智慧城市中的应用赛项》硬件环境搭建、《2020年黑龙江省物联网技术职业技能大赛》硬件环境搭建、《2019年湖北省职业院校技能大赛(高职组)物联网技术应用赛项》硬件环境搭建及数十个中高职院校物联网应用技术专业实训室实训环境搭建,实训装置有力地促进物联网专业教学改革,提高物联网工程应用型和技术技能型人才培养的可持续性,对培养学生工程实践能力,提高实训教学有效性和针对性具有重要意义。
本文参考:模块化物联网技术综合实训装置设计与实现 陈彦彬; 林燕雄; 黄佳旭; 钱德明; 钟小寅 实验室科学 2018
http://www.whwkzc.com/html/2021/fwef_0518/884.html
213

被折叠的 条评论
为什么被折叠?



