SIEMENS 西门子伺服液压PID模板
程序包括
1整套西门子smart200 PLC程序,
2昆仑通态MCGS程序,
3东元伺服
4电气图纸.
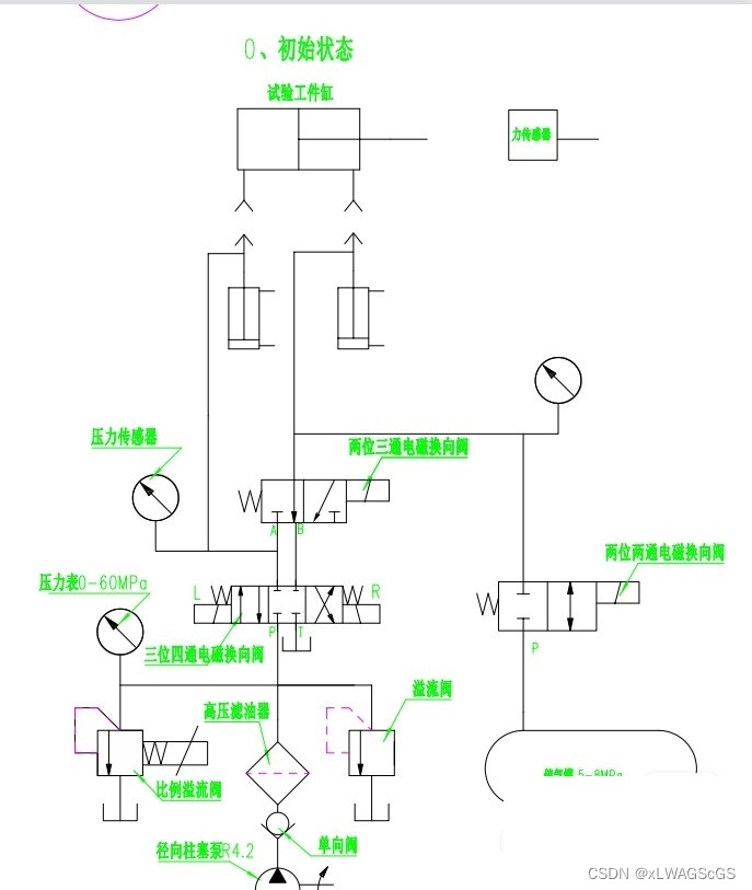
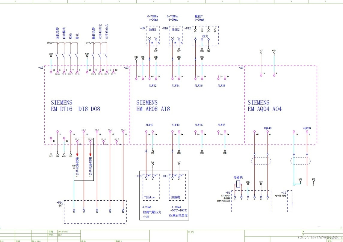
5液压机械图
6功能说明书
7注释详细,完整项目资料
8外挂编码器高速输入
PLC用户库,PID控制液压,温度采集,压力采集,5路模拟量输入,2路模拟量输出,触摸屏报警,配方功能,历史记录,数据保存到U盘
对学习西门子PLC的朋友有很好的借鉴意义。
是学习西门子1200的入学教程,小规模的模块化编程,初学者也能看得懂。
所有的程序都完整的注释,对于做控制等有很好的学习借鉴意义。
好好看一遍,有很大的提高作用。









SIEMENS 西门子伺服液压PID模板
引言:
近年来,随着工业自动化的迅速发展,PLC(可编程逻辑控制器)在工业控制领域的应用越来越广泛。作为一种成熟稳定的控制设备,PLC在工业生产中扮演着重要的角色。而西门子(SIEMENS)作为世界领先的工业自动化解决方案提供商,其PLC产品备受青睐。本文将介绍基于西门子Smart200 PLC的SIEMENS伺服液压PID模板,该模板内含完整的程序包括昆仑通态MCGS程序、东元伺服、电气图纸、液压机械图、功能说明书以及完整项目资料。此外,还提供了外挂编码器高速输入、PLC用户库、PID控制液压、温度采集、压力采集、多路模拟量输入和输出等功能,以满足不同控制需求。本模板不仅对学习西门子PLC的朋友具有借鉴意义,同时也是学习西门子1200入学教程的绝佳选择,其小规模的模块化编程能够让初学者轻松理解。所有程序均完整注释,为做控制等工作提供了很好的学习借鉴意义。接下来,我们将逐一介绍该模板的各项特点和功能。
一、西门子Smart200 PLC程序
西门子Smart200 PLC作为该模板的核心控制器,具备可靠性高、稳定性好等特点。其通过编程实现对液压系统的控制,主要包括温度采集、压力采集、模拟量输入和输出等功能。该PLC程序经过精心优化,结构清晰且具备高度可读性,不仅适合初学者学习,也能满足专业人士的控制需求。
二、昆仑通态MCGS程序
昆仑通态MCGS是一种强大的人机界面软件,为使用者提供了友好的操作界面。在该模板中,通过昆仑通态MCGS程序,用户可以实现触摸屏报警、配方功能、历史记录以及数据保存到U盘等功能。这些功能的实现,不仅提升了用户的操作便利性,也增加了系统的智能化程度。
三、东元伺服
东元伺服作为该模板的运动控制部件,提供了高精度、高速度的运动控制能力。通过与西门子Smart200 PLC的联动,实现了对液压系统的精准控制。其应用范围广泛,不仅适用于工业领域,也可应用于机械加工、自动化装配等多个领域。
四、电气图纸与液压机械图
该模板配备了详细的电气图纸和液压机械图,通过这些图纸,用户能够直观地了解整个系统的结构和工作原理。同时,图纸中标注了相应的元件和信号连接方式,为用户提供了便利。
五、功能说明书与注释详细的完整项目资料
为了让用户更好地了解和应用该模板,我们提供了功能说明书和完整的项目资料。其中,功能说明书详细介绍了该模板的各项功能和使用方法,注释详细的完整项目资料则提供了模板程序的源代码和详尽的注释,帮助用户深入理解程序的原理和实现方式。
六、外挂编码器高速输入
为满足用户对高速输入的需求,该模板特别设计了外挂编码器接口,通过该接口,用户能够实现对高速旋转物体的测量和控制。这一功能的实现,拓展了模板的应用领域,使其适用于更多控制场景。
七、PLC用户库与PID控制液压
为了方便用户编程和复用代码,我们提供了PLC用户库,其中包含了丰富的函数库和模块,用户可以直接调用这些函数和模块,简化了编程过程。同时,模板还实现了PID控制液压功能,通过该功能,用户可以实现对液压系统的精确控制,提高了系统的稳定性和性能。
结论:
SIEMENS西门子伺服液压PID模板是一款功能丰富的PLC控制系统,通过该模板,用户可以实现对液压系统的精确控制和监测。模板包含了西门子Smart200 PLC程序、昆仑通态MCGS程序、东元伺服、电气图纸、液压机械图、功能说明书以及完整项目资料等内容,使用户能够全面了解和应用该模板。同时,外挂编码器高速输入、PLC用户库和PID控制液压等功能的实现,进一步提升了模板的灵活性和适用性。无论是对PLC技术的初学者还是对工业控制领域的专业人士来说,该模板都具备很高的借鉴意义和应用价值。通过仔细阅读与实际操作,相信你能更好地理解和应用该模板,实现更高水平的工业自动化控制。
相关代码,程序地址:http://lanzouw.top/671908417945.html
1277

被折叠的 条评论
为什么被折叠?



