西门子伺服液压PID模板
程序包括
1整套西门子smart200 PLC程序,
2昆仑通态MCGS程序,
3东元伺服
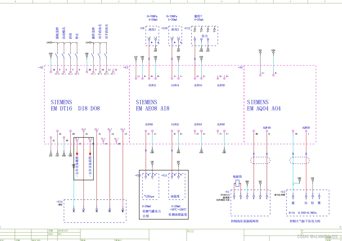
4电气图纸.
5液压机械图
6功能说明书
7注释详细,完整项目资料
8外挂编码器高速输入
PLC用户库,PID控制液压,温度采集,压力采集,5路模拟量输入,2路模拟量输出,触摸屏报警,配方功能,历史记录,数据保存到U盘
对学习西门子PLC的朋友有很好的借鉴意义。
是学习西门子1200的入学教程,小规模的模块化编程,初学者也能看得懂。
所有的程序都完整的注释,对于做控制等有很好的学习借鉴意义。









标题:西门子伺服液压PID模板的设计与实现
摘要: 本文主要讨论西门子伺服液压PID模板的设计与实现。该模板由整套西门子smart200 PLC程序、昆仑通态MCGS程序、东元伺服、电气图纸、液压机械图、功能说明书等组成,具备了外挂编码器高速输入、PID控制液压、温度采集、压力采集等功能。本文将深入探讨该模板的编程思路和具体实现方法,并对其在学习西门子PLC过程中的借鉴意义进行分析。
-
引言 西门子伺服液压PID模板作为学习西门子1200入学教程的重要组成部分,具有小规模的模块化编程特点,即使初学者也能轻松理解。本文将从以下几个方面展开对该模板的分析与讨论。
-
PLC程序设计 2.1 西门子smart200 PLC程序特点 2.2 模块化编程思路的应用 2.3 注释的重要性与编写规范
-
昆仑通态MCGS程序设计 3.1 MCGS程序开发平台简介 3.2 人机界面设计与实现 3.3 触摸屏报警、配方功能、历史记录等功能的实现
-
东元伺服的应用 4.1 伺服控制原理简介 4.2 伺服控制参数调整方法 4.3 伺服与液压的联合控制实现
-
电气图纸与液压机械图设计 5.1 电气图纸设计要点 5.2 液压机械图设计要点 5.3 电气图纸与液压机械图的协同作用
-
功能说明书编写 6.1 功能说明书的结构与要点 6.2 功能说明书与实际操作的关联性 6.3 功能说明书的修订与更新
-
模板的学习借鉴意义 7.1 对学习西门子PLC的启发与帮助 7.2 对模块化编程思路的理解与实践 7.3 对控制领域的应用与拓展
-
结论 本文通过对西门子伺服液压PID模板的设计与实现进行深入分析,详细讨论了其在PLC程序设计、昆仑通态MCGS程序设计、东元伺服的应用、电气图纸与液压机械图设计以及功能说明书编写等方面的要点和实践经验。该模板具有较高的实用价值和学习借鉴意义,对于学习西门子PLC的朋友来说具有重要的参考价值。同时,本文也对模板的局限性和进一步改进方向进行了探讨,以期在未来的研究中能够进一步完善该模板,使其更好地适应实际应用需求。
关键词:西门子PLC,伺服液压,PID模板,昆仑通态MCGS,电气图纸,液压机械图,功能说明书,模块化编程,学习借鉴意义
相关代码,程序地址:http://lanzouw.top/670900092238.html
461

被折叠的 条评论
为什么被折叠?



