stm32简介
- STM32是ST公司基于ARM Cortex-M内核开发的32位-微控制器
- STM32常应用在嵌入式领域,如智能车、无人机、机器人、无线通信、物联网、工业控制、娱乐电子产品等
- STM32功能强大、性能优异、片上资源丰富、功耗低,是一款经典的嵌入式微控制器

ARM公司简介
- ARM既指ARM公司,也指ARM处理器内核
- ARM公司是全球领先的半导体知识产权(IP)提供商,全世界超过95%的智能手机和平板电脑都采用ARM架构
- ARM公司设计ARM内核,半导体厂商完善内核周边电路并生产芯片


STM32F103C8T6简介
简介
- 系列:主流系列STM32F1
- 内核:ARM Cortex-M3
- 主频:72MHz
- RAM:20K(SRAM)运行内存
- ROM:64K(Flash)程序存储器
- 供电:2.0~3.6V(标准3.3V)
C51单片机是5V供电,USB也是5V供电,需要加稳压芯片,把电压降到3.3V,才能给Stm32供电 - 封装:LQFP48
LQFP封装是日本电子机械工业会制定的新QFP外形规格
LQFP也就是薄型QFP(Low-profile Quad Flat Package)是日本电子机械工业会对QFP外形规格所作的重新制定 ,根据封装本体厚度分为QFP(2.0-3.6mm厚)、LQFP(1.4mm厚)、TQFP(1.0mm厚)三种。
| 中文名 | LQFP |
| 外文名 | Low-profile Quad Flat Package |
| 实 现 | CPU芯片引脚之间距离很小 |
| 含 义 | 四方扁平式封装技术 |
| 日 本 | 机械工业会制定的新QFP外形规格 |

片上资源/外设

命名规则

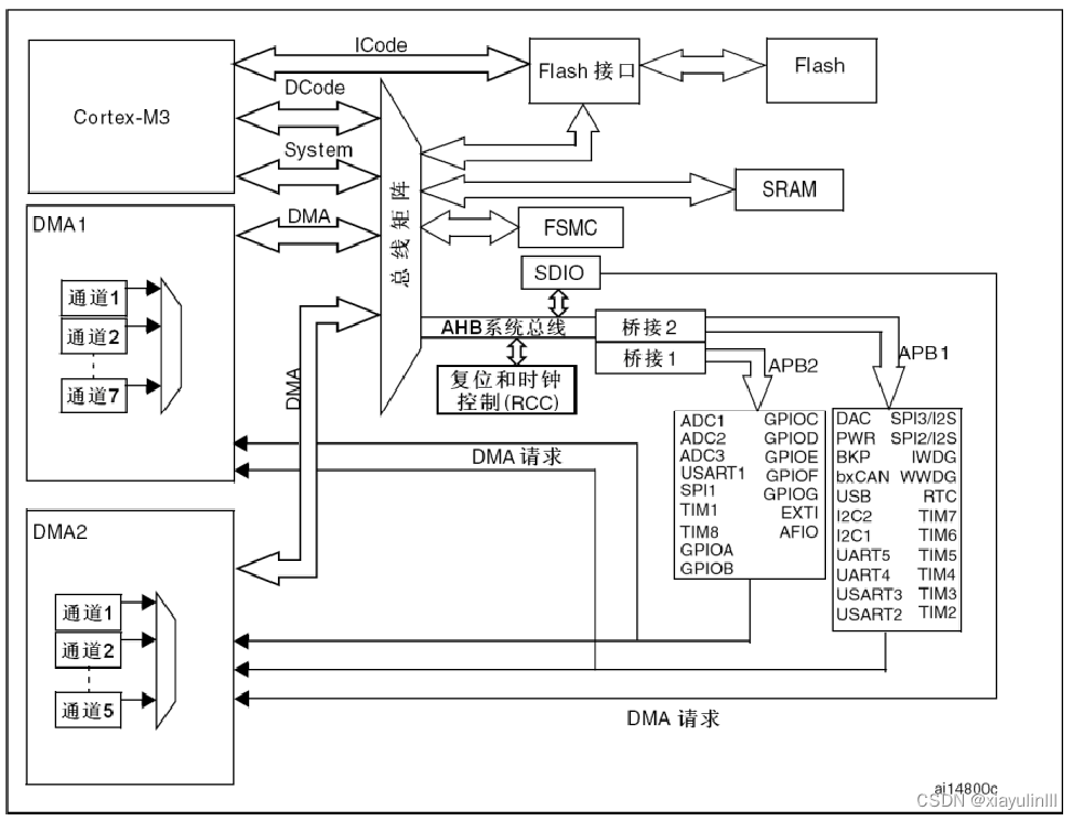
系统结构

- Flash接口连接Flash,Flash里面存储的就是编写的程序
- ICode指令总线(用于加载程序指令),DCode数据总线(用于加载数据),System系统总线连接SRAM,用于存储程序运行时的变量数据
- AHB先进高性能总线(挂载最基本的和高性能的外设)
- APB先进外设总线,用于连接一般的外设,因为AHB和APB的总线协议,总线速度还有数据传输格式的差异,所以中间需要加两个桥接来完成数据的转换和缓存
- AHB的整体性能比APB高一些,其中APB2的性能又比APB1高一些,APB2一般是和AHB同频率,都是72MHz,APB1一般是36MHz,所以APB2连接的都是外设中稍微重要的部分
- DMA用于搬运数据这样重复简单的工作,减少CPU的工作,让CPU去做更重要的事
引脚定义


- 红色的是电源相关的引脚,标蓝色的是最小系统相关的引脚,标绿色的是IO口,功能口相关的引脚
- I代表输入,O代表输出,IO代表输入输出
- IO口电平代表IO口所能容忍的电压,FT代表能容忍5V的电压,没有FT只能容忍3.3V的电压,没有FT但是需要接5V电压就要接电平转换电路
- 主功能就是上电后默认的功能,默认复用功能是IO口上同时连接的外设功能引脚,配置IO口时可以选择是通用还是复用,重定义功能的作用是如果两个功能同时复用在一个IO口上,可以把其中一个复用功能重映射到其它端口上
- VBAT是备用电池供电的引脚,可以接一个3V的电池
- TAMPER安全检测功能,侵入检测可以用来做安全保障功能,比如你的产品安全性比较高,可以在外壳加一些防差的触点,然后接上电路的这个引脚,如果有人强行拆开设备,那触点断开这个引脚的电平变化就会触发stm32的侵入信号,然后就会清空数据来保证安全。RTC引脚可以用来输出RTC校准时钟RTC闹钟脉冲或者秒脉冲。
- 5,6号引脚接系统的主晶振,一般是8MHz,芯片内部有锁相环电路,可以对8MHz的频率进行倍频,最终产生72MHz的频率作为系统的主时钟
- 7号NRST是系统复位引脚,N代表低电平复位,8,9号引脚是内部模拟部分的电源,比如ADC,RC振荡器等,VSS是负极,接GND,VDD是正极,接3.3V
- 10号引脚兼具WKUP功能,可以用于唤醒处于待机模式的STM32,23,24,35,36,47,48都是主电源口,分区供电
启动配置

最小系统电路

本文详细介绍了STM32F103C8T6这款基于ARMCortex-M内核的32位微控制器,包括其应用领域、ARM公司的背景、STM32的特点、STM32F103C8T6的特性如主频、内存、供电要求以及关键组件如Flash接口、系统总线、外设和引脚定义。还涵盖了启动配置和最小系统电路的设计要点。
1万+

被折叠的 条评论
为什么被折叠?



