
【AT89C52单片机项目】数字密码锁设计
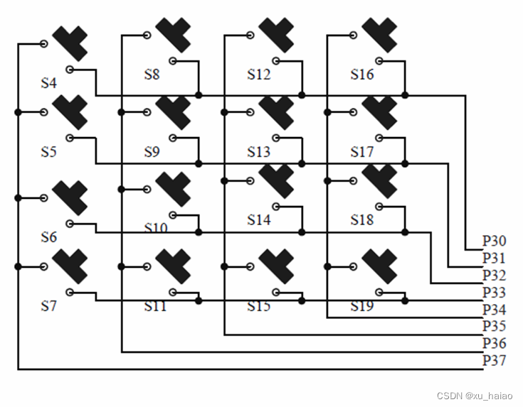
一套STC89C52RC开发板套件,包括STC89C52RC开发板,以及USB烧录线。优点:m*n个按键值需要一次反转(2次输入输出)就可以检测到结果,比行列扫面简单。2、可以每次都设置密码,也可以设置一次密码多次使用。输入密码“12345678”后,数码管显示open。输入其他密码后,数码管显示Err。1、有设置密码、开锁工作模式;本实验所需要的主要硬件电路介绍。使用单片机设计数字密码锁。3、列线输出上次读入的值。1、行线输出全为0;
单片机项目学习
大一年度项目
mujoco
PAT (Advanced Level) Practice
自写函数
机器人学导论
PAT (Basic Level) Practice (中文)C++题
PAT (Basic Level) Practice (中文)题解
Openjudge题解
