小米电机CyberGear STM32HAL 使用指南
在23年8月底 小米正式发售了用于其铁蛋2代的小米“微电机”,准确来说就是目前机器人方向流行的关节电机。根据其参数可知,在同等重量下,小米此款电机不仅在额定扭矩上达到了4NM,峰值扭矩达到了12NM的水平,同时在价格上也基本上算是全网最低。笔者也是通过预购,在发售之初拿到了“年轻人的第一个微电机”。故想发出此文,和各位一起,通过最简单,最流行的硬件,完成对电机的基础控制。
硬件介绍
由于小米电机采用了当前在关节电机行业上比较流行的TX30 2+2的接口,通过一个接口就可以同时完成信号和供电的传输,使得线路连接非常简单,且几乎不存在反插问题(CAN信号线需要额外注意与控制板的连接顺序)。但是此种连接方式还是有些细节方面的问题,比如插头连接松动,端子容易虚焊或损坏,以及价格偏贵等问题,故在使用此种插头时,一定要确保连接可靠,同时can信号线最好需要严格双绞以保证型号传输的稳定性。

主控方面,笔者采用的是自己设计的用来做其他项目的F103C6T6主控,包含了采用VP230的can通信硬件电路,故使用此板作为电机控制实验的主控板,其中CAN接口采用2.54 3P的接口。


至此,完成控制电路的硬件连接。
软件编写
新建一个工程,采用CUBEMX进行工程建立,极大地提高了效率,降低了学习成本。
选择了对应芯片之后,完成基础配置:外置晶振,DEBUG,UART,TIM2定时器(2ms中断)以及CAN通信:
时钟配置(8MHz外置晶振,主控倍频至72MHz)


can配置(1M波特率,CAN接收中断)


uart配置(115200波特率,DMA接收中断)



TIM配置(2ms定时中断)


生成工程


其他
自行配置LED GPIO等 方便调试
首次生成工程编译通过之后,进行系统初始化:
/* USER CODE BEGIN 2 */
//CAN过滤器初始化
CAN_FilterTypeDef can_filter_st;
can_filter_st.FilterActivation = ENABLE;
can_filter_st.FilterMode = CAN_FILTERMODE_IDMASK;
can_filter_st.FilterScale = CAN_FILTERSCALE_32BIT;
can_filter_st.FilterIdHigh = 0x0000;
can_filter_st.FilterIdLow = 0x0000;
can_filter_st.FilterMaskIdHigh = 0x0000;
can_filter_st.FilterMaskIdLow = 0x0000;
can_filter_st.FilterBank = 0;
can_filter_st.FilterFIFOAssignment = CAN_RX_FIFO0;
can_filter_st.SlaveStartFilterBank = 14;
HAL_CAN_ConfigFilter(&hcan, &can_filter_st);
HAL_CAN_Start(&hcan);
HAL_CAN_ActivateNotification(&hcan, CAN_IT_RX_FIFO0_MSG_PENDING);
HAL_TIM_Base_Start_IT(&htim2);//定时中断初始化
/* USER CODE END 2 */
导入笔者编写的cybergear.c/.h文件,并加入编译目录中(不会的话移步其他人的基础教程)

至此,完成控制电机的全部准备工作。
控制电机:
对于控制电机的命令,大致分为三种:
- 启停控制: 需要让电机运动起来,首先需通过命令要开启电机,电机开启之后会有轻微震动。
- 运动控制: 使用运控指令完成对电机的控制,一般将其放入一个中断内定时调用,以期精细控制并及时得到回传数据。
- 数据读取: 一般用于更改电机的参数,一般在首次使用或者更换使用场景,调整电机性能时对电机使用。
调试电机:
1.调用初始化函数,设置电机工作模式,使能电机
/* USER CODE BEGIN 2 */
HAL_Delay(500); //一定时间延时 等待电机初始化完成
init_cybergear(&mi_motor[0], 0x7F, Motion_mode);//小米电机 启动!
/* USER CODE END 2 */
2.调用运动控制函数(放入主循环或者中断中),控制电机转动
/* USER CODE BEGIN 3 */
motor_controlmode(&mi_motor[0], 0, 0, 0, 0 , 0);
HAL_Delay(2);
/* USER CODE END 3 */
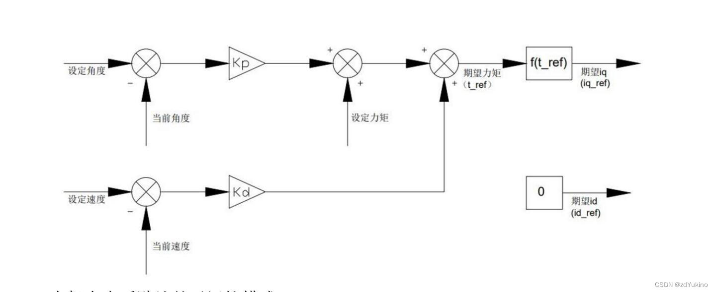
运控函数使用可通过官方说明书给出的传递函数作为参考,完成对电机的控制。

其中,有三种典型控制方法:
- 力矩控制:仅输入力矩,其他均为0,即为纯力矩模式,单位为NM,注意在无负载情况下,很容易达到最大转速;
- 速度控制:输入期望速度,kd,其他均为0,即为速度控制模式,其中kd大小影响其响应速度,一般可取0.1-1;
- 位置控制:输入期望位置,kp,kd,其他均为0,即为位置控制模式,其中kp大小影响响应速度(到达位置快慢),kd大小影响着电机阻尼,过小会震荡,过大电机会震动明显。kp一般1-10,kd一般0.5左右。
- 其他控制方式就有待广大爱好者发掘,这里不再深究。
踩坑:
由于笔者在首次调试的时候没有官方can转usb调试器,无法通过官方上位机调试故只能盲调,控制电机几经失败后发现小米电机出厂ID为极其阴间的0X7F,其他踩坑暂无。
最后:
感谢广大群友相助,在此为两大关节电机群打个广告:
174204312 达妙电机交流群
869911140 大然电机交流群
特别的,借鉴并参考了乌苏哥写的小米电机STM32库函数
本文也是笔者首次编写,如有不足,错误之处,烦请各位大佬指正。
附上代码
cybergear.c
/**
****************************(C)SWJTU_ROBOTCON****************************
* @file cybergear.c/h
* @brief 小米电机函数库
* @note
* @history
* Version Date Author Modification
* V1.0.0 1-10-2023 ZDYukino 1. done
*
@verbatim
=========================================================================
=========================================================================
@endverbatim
****************************(C)SWJTU_ROBOTCON****************************
**/
#include "main.h"
#include "can.h"
#include "cybergear.h"
CAN_RxHeaderTypeDef rxMsg;//发送接收结构体
CAN_TxHeaderTypeDef txMsg;//发送配置结构体
uint8_t rx_data[8]; //接收数据
uint32_t Motor_Can_ID; //接收数据电机ID
uint8_t byte[4]; //转换临时数据
uint32_t send_mail_box = {0};//NONE
#define can_txd() HAL_CAN_AddTxMessage(&hcan, &txMsg, tx_data, &send_mail_box)//CAN发送宏定义
MI_Motor mi_motor[4];//预先定义四个小米电机
/**
* @brief 浮点数转4字节函数
* @param[in] f:浮点数
* @retval 4字节数组
* @description : IEEE 754 协议
*/
static uint8_t* Float_to_Byte(float f)
{
unsigned long longdata = 0;
longdata = *(unsigned long*)&f;
byte[0] = (longdata & 0xFF000000) >> 24;
byte[1] = (longdata & 0x00FF0000) >> 16;
byte[2] = (longdata & 0x0000FF00) >> 8;
byte[3] = (longdata & 0x000000FF);
return byte;
}
/**
* @brief 小米电机回文16位数据转浮点
* @param[in] x:16位回文
* @param[in] x_min:对应参数下限
* @param[in] x_max:对应参数上限
* @param[in] bits:参数位数
* @retval 返回浮点值
*/
static float uint16_to_float(uint16_t x,float x_min,float x_max,int bits)
{
uint32_t span = (1 << bits) - 1;
float offset = x_max - x_min;
return offset * x / span + x_min;
}
/**
* @brief 小米电机发送浮点转16位数据
* @param[in] x:浮点
* @param[in] x_min:对应参数下限
* @param[in] x_max:对应参数上限
* @param[in] bits:参数位数
* @retval 返回浮点值
*/
static int float_to_uint(float x, float x_min, float x_max, int bits)
{
float span = x_max - x_min;
float offset = x_min;
if(x > x_max) x=x_max;
else if(x < x_min) x= x_min;
return (int) ((x-offset)*((float)((1<<bits)-1))/span);
}
/**
* @brief 写入电机参数
* @param[in] Motor:对应控制电机结构体
* @param[in] Index:写入参数对应地址
* @param[in] Value:写入参数值
* @param[in] Value_type:写入参数数据类型
* @retval none
*/
static void Set_Motor_Parameter(MI_Motor *Motor,uint16_t Index,float Value,char Value_type){
uint8_t tx_data[8];
txMsg.ExtId = Communication_Type_SetSingleParameter<<24|Master_CAN_ID<<8|Motor->CAN_ID;
tx_data[0]=Index;
tx_data[1]=Index>>8;
tx_data[2]=0x00;
tx_data[3]=0x00;
if(Value_type == 'f'){
Float_to_Byte(Value);
tx_data[4]=byte[3];
tx_data[5]=byte[2];
tx_data[6]=byte[1];
tx_data[7]=byte[0];
}
else if(Value_type == 's'){
tx_data[4]=(uint8_t)Value;
tx_data[5]=0x00;
tx_data[6]=0x00;
tx_data[7]=0x00;
}
can_txd();
}
/**
* @brief 提取电机回复帧扩展ID中的电机CANID
* @param[in] CAN_ID_Frame:电机回复帧中的扩展CANID
* @retval 电机CANID
*/
static uint32_t Get_Motor_ID(uint32_t CAN_ID_Frame)
{
return (CAN_ID_Frame&0xFFFF)>>8;
}
/**
* @brief 电机回复帧数据处理函数
* @param[in] Motor:对应控制电机结构体
* @param[in] DataFrame:数据帧
* @param[in] IDFrame:扩展ID帧
* @retval None
*/
static void Motor_Data_Handler(MI_Motor *Motor,uint8_t DataFrame[8],uint32_t IDFrame)
{
Motor->Angle=uint16_to_float(DataFrame[0]<<8|DataFrame[1],MIN_P,MAX_P,16);
Motor->Speed=uint16_to_float(DataFrame[2]<<8|DataFrame[3],V_MIN,V_MAX,16);
Motor->Torque=uint16_to_float(DataFrame[4]<<8|DataFrame[5],T_MIN,T_MAX,16);
Motor->Temp=(DataFrame[6]<<8|DataFrame[7])*Temp_Gain;
Motor->error_code=(IDFrame&0x1F0000)>>16;
}
/**
* @brief 小米电机ID检查
* @param[in] id: 控制电机CAN_ID【出厂默认0x7F】
* @retval none
*/
void chack_cybergear(uint8_t ID)
{
uint8_t tx_data[8] = {0};
txMsg.ExtId = Communication_Type_GetID<<24|Master_CAN_ID<<8|ID;
can_txd();
}
/**
* @brief 使能小米电机
* @param[in] Motor:对应控制电机结构体
* @retval none
*/
void start_cybergear(MI_Motor *Motor)
{
uint8_t tx_data[8] = {0};
txMsg.ExtId = Communication_Type_MotorEnable<<24|Master_CAN_ID<<8|Motor->CAN_ID;
can_txd();
}
/**
* @brief 停止电机
* @param[in] Motor:对应控制电机结构体
* @param[in] clear_error:清除错误位(0 不清除 1清除)
* @retval None
*/
void stop_cybergear(MI_Motor *Motor,uint8_t clear_error)
{
uint8_t tx_data[8]={0};
tx_data[0]=clear_error;//清除错误位设置
txMsg.ExtId = Communication_Type_MotorStop<<24|Master_CAN_ID<<8|Motor->CAN_ID;
can_txd();
}
/**
* @brief 设置电机模式(必须停止时调整!)
* @param[in] Motor: 电机结构体
* @param[in] Mode: 电机工作模式(1.运动模式Motion_mode 2. 位置模式Position_mode 3. 速度模式Speed_mode 4. 电流模式Current_mode)
* @retval none
*/
void set_mode_cybergear(MI_Motor *Motor,uint8_t Mode)
{
Set_Motor_Parameter(Motor,Run_mode,Mode,'s');
}
/**
* @brief 电流控制模式下设置电流
* @param[in] Motor: 电机结构体
* @param[in] Current:电流设置
* @retval none
*/
void set_current_cybergear(MI_Motor *Motor,float Current)
{
Set_Motor_Parameter(Motor,Iq_Ref,Current,'f');
}
/**
* @brief 设置电机零点
* @param[in] Motor: 电机结构体
* @retval none
*/
void set_zeropos_cybergear(MI_Motor *Motor)
{
uint8_t tx_data[8]={0};
tx_data[0] = 1;
txMsg.ExtId = Communication_Type_SetPosZero<<24|Master_CAN_ID<<8|Motor->CAN_ID;
can_txd();
}
/**
* @brief 设置电机CANID
* @param[in] Motor: 电机结构体
* @param[in] Motor: 设置新ID
* @retval none
*/
void set_CANID_cybergear(MI_Motor *Motor,uint8_t CAN_ID)
{
uint8_t tx_data[8]={0};
txMsg.ExtId = Communication_Type_CanID<<24|CAN_ID<<16|Master_CAN_ID<<8|Motor->CAN_ID;
Motor->CAN_ID = CAN_ID;//将新的ID导入电机结构体
can_txd();
}
/**
* @brief 小米电机初始化
* @param[in] Motor: 电机结构体
* @param[in] Can_Id: 小米电机ID(默认0x7F)
* @param[in] Motor_Num: 电机编号
* @param[in] mode: 电机工作模式(0.运动模式Motion_mode 1. 位置模式Position_mode 2. 速度模式Speed_mode 3. 电流模式Current_mode)
* @retval none
*/
void init_cybergear(MI_Motor *Motor,uint8_t Can_Id, uint8_t mode)
{
txMsg.StdId = 0; //配置CAN发送:标准帧清零
txMsg.ExtId = 0; //配置CAN发送:扩展帧清零
txMsg.IDE = CAN_ID_EXT; //配置CAN发送:扩展帧
txMsg.RTR = CAN_RTR_DATA; //配置CAN发送:数据帧
txMsg.DLC = 0x08; //配置CAN发送:数据长度
Motor->CAN_ID=Can_Id; //ID设置
set_mode_cybergear(Motor,mode);//设置电机模式
start_cybergear(Motor); //使能电机
}
/**
* @brief 小米运控模式指令
* @param[in] Motor: 目标电机结构体
* @param[in] torque: 力矩设置[-12,12] N*M
* @param[in] MechPosition: 位置设置[-12.5,12.5] rad
* @param[in] speed: 速度设置[-30,30] rpm
* @param[in] kp: 比例参数设置
* @param[in] kd: 微分参数设置
* @retval none
*/
void motor_controlmode(MI_Motor *Motor,float torque, float MechPosition, float speed, float kp, float kd)
{
uint8_t tx_data[8];//发送数据初始化
//装填发送数据
tx_data[0]=float_to_uint(MechPosition,P_MIN,P_MAX,16)>>8;
tx_data[1]=float_to_uint(MechPosition,P_MIN,P_MAX,16);
tx_data[2]=float_to_uint(speed,V_MIN,V_MAX,16)>>8;
tx_data[3]=float_to_uint(speed,V_MIN,V_MAX,16);
tx_data[4]=float_to_uint(kp,KP_MIN,KP_MAX,16)>>8;
tx_data[5]=float_to_uint(kp,KP_MIN,KP_MAX,16);
tx_data[6]=float_to_uint(kd,KD_MIN,KD_MAX,16)>>8;
tx_data[7]=float_to_uint(kd,KD_MIN,KD_MAX,16);
txMsg.ExtId = Communication_Type_MotionControl<<24|float_to_uint(torque,T_MIN,T_MAX,16)<<8|Motor->CAN_ID;//装填扩展帧数据
can_txd();
}
/*****************************回调函数 负责接回传信息 可转移至别处*****************************/
/**
* @brief hal库CAN回调函数,接收电机数据
* @param[in] hcan:CAN句柄指针
* @retval none
*/
void HAL_CAN_RxFifo0MsgPendingCallback(CAN_HandleTypeDef *hcan)
{
HAL_GPIO_TogglePin(LED1_GPIO_Port,LED1_Pin); //LED闪烁指示
HAL_CAN_GetRxMessage(hcan, CAN_RX_FIFO0, &rxMsg, rx_data);//接收数据
Motor_Can_ID=Get_Motor_ID(rxMsg.ExtId);//首先获取回传电机ID信息
switch(Motor_Can_ID) //将对应ID电机信息提取至对应结构体
{
case 0X7F:
if(rxMsg.ExtId>>24 != 0) //检查是否为广播模式
Motor_Data_Handler(&mi_motor[0],rx_data,rxMsg.ExtId);
else
mi_motor[0].MCU_ID = rx_data[0];
break;
default:
break;
}
}
cybergear.h
/**
****************************(C)SWJTU_ROBOTCON****************************
* @file cybergear.c/h
* @brief 小米电机函数库
* @note
* @history
* Version Date Author Modification
* V1.0.0 1-10-2023 ZDYukino 1. done
*
@verbatim
=========================================================================
=========================================================================
@endverbatim
****************************(C)SWJTU_ROBOTCON****************************
**/
#include "main.h"
#include "can.h"
//控制参数最值,谨慎更改
#define P_MIN -12.5f
#define P_MAX 12.5f
#define V_MIN -30.0f
#define V_MAX 30.0f
#define KP_MIN 0.0f
#define KP_MAX 500.0f
#define KD_MIN 0.0f
#define KD_MAX 5.0f
#define T_MIN -12.0f
#define T_MAX 12.0f
#define MAX_P 720
#define MIN_P -720
//主机CANID设置
#define Master_CAN_ID 0x00 //主机ID
//控制命令宏定义
#define Communication_Type_GetID 0x00 //获取设备的ID和64位MCU唯一标识符
#define Communication_Type_MotionControl 0x01 //用来向主机发送控制指令
#define Communication_Type_MotorRequest 0x02 //用来向主机反馈电机运行状态
#define Communication_Type_MotorEnable 0x03 //电机使能运行
#define Communication_Type_MotorStop 0x04 //电机停止运行
#define Communication_Type_SetPosZero 0x06 //设置电机机械零位
#define Communication_Type_CanID 0x07 //更改当前电机CAN_ID
#define Communication_Type_Control_Mode 0x12
#define Communication_Type_GetSingleParameter 0x11 //读取单个参数
#define Communication_Type_SetSingleParameter 0x12 //设定单个参数
#define Communication_Type_ErrorFeedback 0x15 //故障反馈帧
//参数读取宏定义
#define Run_mode 0x7005
#define Iq_Ref 0x7006
#define Spd_Ref 0x700A
#define Limit_Torque 0x700B
#define Cur_Kp 0x7010
#define Cur_Ki 0x7011
#define Cur_Filt_Gain 0x7014
#define Loc_Ref 0x7016
#define Limit_Spd 0x7017
#define Limit_Cur 0x7018
#define Gain_Angle 720/32767.0
#define Bias_Angle 0x8000
#define Gain_Speed 30/32767.0
#define Bias_Speed 0x8000
#define Gain_Torque 12/32767.0
#define Bias_Torque 0x8000
#define Temp_Gain 0.1
#define Motor_Error 0x00
#define Motor_OK 0X01
enum CONTROL_MODE //控制模式定义
{
Motion_mode = 0,//运控模式
Position_mode, //位置模式
Speed_mode, //速度模式
Current_mode //电流模式
};
enum ERROR_TAG //错误回传对照
{
OK = 0,//无故障
BAT_LOW_ERR = 1,//欠压故障
OVER_CURRENT_ERR = 2,//过流
OVER_TEMP_ERR = 3,//过温
MAGNETIC_ERR = 4,//磁编码故障
HALL_ERR_ERR = 5,//HALL编码故障
NO_CALIBRATION_ERR = 6//未标定
};
typedef struct{ //小米电机结构体
uint8_t CAN_ID; //CAN ID
uint8_t MCU_ID; //MCU唯一标识符[后8位,共64位]
float Angle; //回传角度
float Speed; //回传速度
float Torque; //回传力矩
float Temp; //回传温度
uint16_t set_current;
uint16_t set_speed;
uint16_t set_position;
uint8_t error_code;
float Angle_Bias;
}MI_Motor;
extern MI_Motor mi_motor[4];//预先定义四个小米电机
extern void chack_cybergear(uint8_t ID);
extern void start_cybergear(MI_Motor *Motor);
extern void stop_cybergear(MI_Motor *Motor, uint8_t clear_error);
extern void set_mode_cybergear(MI_Motor *Motor, uint8_t Mode);
extern void set_current_cybergear(MI_Motor *Motor, float Current);
extern void set_zeropos_cybergear(MI_Motor *Motor);
extern void set_CANID_cybergear(MI_Motor *Motor, uint8_t CAN_ID);
extern void init_cybergear(MI_Motor *Motor, uint8_t Can_Id, uint8_t mode);
extern void motor_controlmode(MI_Motor *Motor,float torque, float MechPosition, float speed, float kp, float kd);
1540

被折叠的 条评论
为什么被折叠?



