1、市场褒贬不一的LED驱动IC-AMC7150
在当时AMC7150还是不错的,我想了想还是提提,它有个很重要的因数就是价格,有不到2元的市场价格,是你采用它的理由。AMC7150目前有几十家可以直接替换的IC型号,价格战会无法避免。
在设计参数要求不高的低压4-25V产品中可以选择它,基本驱动能力在3W以下应用设计。比如1W串3颗或3W1颗LED设计是稳定的。

2、杭州士兰微电子-SB42511
目前士兰半导体推出新款IC,主要是针对驱动24V驱动6颗LED市场。价格要高于AMC7153优惠于欧美市场IC,适合设计1-6颗LED,输入6-25V输入电压,SOP8封装形式,主要针对目前低端射灯市场。

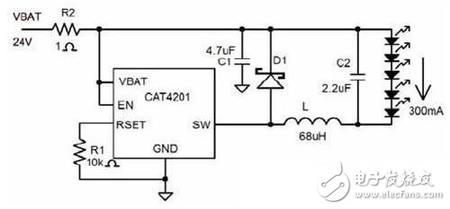
3、美国CATALYST公司-CAT4201
这个IC驱动1-7颗1WLED。效率可达92%,6-28V电压输入范围降压型驱动应用设计。比前面两款IC最大的优势是封装SOT23大小,线路简介,符合目前多数小体积灯杯设计使用要求。
大阻值范围电流调节,可以电位器宽阻值范围调节亮度,比如设计台灯等产品需要这样时。

4、欧洲Zetex公司—ZXLD1350
这颗IC目前市场反应良好,也是SOT23小体积封装,输入7-30V电压降压恒流驱动1-7pscLED,线路简洁实用。设计时Rs要紧靠IC避免供电电压大幅度不动,这样会影响恒流效果。
总体电子物料成本要略高于前款IC。

5、国国家半导体LM3402
LM3402市场反映不错,输入电压范围涵盖整个汽车应用领域,内置MOS管最多可以15颗LED,1-3颗LED是感觉有些贵,5颗以上时性价比很不错。目前接触到的客户工程师评价很高,接受领域比较广线路简洁实用,是国半众多LED驱动IC中间佼佼者。

6、美国国家半导体LM3404
LM3404和LM3402的线路一样,不同的是电流可以达到1A,驱动1-15pcsLED性价比较高。
上面所列IC规格都是内置MOS管,内置MOS管可以简化线路设计,小体积,降低设计综合成本,故障率也会降低。因其目前IC工艺制成、成本等原因大于1A以上的LED驱动IC需要外置MOS管。在我们日常产品设计中经常会遇到大电流设计,比如5W、10W等更高功率的设计要求,那只能选择外置MOS管的IC才可以。接下来会综合成本推荐几款IC,为广大的工程师朋友选型方便。

7、美国美信集成产品公司MAX16819/MAX16820
MAX16819/MAX16820工作于4。5V至28V输入电压范围,并且有一个5V/10mA片上稳压器。输出电流由高边电流检测电阻调节,专用PWM输入(DIM)可实现宽范围的脉冲式亮度调节。
MAX16819/MAX16820非常适合需要宽输入电压范围的应用。高边电流检测和内置电流设置电路可使外部元件的数量最少,并可提供±5%精度的LED电流。在负载切换和PWM亮度调节过程中,滞回控制算法保证了优异的输入电源抑制和快速响应。MAX16819具有30%的电感纹波电流,而MAX16820具有10%的纹波电流。这些器件可工作于高达2MHz的开关频率,从而允许使用小型元件。
MAX16819/MAX16820可工作于-40°C至+125°C汽车级温度范围,可提供3mmx3mmx0。8mm,6引脚TDFN封装。
个人建议200-500HzPWM灰度频率调节,1-6pcsLED串接最大25W产品设计,推荐大约价格0。5美金左右。

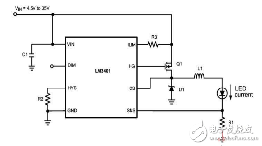
8、美国国家半导体LM3401
LM3401是国半推出的外置MOS大功率LED驱动器,可以设计3A以内的驱动电流,输入电压最高35V,可以串接10多颗LED。

9、美国美信集成产品公司MAX16802
MAX16802A/B是高亮度(HB)LED驱动器控制IC,内部包含了设计一个宽输入范围LED驱动器所需的全部电路,适合通用照明和显示应用。适用于低输入电压(10。8VDC至24VDC)LED驱动器。需要精密调节LED电流时,可利用片上的误差放大器以及精度为1%的基准。通过低频PWM亮度调节可实现较宽的亮度调节范围。
MAX16802具有输入欠压锁定(UVLO)特性,可设置输入启动电压,并可确保在电源跌落时正常工作。MAX16802具有较高滞回电压的内部自举欠压锁定电路,
从而简化了离线式LED驱动器的设计。MAX16802内部没有这个自举电路,可直接由+12V电压提供偏置电源。内部微调的262kHz固定开关频率允许优化选择磁性元件和滤波元件,从而实现紧凑、高性价比的LED驱动器。
MAX16802A的最大占空比为50%,MAX16802B的最大占空比为75%。这些器件均采用8引脚μMAX®封装,可工作在-40°C至+85°C温度范围。
个人建议200-500HzPWM灰度频率调节,1-6pcsLED串接最大50W产品设计,大约价格1。4美金左右。

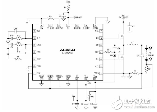
10、美国美信集成产品公司MAX16818
MAX16818脉宽调制(PWM)型LED驱动控制器采用紧凑封装,可在使用最少外部元件的情况下提供较大输出电流。MAX16818非常适合于同步和非同步降压(buck)拓扑,以及boost、buck-boost、SEPIC和buckLED驱动器架构。可以实现高达20A/µs的快速LED瞬态电流以及30kHz的亮度调节频率。
该器件采用平均电流模式控制,通过优化利用具有最佳电荷和导通电阻特性的MOSFET,甚至在输出LED电流高达30A时也能使对外部散热器的需求降到最低。真差分检测技术可以精确控制LED电流。通过外部PWM信号可以方便的实现宽范围亮度调节。内部稳压器配合简单的外部偏压器件,可以使器件工作在较宽的4。75V至5。5V或7V至28V输入电压范围。开关频率范围较宽,可高达1。5MHz,允许使用小尺寸的电感和电容。
MAX16818具有延迟180°相位的时钟输出,可用于控制另一个错相工作的LED驱动器,以减小输入和输出滤波电容尺寸并降低纹波电流。MAX16818还提供可编程的打嗝式过流、过压以及过热保护功能。MAX16818ETE+额定工作于扩展级温度范围(-40°C至+85°C),而MAX16818ATE+则工作于汽车级温度范围(-40°C至+125°C)。该LED驱动控制器提供带裸露焊盘的、无铅、0。8mm厚、5mmx5mm28引脚TQFN封装。
大电流LED驱动控制器IC,输出电流高达30A,建议设计50-300W超大功率便携式LED投影仪、LCDTV与显示器背光、前面板投影仪/背投电视、汽车、公共汽车/卡车外灯、汽车紧急照明与符号灯,等等产品。样品申请价格在3美金左右。

LED驱动芯片型号集
台湾地区部分:
点晶科技股份有限公司
DD311 单信道大功率恒流驱动IC最大1A最高耐压36V线性恒流IC
DD312 单信道大功率恒流驱动IC最大1A最高耐压18V线性恒流IC
DD313 三信道大功率恒流驱动IC500mAR/G/B恒流驱动IC
DM412 三通道装饰照明专用可直接数据级联恒流IC200mAR/G/B恒流驱动IC
DM413 三通道装饰照明专用PWM输出驱动IC100mAR/G/B恒流驱动IC 无
DM114A,DM115A 新版8位驱动IC主要是用于屏幕及灯饰
DM115B通用8位恒流驱动IC恒流一致性及稳定性高
DM11C 8位驱动IC具有短断点侦测及温度保护功能,屏幕灯饰使用
DM13C 16位驱动IC具有短断点侦测及温度保护功能,屏幕灯饰使用
DM13A 16位恒流驱动,面对低端屏幕客户 无
DM134,DM135,DM136 16位驱动IC主要用于LED屏幕及护栏管
DM132 16位1024级PWM输出驱动IC
DM137 16位开,短路,过温智能侦测驱动IC
DM133 16位开路检测&64级电流调整&过温警示驱动IC
DM163 8x3信道4096级PWM驱动IC
DM6214×3装饰照明专用PWM输出驱动恒流IC
DM63112比特内置PWM+实时检测恒流驱动IC
DM63216比特内置PWM+实时检测恒流驱动IC
DM1638×3通道4096级PWM输出恒流驱动IC
DM1648×3通道4096级PWM输出恒流驱动IC
DD211 二倍升压驱动IC2-3.3V最大升压100mA固定式恒流IC
DD231 3信道驱动IC5-30mA可设置小体上电即亮型IC
DD233 4信道驱动IC5-30mA可设置小体、可开关型IC
DD212 1.5-5.5V二倍升压最大400mA电流输出驱动单颗LED恒流IC
PC112,PC113 2.8-5V四倍升压驱动20mA小功率多颗LED恒流IC 无
ST2225A 35输出信道之数字/字母LED驱动芯片
台湾聚积科技公司
MBI18011路恒流驱动1.2A电流可设定PWM信号灰度调节
MBI18022路恒流驱动360mA电流可两路单独设定PWM信号灰度调节
MBI18044路恒流驱动240mA电流可设定PWM信号灰度调节
MBI181616路恒流驱动电流可设定PWM信号灰度调节
MBI501616位最大90mALED屏幕、护栏灯管恒流驱动IC已停产
MBI5024面对低端客户16位LED屏幕、护栏灯管恒流驱动IC
MBI502516位最大45mALED屏幕、护栏灯管恒流驱动IC
MBI502616位最大90mALED屏幕、护栏灯管恒流驱动IC
MBI502816位最大90mALED屏幕、护栏灯管恒流驱动IC,具电流增益功能
MBI503016位内置PWM高灰阶LED恒流驱动IC
MBI503116位内置PWM高灰阶LED恒流驱动IC,相对5030低端客户
MBI5039
MBI51688位LED屏幕、护栏灯管恒流驱动IC
MBI60103位级联式LED灯饰屏幕,R/G/B单独电流可设置恒流驱动IC
台湾广鹏(富晶)科技公司
A701、A702固定式5-30mA灯饰恒流
A703120mA可开式6-50V降压型恒流IC
A705220mA、2.7-12V固定降压型单路恒流IC
A7065-40mA、5-50V/PWM多路可开关型恒流IC
AMC711x固定式小电流灯饰应用
AMC711x_E固定式小电流灯饰应用
AMC71352-6V低压差固定式恒流驱动IC1颗LED
AMC71405-50VDC&DC最大500mA电流可调,1颗或多颗LED驱动IC
AMC71505-24VDC&DC最大1.5A固定式,1-3颗LED驱动IC
AMC7169LED保护IC
台湾台晶科技
T6309A手机背光
T6309B手机背光
T6313A手机背光
T6319A手机背光LED并联固定电压背光驱动IC
T6311A路灯
T6316A/B路灯
T6326A手电式设备低压差电流多路可调400mA
T6335A矿灯低压差恒流式与AMC7135相同
T6336A草坪灯用于主付灯矿灯
T6315A草坪灯
T6317AMR16-1W7-24V350mA1W多颗驱动IC
T6325AMR16-3/5W7-24V700mA多颗LED驱动IC
T6327A矿灯主付灯多电流可选固定式低压差是LED恒流驱动
T6329A磷酸铁锂电池矿灯升压式LED驱动恒流IC
台湾易亨电子公司
台湾圆创科技股份有限公司
AT13258-bitConstantCurrentLEDSinkDriver
AT132616-bitConstantCurrentLEDSinkDriver
AT1313ConstantcurrentLEDdriver
AT1312BoostconstantcurrentLEDdriver
AT1314BuckconstantcurrentLEDdriver
台湾晶锜科技公司
SCT202416位移位LED恒流驱动,适合目前LED大屏幕使用3-40mA
SCT202616位移位LED恒流驱动,适合目前LED大屏幕使用3-90mA
SCT221016位移位LED恒流驱动,适合LED大屏幕及插件护栏管使用3-120mA
SCT21108位移位LED恒流驱动IC,主要用于灯饰产品
SCT251212位移位护栏管专用IC,3路OE灰度可以单独调节
SCT20073路点光源驱动IC,可兼容MIB6010
天鈺科技股份有限公司
FP6742A输入4.5-25V,输出8路小功率背光源升压驱动IC
FP6742输入4.5-25V,输出6路小功率背光源升压驱动IC
FP6741输入4.5-25V,输出10路小功率背光源升压驱动IC
FP6732
FP6700高压驱动IC(类似HV9910)
FP6735输入2.8-5.5升压驱动10pcs25mA
台湾飞虹积体电路有限公司
台湾芯瑞科技股份有限公司
SMD7333-40V电压输入,内置MOS管降压型驱动电流1A
SMD7353-40V电压输入,降压型驱动电流700mA(可替代AMC7150)
SMD736最高40V电压输入,内置MOS管降压型驱动电流3A
SMD802市电直驱1ALED驱动IC(可替代HV9910)
SMD911市电直驱IC,外置MOSLED隔离方案驱动IC
SMD912市电隔离型直驱IC,外置MOSLED驱动IC
台湾茂达电子公司
APW7003
APW7008
APW7071
APW7005
日本部分:
东芝公司
TB627258位移位恒流驱动IC
TB62726AN/AF16位全彩LED大屏幕
TB62726ANG/AFG16位全彩LED大屏幕
TCA62746AFG/AFNG16位全彩LED大屏幕带断、短路侦测及温度保护
松下电器产业株式会社半导体社
MIP551电压输入(80~280VAC)输出电流0.5A多颗LED应用
MIP552电压输入(80~280VAC)输出电流1A多颗LED应用
美国部分:
IR国际整流器公司
IRS2540200V市电直驱1W多颗LED驱动IC,500mA
IRS2541600V市电直驱1W多颗LED驱动IC,500mA
ON安森美半导体
NCP56122通道泵式可PWM的白色LED驱动产品是LCD屏背光照明,操作模态1x和1.5x泵式驱动,87%效率连同0.2%相配误差。
NCP5623 带I2C控制的三路输出RGBLED驱动器,完全支持RGB照明或白光LED背光,内置”渐进调光”功能,能效高达94%的电荷泵,具备1x和2x两种工作模式,采用节省空间的极小型LLGA-122.0×2.0×0.5mm封装
NCP3065,NCV3065输出1.5A,输入电压3.0Vto40V,PWM灰度调节,为汽车应用设计
NCP5007小型小体2.7to5.5V升压驱动多颗LED,小屏背光及背光指示等应用
NCP5008,NCP50092.7到6.0V输入电压范围,从Vbat到15V的输出电压,外设光敏电阻
NCP5010: IntegratedBacklightLEDBoostDrive
NCP5030: Buck-BoostConvertertoDriveaSingleLEDfrom1Li-Ionor3Alkaline
NCP5604A,NCP5604BHighEfficiencyWhiteLEDDriver
NCP5603: HighEfficiencyChargePumpConverter/WhiteLEDDriver
NCP5602: 2-ChannelChargePumpWhiteLEDDriverwithI²CControl
NUD4001AC−DC输入5.0V,12Vor24V.输出最大500mA,最简易型LED驱动IC
NUD4011AC−DC输入最大120V.输出最大70mA,最简易型多颗LED驱动IC
CA4002/4 respectivelytwoandfourmatchedlowdropoutcurrentsourcestodriveLEDs
美国超科公司(Supertex)
AT9933专为汽车设计用高达70V功率驱动IC
CL6输入12V,24V或48V的100mA应用。最大耐压电压90V
CL7输入12V,24V或48V的100mA应用。可控制,最大耐压电压90V
CL25Simple90V,25mA,TemperatureCompensated,ConstantCurrent,LED
CL2Simple90V,20mATemperatureCompensatedConstantCurrentLED
CL320
CL325
CL330
HV9921/22/2385to264VACorDCinputvoltageof20to400V.20/30/50mA
HV9925OutputCurrentto50mA;Universal85-264VACOperation;FixedOFF-TimeBuckConverter;Internal500VPowerMOSFET
HV9903Powerefficiencyofupto85%;Drivesupto6WhiteLEDs;2.6Vto4.6VSupply;powerstagecanoperateat1.8V;Built-inSoftStart;DCandPWMDimmingControl
HV9910高压大功率直驱LED恒流器件
HV9910B高压大功率直驱LED恒流器件HV9910升级改进版可以直接替代
HV9911高压双向检测大功率直驱LED恒流IC
HV9912
HV9930
HV9931高压双向检测大功率直驱LED恒流IC,可PWM灰度调节
HV9982暂未上市
HV7800LED保护IC
TI美国德州仪器公司屏幕驱动部分
TLC59048/16通道LED驱动器
TLC59058/16通道LED驱动器
TLC591116通道LED驱动器
TLC5916/TLC59178通道LED驱动器
TLC592016通道LED驱动器
TLC592116通道LED驱动器
TLC5922带有点校正的16通道LED驱动器
TLC5923带有点校正的16通道LED驱动器
TLC5924具有点校正功能和预充电FET的16通道LED驱动器
TLC593012通道LED驱动器
TLC5940带有EEprom点校正与灰度PWM控制的16通道LED驱动器
TLC5941带有点校正与灰度PWM控制的16通道LED驱动器
TLC5943带有点校正与灰度PWM控制的16通道LED驱动器
TLC5945带有点校正、灰度PWM控制和无延迟的16通道LED驱动器
TLC5946具有6位点校正功能的16通道12位PWMLED驱动器
TI美国德州仪器公司白光LED驱动器
TPS40210/114.5V至52V宽泛输入电压范围的非同步升压控制器
TPS60250具有I2C接口的用于7个WLED的1.2A高功率高效充电泵
TPS60251具有I2C接口的用于7个WLED的1.2A高功率高效充电泵
TPS60252同步推进转换器I2C/可并立的接口白色驱动器
TPS6102*可调节、1.5A开关、96%高效升压转换器,具有降压模式
TPS61040/41用于LCD和白光LED的,输入1.8-6V出28V400mA开关升压转换器
TPS61042输入1.8-6V出30V500mA开关升压转换器,用于白光LED应用领域
TPS61043升压PWM灰度可调恒流LED驱动
TPS6104528V85%效率的升压转换器,用于LCD应用领域
TPS61055具有I2C兼容接口的1.2A高功率白光LED驱动器
TPS61058具有1.1A开关的高功率单个白光LED驱动器
TPS61059具有1.5A开关的高功率单个白光LED驱动器
TPS61060/TPS61061/TPS61062
具有白光LED亮度控制电源的15V、400mA开关,1MHz升压转换器
TPS61080具有集成功率二极管的27V、500mA开关、1.2MHz升压转换器
TPS61081具有集成功率二极管的27V、500mA开关、1.2MHz升压转换器
TPS61140具有OLED和LCD背光屏双重驱动的应用IC
TPS61141具有OLED和LCD背光屏双重驱动的应用IC
TPS61150使用单一控制双输出LED驱动背光源驱动IC
TPS61151使用单一控制双输出LED驱动背光源驱动IC
TPS61150A使用单一控制双输出背光源驱动多大14颗LED能力的IC
TPS61160PWM白光LED2.7-18V升压500mA,最多6pcsLED
TPS61161PWM白光LED2.7-18V升压500mA,最多10pcsLED
TPS61165PWM白光LED3-18V升压1.2A,最多3pcsLED
TPS75103LDO低压差背光源LED驱动IC
TPS75105LDO低压差背光源LED驱动IC
TPS61180/1/25-24V输入多路25mA,最大10WLED背光驱动IC
美国美信集成产品公司白光LED驱动器
MAX8678白光LED在喇叭上整合应用IC
MAX1698,MAX1698A便携式LCD屏背光源白光LED驱动应用IC
MAX1848手机等小屏锂电池单色LED背光源恒流驱动IC
MAX1916小体低压差式恒流驱动IC
MAX1910/MAX1912锂电池1.5x/2x倍压式LED驱动器,最大120mA
MAX1570锂电池1x/1.5x倍压式LED驱动器,多路可PWM调光
MAX1984/MAX1985/MAX1986白色LED超高效率恒流驱动
MAX1582/MAX1582Y可编程升压型2段恒流驱动IC
MAX1553/MAX1554高效率,升压到40V为2到10白色LED的转换器驱动
MAX1573白色泵式1x/1.5x驱动器,小体积QFN型封装
MAX1561/MAX1599高效率,升压型转换器26V驱动2到6颗白色LED驱动
MAX1574180mA,1x/2x倍压白色泵式驱动IC3毫米x3毫米TDFN小封装
MAX1583白色的引导照相机-闪光推进转换器
MAX1575白色LED驱动1x/1.5x电荷泵式光源指示
MAX1576480mA白色LED1x/1.5x/2x电荷泵式从背光照亮到照相机闪光灯应用
MAX1578/MAX1579TFT屏与LED背光整合驱动应用IC
MAX8595Z/MAX8596Z高效率,2.6-5.5V升压型32V,25mA,2-8颗LED驱动应用
MAX1577Y/MAX1577Z1.2A白色LED闪光灯应用IC
MAX8630W/MAX8630X125mA1x/1.5x电荷泵式为5颗白色LED小型TDFN封装
MAX8631X/YLED电荷泵式1x/1.5x/2x4毫米x4毫米的二LDOs使QFN超薄封装
MAX8790六线白色LED恒流驱动,适合笔记本等中尺寸LCD背光
MAX8607为1.5A的1MHzPWM推进转换器白色LED应用照相机闪光
MAX8647/MAX8648超高效率电荷泵式6LED的/RGB驱动应用,瘦小的QFN封装
美国美信集成产品公司高亮度LED驱动器
MAX16800高电压6.5-40V驱动35-350mA多颗LED应用驱动IC
MAX16801A/BPWM控制器265VAC-85VAC1ALED驱动器
MAX16802A/BPWM控制器10.8VDC-24VDC1ALED驱动器
MAX16803高压、外置MOS管大电流,提供PWM亮度调节和5V稳压器
MAX16804高电压5.5V-40V,350mA驱动和PWM控制暗淡
MAX16805/MAX16806EEPROM可设计的,高电压,350mA台灯等现场调光驱动应用
MAX16807/MAX16808集成8通道LED驱动器,具有开关模式boost及SEPIC控制器
MAX16809/MAX16810集成16通道LED驱动器,具有开关模式boost及SEPIC控制器
MAX16816可编程开关模式LED驱动器,大电流升降压LED驱动IC
MAX168181.5MHz,30A高效率LED恒流驱动
MAX16819/MAX168202MHz高光亮LED驱动和5000:1灰度等级调节
MAX16821
MAX168226.5-65V输入电压驱动1-15pcs350mA恒流驱动器
MAX16823高电压4.5-40V,3通道独立,5mA到70mA和外接BJT时可达到2A
MAX16824/MAX168253通道、高亮度LED(HBLED)驱动器,6.5V至28V输入电压
MAX168326.5-65V输入电压驱动1-15pcs700mA恒流驱动器
MAX7302低电压LED驱动器,提供闪烁控制、PWM调节、瞬变检测及电平转换
MAX16831可配置为降压型(buck)、升压型(boost)或升/降压型(buck-boost)电流调节器,输入6V至76V大功率驱动恒流驱动
MAX16835线性6.5-40V,350mA驱动器
MAX16836线性6.5-40V,350mA驱动器
MAX17061升压LED背光源阵列小电流驱动IC
美国国家半导体公司新产品:
LM3509 带有双电流槽和与IC兼容亮度控制的白色LED和QLED显示器的高效升压器
LM3401输入4.5-35V外置MOS管最大3A1-9LED恒流驱动IC
LM3402/04 针对高功率LED驱动器、6V至42V输入电压范围的0.5A/1.0A持续电流降压稳压器
LM3402HV/04HV 针对高功率LED驱动器、6V至75V输入电压范围的0.5A/1.0A持续电流降压稳压器
LM3405用于LED驱动器500kHz/1.6MHz1A、输入3-15V恒流降压稳压器
LM3405A具备内部补偿的小型SOT23封装、1.6MHz、1A、输入3-22V恒流压降LED
LM5022 针对升压和SEPIC稳压器的60V低压侧控制器,允许控制外部MOSFET来为LED提供更高的电流。
LM2735 520kHz/1.6MHz-有效使用空间的升压和SEPICDC-DC稳压器
LM2754具有超时保护功能的800mA开关电容FlashLED驱动器
LM2755具备I2C兼容接口的微型SMD封装PowerWise®电荷泵LED控制器
LM2756具备32调光指数级的微型SMD封装多重显示无电感器LED驱动器
LM2757具备停机高阻抗输出的PowerWise®开关式电容器升压稳压器
LM27965具有I2C兼容亮度控制功能的双显示器白光LED驱动器
LM27966带有I2C兼容接口的白光LED驱动器
LM2727/LM2737频道的FET同步的为低输出电压顽强反抗调整者控制器
美国国家半导体公司白色LED低功率驱动部分
LM3519高的频率推进白色LED用高速的PWM光亮控制驱动IC
LM2731SOT23小封装小功率LED驱动应用
LM2733SOT23小封装5V升压到12-30V,120-300mA
LM26238-14V转换成输出电压在1.24-14V之间,达到90%的效率
LM3557为白色LED2.7V-7.5V的递升转换器,多大5颗LED小体积背光指示
LM35022.5-5.5V升压到16-44V,多达4-10颗LED小体积背光指示
LM27512X,1.5X电容器式倍压白色LED的引导驱动IC
LM3590系列小功率白色LED简单驱动,降压型
LM2707系列小功率白色LED简单驱动,升压型
LM35082.7Vto5.5V升压17.5V驱动4个白色LED达到30mA应用IC
LM2793白色的低噪音引2.5-5.5V,1.5倍压双重的功能光亮控制IC
LM2792接受输入电压从3.0V到5.8V的范围和维持持续的电容器类光亮控制
LM2791受输入电压从3V到5.8V的范围和维持持续的36mA由外部的固定电阻决定,的电容器类光亮控制
LM2705直流的升压式150mA的直流转换器
LM2703直流的升压式350mA的直流转换器
LM3501同时的递升直流/直流转换器为白色LED的驱动
LM2794/LM2795多路驱动补给的电容器类比和PWM灰度控制
LM27953白色LED四路的和3/2x转变了电容器推进式驱动
LM27965具有I2C兼容亮度控制功能的双显示器白光LED驱动器
LM27966带有I2C兼容接口的白光LED驱动器
LM3431具备集成式升压控制器的3-信道恒流LED驱动器
LM3410525kHz/1.6MHz的恒流升压及SEPICLED驱动器
LM3509 针对带有双电流槽和与IC兼容亮度控制的白色LED和QLED显示器的高效升压器
LM3570低的噪音白色LED,应用与手持式设备多路控制多颗LED背光指示
LM3595平行的白色LED驱动应用
LM27042.2-7V升压20V,550mA,SOT小封装LED驱动
LM2750低的噪音转变了电容器小功率升压驱动
LM2756有I2C的独立控制的,多按键区域背光指示应用IC
LM2796双重的3/2x的白色LED驱动电容器式应用IC
LM27964有I2C的独立控制的,多按键区域背光指示应用IC
LM2754带有超时保护功能的800mA开关电容器FlashLED驱动器
LM3551/LM35521A白色用闪光灯驱动应用
LM35531.2A白色用闪光灯驱动应用
LM3224直流的递升PWM的615KHz/1.25MHz/直流转换器
LM4510具备真正停机隔离的PowerWise®同步升压DC/DC转换器
LM4970声音同步化LED驱动器IC适合任何颜色
美国国家半导体公司照明管理单元(LMU)
LP3943RGB/白色/蓝色16通道引导的LED驱动器
LP3944RGB/白色/蓝色8通道引导的LED驱动器
LP5520RGB背光LED驱动器
LP5521可编程的三通道LED驱动器
LP5522可编程的LED驱动器
LP3958高电压推进的照明管理转换器LED应用IC
LP5526高的电压推进的照明管理可达到150mA序列闪光的驱动IC
LP3936为六白色的照明管理系统引导和一RGB或闪光引导
LP3931双路的RGB用高亮度驱动DC-DC转换器
LP3933为六白色的照明管理系统应用和二RGB或闪光应用IC
LP3954电话LED指示包括展览背光、RGB、按键区和照相机闪光等应用
LP3950颜色用声音的同步装置引导LED驱动
LP39526个通道的颜色用声音的同步引导驱动应用IC
LP39542多路LED背光管理IC
LP55281四路RGB驱动器
LP5527为照相机闪光的极小驱动和4以I2C应用Programmability,连接性测试和声音
LP55271为照相机闪光的极小驱动和4以I2C应用Programmability,连接性测试和声音
美国凌特公司白光背光及背光指示部分:
LT1618恒定电流/恒定电压1.4MHz升压型DC/DC转换器准确的输入/输出电流控制:在整个温度范围内的准确度达±5%;准确的输出电压控制:±1%;宽VIN范围:1.6V至18V输出最大36V/1.5A电流
LT3591白色LED用3x2mmDFN小体封装升压10颗LED背光应用
LTC3208高电流软件可配置型多显示屏LED控制器1x/1.5x/2x充电泵可提供高达95%的效率;高达1A的总输出电流;17个电流源可用作主(MAIN)、副(SUB)、RGB、相机(CAM)和辅助(AUX)LED驱动器;可采用二线式I2C™接口来设置LED接通/关断、亮度等级和显示屏配置;采用跨接电容器边缘速率控制的低噪声恒定频率操作;自动充电泵模式切换;内部软起动功能限制了启动和模式切换期间的涌入电流;开路/短路LED保护;短路/热保护
LT3465专为采用2至4个白光LED和单节锂离子电池输入的彩色显示,背光源应用而优化。白光LED驱动器是外形小巧和电池供电的,便携式设备(如蜂窝电话、PDA和数码相机)中背光源电路的理想选择
LT3466内部肖特基二极管,2.7-24V宽电压输入2路输出可不对称驱动多达20颗LED
LT3471双通道1.3A、1.2MHz升压/降压转换器,应用于有机LED电源、数码相机等
LTC3204-3.3/LTC3204B-3.3-LowNoiseRegulatedChargePumpin2×2DFN
LTC3204-5/LTC3204B-5-2x2DFN封装的低噪声稳压充电泵
LTC3240-3.3V/2.5V升压/降压型充电泵DC/DC转换器
美国凌特公司全彩背光部分:
LT3496真实彩色PWMTM灰度调节3000:1,3通道8颗LED500mA
LT3474PWM提供了恒定彩色和400:1的调光范围宽输入范围:4V至36V高达1A的LED电流200kHz至2MHz的可调开关频率LED电流的可调控制,集成升压二极管,可在35mA至1A的宽范围内维持高输出电流准确度,LED开路和短路保护
LT3475恒定彩色和3000:1的调光范围宽输入范围,4V至36V工作电压,最大值为40VLED电流的准确和可调控制(50mA至1.5A)
LT3476高电流四通道输出LED驱动器PWM调光可提供高达5000:1的调光比,采用高压侧检测的LED电流调节VADJ引脚可在10mV至120mV的范围内准确地设定LED电流检测门限具1.5A、36V内部NPN开关的4个独立驱动器信道频率调节引脚,200kHz至2MHz高效率转换,高达96%开路LED保护低静态电流,在运行模式中为22mA,宽VIN范围:2.8V至16V
LT3486双1.3A白光LED升压型转换器可驱动16个100mALED及具有1000:1调光比
LT30033-ChannelLEDBallasterwithPWM3%LEDCurrentMatchingUpto350mAContinuousCurrentperLEDString,Upto3000:1TrueColorPWMTMDimmingRange,PWMInputDisconnectsLEDStrings,CanOperateinBuck,BoostandBuck-BoostModes,WideInputRange:3Vto40V,OvertemperatureOutputs
LTC3783PWMLED驱动器及升压、反激和SEPIC型控制器PWM提供了恒定的彩色和3000:1的调光比,用于实现高功率LED的PWM调光控制的全集成化负载FET驱动器,从模拟输入进行100:1的调光,宽FB电压范围:0V至1.23V恒定电流或恒定电压调节,低停机电流:IQ=20µA精度为1%的1.23V内部电压基准,具有100mV迟滞的2%RUN引脚门限可利用一个外部电阻器来设置工作频率(范围为20kHz至1MHz)
美国凌特公司大电流驱动及LED闪光灯部分:
LTC3490单节电池提供350mA的LED驱动器350mA恒定电流输出;符合2.8V至4V输出;单节或两节NiMH或碱性电池输入同步整流:效率高达90%;固定工作频率:1.3MHz
LTC3452同步降压-升压型主/相机白光LED驱动器高效率:在整个锂离子电池范围内≥85%;宽VIN范围:2.7V至5.5V;独立主/相机电流控制;高达425mA的连续输出电流;内部软起动;开路/短路LED保护;PWM亮度控制;LED电流匹配误差通常《2.5%
LTC3453具90%效率、可提供高达500mA电流的同步降压-升压大功率白光LED驱动器
LTC34541A同步降压-升压型高电流LED驱动器高效率;在手电筒模式中的典型值》90%,在闪光灯模式中》80%;宽VIN范围:2.7V至5.5V;高达1A的连续输出电流;3.5%的LED电流设置准确度;内部软起动
LTC3218400mASingleWireCameraLEDChargePump1xor2xBoostMode
LTC3214500mACameraLEDChargePump1x,1.5xor2xBoostModes
LTC3217600mA低噪声多LED相机照明灯充电泵充电泵提供了高效率和自动模式切换;多模式运作:1x、1.5x、2x;4个低压降LED输出
LTC3215700mA低噪声高电流LED充电泵1x,1.5xor2xBoostModeswithAutomaticMode
LTC3216-1ALowNoiseHighCurrentLEDChargePumpwithIndependentTorch/FlashCurrentControl1x,1.5xor2xBoostModeswithAutomaticModeSwitching
LT3477具有双通道轨至轨电流检测功能的3A、DC/DC转换器双通道100mV轨至轨电流检测放大器;宽输入电压范围:2.5V至25V;3A、42V内部开关;高效功率转换:效率高达91%;能够以降压、降压-升压或升压模式来驱动LED;利用外部电阻器来设定频率:200kHz至3.5MHz;可编程软起动。
LT34784.5A单通道PWM灰度调节升压700mA-15W驱动IC
LT3479具有软起动和涌入电流保护功能的2.5-24V输出42V、3A、全功能DC/DC转换器
LT1618恒定电流/恒定电压1.4MHz升压型DC/DC转换器
飞兆半导体公司
FAN5611/12/13/14PDA/MP3等低端LED背光源应用IC
FAN56171X,1.5X,and2X锂电池倍压LED背光源驱动IC
FAN5616泵式可PWM调节灰度背光源驱动IC
FAN56071X,1.5X,and2XMode4*30mA(120mA)
FAN56082.7-5V升压恒流驱动小屏背光源IC多达16颗LED
FAN5609三态泵式背光源驱动(4×20mA)80mAPDA、DSC、MP3Players
FAN5610低压差《350mV锂电池小屏背光源恒流IC
ADI美国模拟器件公司
AD8240汽车LED转向灯应用IC
ADM8843电荷泵式LCD小屏LED背光源
ADM88451x,1.5x或2x泵式背光源驱动IC
ADP1653专门用于蜂窝照相手机闪光灯应用IC
美国SIPEX公司
SP6682为白色LED配置的高效电荷泵调节器
SP6683平行结构配置的高功率LED驱动器
SP6685用于照相机闪光灯的电荷泵LED驱动器
SP6686400mA降压/升压电荷泵LED驱动器
SP7680多通道并行背光源
美国PI(PowerIntegrations)公司
LNK306DN为3W-LED参考设计,隔离的驱动应用
LNK306DNHalogenLightBulbRetrofit(3W-12V,300mA)
TNY279P无源PFCLED照明供电
LNK302P0.5W通用型降压-升压式LED驱动器
0.5WNon-IsolatedBuck-BoostConverterusingtheLNK302P
TOP246F1.25W非隔离LED驱动器
TOP246F单级PFCLED镇流器
TOP245通用输入、24WLED镇流器
美国PI(PowerIntegrations)公司
TNY375-380输入电压85-265VAC,输出3.3V,5.0V,12V,-12V,输出功率7.5W
LNK302/304-306输入电压85-265VAC,输出12V,输出功率3W
PKS603-607输入电压90-265VAC,输出30V,输出功率32W
TNY274-280输入电压85-265VAC,输出12V,输出功率12W
LNK362-364输入电压85-265VAC,输出6.2V,输出功率2W
DPA422-426输入电压33-57VAC,输出3.3V,输出功率6.6W
LNK562-564输入电压85-265VAC,输出7.7V,输出功率1.6W
LNK520输入电压85-265VAC,输出5.5V,输出功率2.75W
LNK302/304-306输入电压85-265VAC,输出12V,输出功率1.44W
TOP242-250输入电压85-265VAC,输出12V,输出功率30W
美国PI(PowerIntegrations)公司IC产品系列参考
LinkSwitch®-TN降压式,最高360mA,电容降压方式的高效率替换方案,所需外围元件极少。
TinySwitch®-III反激式,最高达28.5W,导通时间延长特性及严格的I2f参数降低了输入电容的大小;同时降低了输入电容、变压器及过压保护电路的成本。
TOPSwitch®-GX反激式,最高290W,扩大了功率范围,并具备UV检测、OV关断保护、外部编程电流限流和远程开/关功能。
美国加州Zywyn公司(美商齐荣)小屏背光部分
D1937输入电压+2.4Vto+6.0V,LED3to6颗,电流20~30mA,封装5-SOT23/6-SC70
D1637输入电压+2.6Vto+6.0V,LCD+Bias,电流30~40mA,封装5-SOT23,
D1615输入电压+2.5Vto+4.2V,LCD/OLED+Bias,电流20mA,封装5-TSOT23,
D3200输入电压+2.7Vto+5.0V,LED4to5 颗,电流100mA,封装-TSOT23/8-MSOP
D3210输入电压+2.7Vto+5.0V,LED6to8颗,电流200mA ,封装-TSOT23/8-MSOP
ZD3202 输入电压+2.7Vto+4.5V, LED4to6颗,电流125mA,封装0-MSOP
ZD3203输入电压+2.9Vto+5.0V,1HPWLED,电流300mA,封装10-MSOP
D3205输入电压+2.9Vto+5.0V,1HPWLED,电流500mA,封装10-MSOP
D3213输入电压+2.9Vto+5.0V,1HPWLED,电流600mA,封装10-MSOP
D3215 输入电压+2.9vto+5.0v,1HPWLED,电流800mA,1封装0-DFN3x3
美国加州Zywyn公司(美商齐荣)大尺寸嵌入式背光部分
ZD3313Inductorless,No-Charge-Pump,输入电压+4.5Vto+28V ,LED1~28颗, 4-Channel@50mA/Ch,
ZD3315Inductorless,No-Charge-Pump,输入电压+4.5Vto+28V ,LED1~28颗, 4-Channel@150mA/Ch
ZD3316Inductorless,No-Charge-Pump,输入电压+4.5Vto+28V,LED1~48颗,4-Channel@50mA/Ch
ZD1670Step-UpLEDControllerwith6-ChannelCurrentSink,withAuxiliaryGateDrive,1EN,1RSETandOVP ,输入电压+3.3Vto+26.5V,LED~70颗, 6-Channel@50mA/Ch
ZD1673 Step-UpLEDControllerwith6-ChannelCurrentSink,withAuxiliaryGateDrive,1EN,1RSETandOVP,+3.3Vto,LED ~70颗, 3-Channel
ZD1680Step-UpLEDControllerwith6-ChannelCurrentSink,withAuxiliaryGateDrive,6ENs,1RSETandOVP, 输入电压+3.3Vto+26.5V,LED~70颗,12W6-Ch@50mA/Ch
ZD1681Step-UpLEDControllerwith6-ChannelCurrentSink,withAuxiliaryGateDrive,6ENs,6RSETsandOVP,输入电压+5Vto+26.5V,LED~70颗,36W6-Ch@150mA/Ch
美国加州Zywyn公司(美商齐荣)工业照明部分
ZD831TransformerFreeAC-DCLEDDriver,85VAC~120VAC,~50 颗LED, 30mA
ZD832TransformerFreeAC-DCLEDDriver,85VAC~240VAC,~100颗LED,30mA
ZD850 HighPowerAC-DCLEDDriver,4V~16VACor5V~27VDC, 1~5颗LED,0mA~1.5A
ZD860AC-DCLEDDriver,4V~40VVACorVDC,Upto12颗LED,Upto1.5A
美国灿瑞科技公司
OCP8110低压差固定式350mA恒流驱动
OCP81204-40V输入,驱动3*1W或1*3W大功率LED恒流驱动IC
美商茂力公司(MPS)
EV6001DN-00D
EV1529DR-00A
MP1529FixedFrequencyStep-UpConverterLCDBacklightPlusFlash
EV00356WhiteLEDs,20mAPrecisionWLEDDriverEvaluationBoard
MP1518FixedFrequencyWhiteLEDDriver
MP32041.3MHzFixedFrequency5WhiteLEDDriverwithOpenLEDProtection
MP32051.3MHzFixedFrequency5WhiteLEDDriver
MP15191x,1.5x,2xHighEfficiencyChargePump4WhiteLEDDriver
EV1518DG-00AFixedFrequencyWLEDDriverEvaluationBoard
MP1519L1x,1.5x,2xHighEfficiencyChargePump3WhiteLEDDriver
EV00421x,1.5x,2xHighEfficiencyChargePump4WhiteLEDDriverEvaluationBoard
EV0043(MP1517)3A,25V,1.1MHzStep-UpConverterforWLEDApplications
MP30111x,1.5x,2xHighEfficiencyChargePump2WhiteLEDDriver
EV0022(MP1522)Precision6WhiteLEDDriverEvaluationBoard
EV3011DQ-00A1x,1.5x,2xHighEfficiencyChargePump2WhiteLEDDriverEvaluationd
EV1519DQL-00A1x,1.5x,2xHighEfficiencyChargePump3WhiteLEDDriverEvaluationBoard
EV3205DJ-00A1.3MHzFixedFrequency5WhiteLEDDriver
EV3204DJ-00AFixedFrequencyWhiteLEDDriver
EV0056FixedFrequencyWhiteLEDDriver
EV1528DQ-00A9Lamp,20mAPreciscionWLEDDriverEvaluationBoard
EV0062(MP1541)1.3MHzLowPowerLEDTorch/FlashDriver
MP15173A,25V,1.1MHzStep-UpConverter
MP23591.2A,24V,1.4MHzStep-DownConverterinaTSOT23-6
MP15289Lamp,36VPrecisionWhiteLEDDriver
EV1527DR-02A1.3MHzLowPowerLEDTorch/FlashDriver
MP1521HighEfficiencyWhiteLEDDriver
EV0059MP1567:BuckBoostLumiledsWhiteLEDDriver
EV0021MP1521HighEfficiencyWhiteLEDDriver
美国CATALYST
CAT3604V4路输出30mA倍压低压驱动IC
CAT32锂电池升压4颗LED,40mA电流应用
CAT3273-5V升压4颗LED,40mA电流应用
CAT31010位移位寄存器
CAT3603小体倍压锂电池升压小功率驱动IC
CAT3612手机闪光灯倍压驱动IC
CAT3612并联背光倍压小功率驱动IC
CAT3606并联背双区域光倍压小功率驱动IC
CAT3616并联背双区域光倍压小功率驱动IC
CAT3626并联背三区域光倍压小功率驱动IC
CAT3636并联背三区域光倍压小功率驱动IC
CAT3643并联背光倍压小功率驱动IC
CAT3644并联背光倍压小功率驱动IC
CAT40088位LED移位驱动IC
CAT401616位LED移位驱动IC
CAT4134双路250mA多颗LED驱动IC
CAT41372.5-5.5V高升压小功率升压IC
CAT41395V升压200mA升压驱动IC
CAT420112-24V降压驱动500mA6颗LED驱动IC
CAT42373-4.2V升压6-8颗LED,40mA最大驱动
CAT42385V升压38V,小功率LED应用IC
CAT42408-16V升压38V,750mALED应用IC
欧洲英国IXYS半导体公司
美国迈瑞半导体公司
欧洲部分:
德国英飞凌
TLE4240-2/3M45V输入50mA多颗LED驱动应用IC
奥地利微电子
AS36914路400mA线性恒流PWM可调驱动IC,主要用于大尺寸背光源及全彩灯饰
NXP荷兰皇家飞利浦公司I²CLED显示控制
PCA9530-2-bitI2CLEDdimmer256级
PCA9531-8-bitI2C-busLEDdimmer
PCA9532-16-bitI2CLEDdimmer
PCA9533-4-bitI2CLEDdimmer
PCA9550-2-bitI2CLEDdriverwithprogrammableblinkrates
PCA9551-8-bitI2C-busLEDdriverwithprogrammableblinkrates
PCA9552-16-bitI2C-busLEDdriverwithprogrammableblinkrates
PCA9553-4-bitI2C-busLEDdriverwithprogrammableblinkrates
PCA9633-4-bitFm+I2C-busLEDdriver
PCA9634-8-bitFmI2C-busLEDdriver
PCA9635-16-bitFmI2C-busLEDdriver
SAA1064-4-digitLED-driverwithI2C-businterface
NXP荷兰皇家飞利浦公司高功率系统用SMPS芯片
TEA152X_FAM_2符合全球AC(80V到276V)可达到30W的LED隔离设计
ST意法半导体公司显示器驱动器
M5450,M545135位移位恒流驱动,应用LED屏幕和数码管等产品设计
M548024位移位恒流驱动,应用LED屏幕和数码管等产品设计
M548115位移位恒流驱动,应用LED屏幕和数码管等产品设计
M548216位移位恒流驱动,应用LED屏幕和数码管等产品设计
英国Zetex(捷特科)公司
ZXLB1600LED/OLED升压偏置,输入电压1.6-5.5V,输出电压28V,驱动电流350Ma
ZXLD1100LED升压驱动器,输入电压2.5-5.5V,输出电压28V(max),350mA
ZXLD1101LED升压驱动器,输入电压2.5-5.5V,输出电压28V(max),350mA
ZXLD13507V-30V输入,350mALED驱动器,内置开关
ZXLD13607V-30V输入,1ALED驱动器,内置开关
ZXLD13606V至60V的输入,效率95%,最多16个高功率LED,电流1A
ZXLD1575x1/x1.5充电泵6通道驱动器,输入电压2.7至5.5V,输出电压5.5V,电流120MA
ZXLD1937LED升压驱动器,输入电压2.5-5.5V,输出电压28V(max),驱动电流350mA
ZXSC300LED升压/降压驱动器,输入电压0.8-8.0V,,外置开关
ZXSC310LED升压/降压驱动器,输入电压0.8-8.0V,外置开关
ZXSC400LED升压驱动器,输入电压1.8-8.0V,外置开关
ZXSC440相机闪光灯驱动器,输入电压1.8-8.0V,外置开关
ZXLD1321在1V至12V输入电压范围内工作,提供1A的LED电流
ZXLD1322降压/升压式驱动器,可在2.5V至15V输入电压范围内提供700mA电流
国内部分:
杭州士兰微电子有限公司
SB1672616位恒流驱动全彩屏幕IC
SC16722可级连、大电流输出的专用LED驱动电路
SB42351350mA低压差白光固定式LED驱动芯片
SB42510PWM控制、1A白光LED恒流芯片
CSB42511AZ6-25V输入1A电流驱动IC
深圳泉芯电子技木有限公司
QX2703小体升压背光源指示
QX7135固定式低压差10-400mA恒流驱动
QX7136固定式低压差10-400mA恒流驱动
QX9910大功率20MA-2A,2.5V-220V直驱恒流IC
QX99202.5V-220V可编程LED驱动电流,编程范围为10mA到1A
QX62726LED大屏幕16位移位恒流驱动
深圳光华源科技有限公司
HA22004P用于串联LED供电中,LED串联个数最多可达到110个,输入电压85V~240V,恒定电流值可预设。
深圳国微电子股份有限公司
SM16126B16位恒流移位寄存器,应用于LED屏幕及灯饰产品
深圳市彩拓科技开发有限公司
LPD6803灯光驱动芯片,可级联设计,PWM灰度调节和恒流模式选择
华润矽威科技(上海)有限公司
PT4101白光LED驱动用升压DC/DC转换器
PT4102白光LED驱动用升压DC/DC转换器
PT41055-18V输入电压下驱动白光LED,可驱动单颗350-700Maled
PT4106宽输入电压范围、大功率白光LED驱动器
PT4107通用高亮度LED驱动控制器
PT4108升压高亮度LED驱动器
PT4302双路并联1*/1.5*自调整式电荷泵白光LED驱动器
PT4301,PT43031*/1.5*自调整式电荷泵白光LED驱动器
PT4401,PT4402适用于锂电池的白/蓝光LED驱动器
PT4403低压差350mA电流调整器
深圳市安联创科技有限公司
UCT4390驱动LED电流20mAto2A,输入2.5Vto450V
UCT41XX1W低压差恒流驱动
UCT4150
UCT4403
LED屏幕配套部分逻辑IC,飞利浦些列:
74HC595D逻辑8位移位寄存器
74HC245D3态8总线收发器
74HC138D3-8线译码器、多路转换
74HC164D8位移位寄存器(串进并出)
74HC04D逻辑6非门
74HC08D逻辑6非门驱动器
74HC244D8缓冲/线驱动/线接收(3态)
LED驱动配套部分MOS管:
MT4953台湾茂钿
APM4953台湾茂达
GE4953深圳捷托
SD4953台湾纶阳
400

被折叠的 条评论
为什么被折叠?



