校园网络综合布线系统设计与实践
摘要:随着信息时代的发展,网络综合布线显得更加重要。综合布线技术也日益引起人的重视。综合布线管理系统是一个实用性十分强的系统工程,同样又是现代社区信息化建设的基础与必要产品,是对多用途、智能化大厦建设的必须需要。综合布线系统在建立的各类系统资源的大厦中对总体功能的完成,和确保各部间长久、有效的顺利工作,都发挥着很重要的影响。整体综合布线方案的系统(PDS),又称构件化整体综合布线系统(SCS)。综合布线设备,主要是专门为通讯以及现代计算机网络而设计的电子产品,它可以满足对于各类通讯和现代计算机信息网络系统传输的要求,是专门针对具体的综合业务需求的现代计算机数据网设计的产品。在政府大力提倡建设知识型社会的情况下,随着高等教育产业发展,新型校舍建设不断增加,学校校园规模也逐渐扩大,这对作为学校课余休闲场所的学生宿舍也有了更高的需求,从过去仅是住宿的用途发展为生活,学习,指娱乐的空间。而学校网络也就变成了最主要载体,因为学校的课余时间中大部分都是寝室内上网自习,玩乐等,而近年来在校内网里也发布消息,由老师布置作业,发布消息学习计划等,使得学生在宿舍中对网络综合布线方式有了更多样的要求。
关键词:综合布线、信息传输、通信
Abstract: With the development of the information age, the network integrated wiring is more important. Integrated cabling technology has also attracted increasing attention. Comprehensive cabling management system is a very practical system engineering, which is also the foundation and necessary product of modern community information construction, which is necessary for multi-purpose, intelligent building construction. The comprehensive wiring system plays a very important influence in the established building of various system resources to complete the overall functions, and to ensure the long-term, effective and smooth work between the various departments. Overall integrated cabling scheme system (PDS), also known as the component of the overall integrated cabling system (SCS). Integrated cabling equipment, mainly is specially designed for communication and modern computer network and electronic products, it can meet the requirements of all kinds of communication and modern computer information network system transmission, is specifically for the specific comprehensive business needs of the modern computer data network design products. In the government advocates the construction of the intellectual society, with the development of higher education industry, the new school construction, the school campus scale is gradually expanding, the students dormitory as school extracurricular leisure places also have a higher demand, from the past is only the purpose of accommodation development for life, learning, refers to the entertainment space. And the school network has become the main carrier, because most of the school's spare time is the dormitory online study, play, etc., and in the campus network in recent years, by the teacher assignment, message learning plan, etc., make students in the dormitory to network integrated wiring way has more diverse requirements.
Key words: integrated wiring, information transmission, communication
目录1概述42用户需求分析42.1工程概况52.2总体需求52.3功能的需求63设计目标及依据63.1设计目标63.2设计原则73.3设计依据83.4设计标准及规范84设计方案94.1设计范围94.2结构分析94.2.1.黄楼94.2.2主教楼104.2.3系办公楼114.3布线系统114.3.1工作区子系统114.3.2水平子系统124.3.2接地保护134.3.3接地系统144.3.4垂直干线子系统154.3.5设备间子系统154.3.6管理间子系统164.3.7建筑群子系统164.4总体设计174.4.1总需求信息点174.4.2材料需求175施工安排185.1设备要求与线路铺设建议185.1.1设备要求182.楼宇内主干布线195.1.2线路铺设建议195.2安装环境205.3施工组织计划215.3.1施工准备阶段215.3.2施工阶段216验收标准226.1验收标准221.符合ISO11801和EIA/TIA568国际标准;226.2验收阶段227工程材料及经费预算237.1布线工程报价表237.2线槽管路施工报价表247.3工程总报价表24结束语25参考文献26致谢27
1概述
Y学校地处贵阳市的贵安新区,是一个历史比较悠久的现代化学校,主体包括了三栋教室,包括综合实训大楼,教育基地,综合艺术大楼,教师办公室等。在三栋教室中间,由主教楼为主黄楼为辅外加平坊组成的教育专区。本整体规划方案设计将以Y学校黄楼、主教楼和系房,按照要求和楼层布置状况,包括综合布线的必要性、长远性、可扩展性,及其所选用的整体综合性布线系统产品的特性而建筑设计。以Y学校为主体教育单位,其办公室周围环境的电子化发展、办公室智能化,将影响教学。本实施方案工程设计的综合布线功用,一般是以实现电脑通信、话音通讯、各弱电系统间的互联通讯和互联网视频数据传输为重,不涉及各智慧子体系(如监测报警系统、视频会议系统、一卡通体系)各自所需要的整体综合性布线;而各智慧子体系的整体综合性布线用专用线缆进行。实施方案工程设计中,详细描述了该综合布线网络系统的总体架构及其各分支网络系统的具体设计细部,包含综合布线体系的技术需求分解、整体规划、器材选择、工程用料清单,包括系统测试等内容部分。
2用户需求分析
设计好一个网站,首先要为用户剖析目前存在的主要问题,以明确用户对互联网的实际需要,并在根据未来可能的发展需求的基础上,挑选、设定最适宜的网络结构与互联网技术标准,以创造用户最满意的高质业务。
计算机网络也在Y学院学生们日常的办公条件中起着很重要的角色,因为校园网的工作模式将产生大量移动的www等应用数据,所以也有很大量使用中的主机服务器存在着高速接入计算机网络的需要(目前是一百/1000Mbps,今后将会更快)。这些都必须对网络系统进行一定的主干带宽和连接能力。此外,还针对一些较新的应用类型,如网上教育、视频直播/广播等,也对互联网提供了实现多点广播和宽带高速连接的需求。除去上述以上原因外,还需要关注到由于逻辑的业务网和管理网络间需要互相隔离,因而在完成了高校校园网还应能实现更多网段的配置和隔离,并能实现灵活的配置方案,以适应高校的办公环境的调整和变化,以实现教师移动课堂办公的需求。按照目前通常的考虑,应该将数据与资讯节点的连接以交换一百Mbps以太网的连接方式,以供对宽带要求较高等企业或个人发展使用。而整体项目设计工作的主要目的就是为了建立集数据传输与备份、多媒体技术运用、话音传送、OA使用与网络浏览为一身的高速安全、高性能的宽带与多媒体教学校园网。
2.1工程概况
Y大学地处渚江路,黄楼共五层,建筑物东西总长70多米,南北宽24多米,筑面积约5000多平方米。资讯中心机械室设在一楼,是整座大厦的主要语音互联网数据中心,本楼网络信息资源点为200个,全部采取了超五级的网络布线体系,部分定点单元还使用了光缆,是以信息技术为数据传输基石的综合布线网络系统,其总体设计的主要要点是:以数据中心机械室为核心,将整座大厦的不同层配线架用光缆和大对数电缆,同数据中心机械室联成了一个个有机的整体,使整体网络系统具备了稳定安全、高速率、标准、开放、灵活、适用、可扩展的性能特征,从而适应市场要求。
此楼的综合布线体系建设有一个整体而全面的考虑。信息网络,就需要有一个完善的优质综合配线体系。对配电网间进行了如下选择:要想在形成一个有效的输配电网络之间设二层,负责管理即1层、2层、3层的信息点;同时考虑到对综合布线体系一次建设的需求较高,为了提高综合配线体系的前瞻性、适用、稳定能力和可信度,以及满足未来计算机和互联网迅速发展的需要,在此次实施方案设计工作中我们选用超5类布线产品可以很好地保证目前和将来的应用。
2.2总体需求
-
满足主干1000Mbps,或水平一百Mbps交换至桌面的互联网传输条件;
-
对干线光缆的安装冗余备用,以适应将来扩容的需求;
-
信息点功能,可随需要而灵活变化;
-
相容于不同厂商、各种品牌的网络设备;
特性要求包括服务效果、服务质量、网络吞吐量、网路响应时间、数据传输速度、网路资源使用率、服务可靠性、性能、市场价格比等等等;
-
针对本项目的特点,在话音点和数字点间选择使用同样的传送介质,并统一采用超5段4对双绞电缆,以满足话音、数字互相备用的要求;(2)作为网络主体,数据通信介质全面采用光纤,而话音通信普遍采用大对数电缆;在光纤通道和大对数电缆间,各有余量;
(3)对于与其他系统数据传输时,可采用超五级双绞线和专用光缆;
(4)支持目前水平100M、主干一千M的网络,以及未来发展的需求;
2.3功能的需求
-
计算机网络;
-
应当具备实现视频传输的关键技术要求;
-
其他符合布线标准的设备信息、数据;
-
建立了能够完成与BAS、CAS、OAS、SCS等的信息系统能力联网整合工作的能力条件;
3设计目标及依据
3.1设计目标
充分考虑到综合布线体系进行建设的技术要求非常高,进性、适用范围、稳定性和可靠性,以及更适应的未来互联网高速发展的科技需求,在此次方案设计中我们选择了最优质的AVAYA综合布线网络系统。根据了目前美国各大布线系统制造商的解决方案和技术发展,在本文中所推荐已经使用过的美国为保证综合式网络布线系统的原先AVAYA的全部五种布线系统产品,都可以较好的适应目前和将来的应用需求,并且方便于网络使用,以避免网络在短期内步入技术落后的淘汰阶段,并最大程度地保障了使用者投资。采用了领先、优秀的综合布线产品,其较高的科学技术指数、比较好的工艺特点,使得综合布线系统可以更加适应我国现代化信息系统发展的需要,并采用光纤电缆为系统主干,电源设定,以增加系统宽带并避免电气辐射影响,以满足未来的发展。主干光缆可支援一Gbps之上的网路数据传输速度,而水平超五类光缆则可支援一百Mbps之上的网路数据传输速度。星型的拓扑结构,可以支撑各种多种形式的计算机网络使用。为构建完善的网络系统应用平台,全面保障办公计算机设备、各类媒体采编设施和内部安全设施等的信息系统整合,以机柜型配线管理系统为核心内容,力求进一步提高网络管理的稳定性和安全。
综合考察了各类智能系统和综合布线系统的基本要求后,为其弱电系统设计集成体提供了传输路径。具备高度开放性的体系结构,可与多个厂商的产品相容,具备高度模块化、可扩充、面向用户的特性。可充分适应现在和今后人们在话音、数据分析与影象通讯等领域方面的需要,可将话音、数据分析和影像等各领域方面的通讯功能融于一身,能广泛应用于所有局域网络(LAN)中;可满足将来网络结构的改变以及设备的扩展。
3.2设计原则
以“符合顾客的需要”为首要前提条件,适度超前,统一策划;
-
科技前瞻性:所选择的消费电子产品要技术领先期较长、产品种类丰富,且价格合理;具备较大规模、高性能产品,可满足多媒体应用需求,或将来发展的新型应用。
(2)可扩展性:综合布线网络系统不但要能满足现阶段的业务需要,同时还要满足将来业务发展趋势和最新技术发展趋势的要求。(3)易于更新:由于计算机科学技术正以巨大的速率往前蓬勃发展,所以网络系统的工程设计必须要易于更新。
(4)高可靠性:因为综合布线系统是整个网络系统所依赖的关键设施,所以选择的系统产品一定要具备很高的稳定性和抗干扰能力;
(5)标准:所有通信协议和连接器必须遵循标准,并将是今后的发展潮流;
(6)设备开放性:可以满足不同厂商的设备和不同的平台;
(7)网络安全:具备确保个人信息不被窃、不流失的管理机制;
(8)实用性:控制系统的拓扑结构必须要满足各种应用要求;
(9)企业产品设计、生产、市场营销和售后管理服务:注重企业文化的设计思想,为使用者创造安全、舒适、便利、快速、高效、的企业工作生活环境。
(10)由于传统布线系统有很长的使用期,而重复布线系统只会带来资金上的耗费和时间上的损耗,所以在工程设计时应尽可能做到统一规划,强调实用性,适度超前,一次达到比较先进的标准技术水平。
3.3设计依据
-IEEE802.310BASE-T光纤分布数据接口(FDDI)标准-ANSI/TIA/EIA568A美国联邦商业建筑电信网路布线系统规范-ISO/iecis11801国际建筑通用布线标准
-ANSIFDDI110Mbps的北美标准光纤数据,接入高速局域网系统标准-ATM155Mbps/622.5Mbps的异步数据传输模式标准
-TSB36/40工业标准和国际商业工程配线标准之和规程
-TIA/EIA568A商务建筑物电信布线标准-TIA/EIA568-B商务建筑的综合布线标准
-TIA/EIA569商务建筑物电信布线路由标准-ISO\IEC11801国际综合布线规范
-GB/T50311-2000建筑工程及结构群的综合布线体系建筑规范
3.4设计标准及规范
本方案中所使用的技术规范、构局思想、计量基础、建筑施工技术规范,以及检验过程遵守了下列技术规范或准则:
-
《ISO/IEC11801用户建筑通用布线标准》
-
《EIA/TIA568A,EIA/TIA568B》
-
《GB/T50311-2000建筑与建筑群综合布线系统工程设计规范》
-
《GB/T50312-2000建筑与建筑群综合布线系统工程验收规范》本方案设计依据以下产品标准:
-
AVAYA综合布线系统《设计指南》
-
AVAYA综合布线系统《安装手册》
4设计方案
4.1设计范围
由于本设计方案为Y学院黄楼、范围就在这三楼中进行。主教楼及系办公楼,所以设计
如图4-1所示:

添加图片注释,不超过 140 字(可选)
图4-1设计范围示意图
4.2结构分析
对于大楼内布线方面,主设施房间位于天主教大楼的三楼,二跟五楼则设有分配线间,另外在各楼层也另外设有管理点。由分管点各自引进的光缆主干连接于主设备之间。于大楼间配线,再依次于各管点设备机房、各大楼间设备机房之间经过多模光纤,汇入天主教大楼三层的主设备之间。
4.2.1.黄楼
设备房位于三楼,楼层交换机也在此楼上,一层有五个计算机教学室内,每一个教学室内大概有六十个电脑,所以需要60-80个信号插口。而多媒体房间有二个。所以,这一层大概有四百个信号插口。二层中共有六个教学室,每个教室内二个信息插座,共十二个。。第三、四、和五楼均为二层。所以整个黄楼一共四百六十多间的资讯点。此楼内,由于电脑教室的主机数量比较多,而且在此楼使用的交流机的口数也较多,所以我要用集线器来连结,而其他的则用五类双绞线连结。
黄楼三楼布局图:
图4-2黄楼三楼布局图

添加图片注释,不超过 140 字(可选)
4.2.2主教楼
主教大楼内一共一百个教学室,因为在一楼有建模房和实验室,所以在这二个教学室的讯息点都是在四十个左右,另外每个教学实验室2个,合计二百八十个讯息点。用光缆把主设备之间与副设备间的连线,再分开在从三种装置之间用超五类绞线引起。与全部的信息插座相连。
主教楼三楼布局图:

添加图片注释,不超过 140 字(可选)
图4-3主教楼三楼布局图
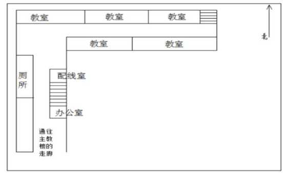
4.2.3系办公楼
设备间在三楼,转辙机就存放在设备间中,一层有九间办公室和一个会议室,每个办公室四个资料点,每个办公室三个资料点,共计二百多个资料点。由于此层共5层,所以从设备内引出的所有双绞线都不能超出一百米。而各信息插座连接处也一律选用超五层的双绞线。
系办公楼三楼布局图:
图4-4系办公楼三楼布局图
根据以上布局示意图,因所知系办公楼与天主教大厦中间并没有互相衔接的走廊,所以需要在二座大厦之间建立一条室外走线架。室外走线支架,一般用角铁、扁钢制、多孔型钢等材料复合,经加热后再在表面热镀锌。
4.3布线系统
4.3.1工作区子系统
工作区域子系统由与计算机终端装置直接连结到信息插槽上的连接线(或软线)所构成,并包含装I/O装置与搭桥。信息配软绳、联轴器以及连接装置所必须的扩展软绳,并在系统终端设备和输入输出口上选择满足ISDN规范的RJ45-8芯电源插座,并针对应用环境选择埋入型、桌上式、地毯型和通用式电源插座,并根据与系统末端设备的相连方式选用适当的显示适应器。
工作区域设计要考虑以下几点:
-
RJ-45的电源插座必须安装在墙壁上,或不方便接触的地方30cm;
-
插座和插头的接线(与双绞线)不要接错线头;
-
工区内线槽台,必须设计得正确、美观;
-
将信息座与计算机设备间的空隙保证在五m范围内;
图4-5工作区子系统图

添加图片注释,不超过 140 字(可选)
4.3.2水平子系统
设备中间子系统,是整体综合网络布线与数据信息信息系统的中枢单位,完成了与各层建筑物之间所汇接的线缆的最终管理。而设备间的管理系统是在全国各幢大厦的相应地点设有出入线设施,实现网络系统信息管理及其工作人员上岗服务的场合。由集成于网络布线信息系统的建筑出入线设备,信息系统、计算机网络等的各种计算机设备,以及建筑内部保安配电设施等所构成,一般用来汇接不同IDF,包含配线架、连接线、绕线环及其单对连接跳线等。设备与子系统及其所有的进线终端装置,均采用了色标区分给不同应用的配线区。为了满足各种计算机系统和网络对接线管理系统的要求。电脑与网络间可采用由光纤连接跳线等所组成结构航的线路互连方式,并使用了各类互联网协议支撑着各类计算机和网络系统。
计算机在网络中心和各配电网间的设置:采用了标准机柜设计,对每个信息节点都采用了相应的编号规范和颜色规定,以便于用户的行使和管理工作更加便利,数据主配线间则位于一个校园的网络系统中,用十二芯室外光纤连通在所有楼层的配电网机柜内,本机柜另外还承载了在一楼的所有资讯节点的配线架。而管理工作第一高中校内网网络中心的位于教师办公室综合楼五层并在此设置了核心交换机设备,管理工作第一高中校内网教室配线光缆间位于四楼弱电部分间内,管理工作第一高中校内网信息管理教室资料点,第一高中校内网信息管理书籍室配线光缆间位于三楼弱电部分间内,第一高中校内网信息管理书籍室资料点,第一高中校内网教工寝室一号楼、2号楼、3号楼、4号楼配电网之间的均位于二楼弱电部分间内,管理工作第一高中校内网教工寝室一号楼、2号楼、3号楼、4号楼资料点,主设备间则位于管理第一高中校内网网络管理中心。
设备与环境注意要求:
主设施的对周边自然环境有较高需要。主设备间内需形成一种光照正常、通过精心调整、稳定而又受到保障的工作状态,并且一般必须满足下列条件:
一、保持房间没有灰尘,具备良好的通风设施,房间的照度不小于五百四十Lx。
二、温度一般维持在十八摄氏度至二十七摄氏度左右,相对湿度则维持在百分之三十至百分之五十五。建议配置中央空调以提高温、湿条件。
三、安装了合理的满足有关规范要求的消防系统。
采用防火门、必须能防火一小时以上的的防火墙(从地面到天花板)和阻燃涂层。卧室中至少有一条窗留作安全出口。设备房间内的电气设备安装建议进行抗震检查加固。最有效的保护措施是制作好防震底座,并在地面用膨胀螺栓加固。将网络机架用螺丝联接并紧固在耐振的底座上。设备间内机架及机柜前部净空大于800mm,后部净空大于六百mm。挂墙式配电装置底座距地板的高度超过三百mm。每个配电架的金属基座上均应联接,联接电压不超过3欧姆,每个供电插口的总容量不低于三百W。空间内还应当提供UPS开关电源,以保证网络设备日常工作和维修的必要开关电源供给,对供电插口的总容量也有相应的要求。对各那楼中学层的设备管理间,对环境也有严格规定。对于环境温度,通气情况等都应当满足相关的条件,一般电气设备应当尽可能保证在空间内无粉尘,并满足相关的灭火标准,设有灭火控制系统等。电气设备空间内的总面积(除计算机网络核心以外)建议超过十平米。电气设备空间内提供2个200V、10A带防护连接的单相电源插口。
4.3.2接地保护
综合布线系统设计为光缆,并与相应的接口硬件同时相接是进一步提高综合应用系统稳定性、控制噪音、保障安全的重要手段。所以,所有工程设计人员、施工人员在完成综合布线体系设计与施工的前后,都必须事先对好所有设施,特别是应用系统基础设施的电气接地条件加以仔细调研,摸清电气接地条件和各种地线间的相互关联。一旦对电气接触线路管理不善,就会影响系统电气设备的稳定性,从而产生故障,甚至会破坏整个系统基础设施,危及工程作业人员安全。综述了布线系统机房与设备间的连接方式,按不同用途分为直流工作接触、交流工作接触、安全防御接触、防雷保护工作、防静电接及热屏障接触等。
4.3.3接地系统
机房的连接条件。根据《电子行业计算机机房设计技术标准-GB50174-93》中,有关连接的相关规范:交流工作连接、保险防护连接、防雷防接地的连接电流宜≤4欧,本工程的最大连接电流为≤2欧,以提高安全和可靠性。机舱内采用了独立接地体的连接网,并规定连接桩距建筑地面15-20米处。
电脑接地线路设计是人们用来减少公共电阻的合,避免寄生电容偶和的影响,保障电气设备与人的安全,以及维护计算机平稳安全地工作的主要措施。而如果说接地和屏蔽正确的组合起来,那么在抗干扰设计上最经济而且效益最可观的一项,所以,人们为能确保计算机安全,平稳、安全的工作,并保障设备人的安全,根据各类电脑的各种特点,设计出了适当的接地线路。
水准子系统指由各高层的配电间和工作区用户信息系统相连。由用户的消息端口、水平电缆、配电装置等所组成的。在综合布线中,水准部分是在电脑和网络之间传输的最主要部分。通过星型的拓扑结构,所有资讯节点都要链接到管理子系统上。由UTP、STP光缆等所组成。最大水平间距为:90m。通过配线架可以跳连到换换机等装置和通信模块上,跳连到电脑的链路跳线的总长度一般不大于十米,连接管道全长不大于十米。水平分布体系实施是整个综合分布体系中最大量的工作,一般在建造实施完毕后,就无法更改。所以要建立标准,提高链路性能。图4-6水平子系统图

添加图片注释,不超过 140 字(可选)
4.3.4垂直干线子系统
垂直线路子系统由联接主电气设备相互之间与各楼层配电网间相互的电缆所组成。其功用重点是将各层次配电架与主配电架相连。用主干电缆完成了楼间联系的最重要途径,从而使整条布线体系形成了一次有机的总体。而垂直线路子系统拓扑结构上也采取了分层的星型结构,所有楼配线之间都要利用相互垂直的主干线缆联系到大厦主设备间。
4.3.5设备间子系统
设备与子系统主要由线缆、端口,及其相关的支持软硬件功能设备所组成。它把所有公用的多种不同设备都连接在一起,当中包含了光缆、双绞线电缆、同轴电缆、程控交换机等。
在建造设备间时要考虑如下几个点:
A、房间采光、通风良好。
B、应当设置满足机房标准的消防控制控制系统。
C、使用防火门,墙面使用阻燃漆。
D、做好防静电装修。
E、避免电池场的影响。
F、设备空间必须保持在地面二点五五M高的无障碍空间内,门高为2.1M,宽度最少为90cm,且地面承载能力不小于五百KG/MM。
4.3.6管理间子系统
信息管理子系统主要由交叉连接、互联、和I/O系统等组成。信息管理间是各楼层的主要配线空间,而信息管理子系统又为与其他子系统互联提供了手段,同时也是联系垂直干道子系统和水平干道子系统之间的关键装置,其主要为配电架、交流机等联网装置,此外还有机箱和开关电源等。配线架的选用及配置:为了分配线路空间的设计,我们选用了比较集中、灵活的工作方式,以充分利用配电架的体积,并满足较好的工作特性价格比。对所有的技术水平工人和垂直UTP双绞线,都采用了Lucent48口和二十四口非屏蔽的配电架进行工作,使各种数据点之间能充分相互利用,且工作、维护更加灵活有效简便。
4.3.7建筑群子系统
建筑群子系统可以用来联接各相对分散的楼宇,因为这些楼宇离数据中心的间距大概达到了一百米左右,并且充分考虑到现代的互联网技术ATM、千兆以太网等对互联网宽带的需求(155M/622M/1000M),系统主干我们选用多模光缆(多模光缆可以在范围内支撑一千M主干)。

添加图片注释,不超过 140 字(可选)
图4-9建筑群子系统图
4.4总体设计
所有校园的网络布线网络系统,都采取了光缆-UTP铜缆的混合方案设计。充分考虑到楼群的高复杂性构造,以及由多模光缆、双绞线等所支撑的最大间距,计算机中心机房位于天主教大楼内,与其它楼各设一个在大楼配电网之间。在楼群配电网间,以及各大楼城市配电网内部的数据主干网络系统则使用了光纤连接技术,可支援在传统以太网、令牌环网、100Mb/s高速以太网、FDDI,以及六百二十二Mb/sATM、千兆位速以太网等的不同应用领域,能更高效地降低串音干扰,使话音、数据和图象传送得更清晰、更高效。
4.4.1总需求信息点

添加图片注释,不超过 140 字(可选)
表4-1总需求信息表
4.4.2材料需求
信息点全部使用了F-nEtCAT5E4对UTP的超五类优质无屏蔽双绞线。而通过本组研究以及基本实际经验,结合各层的各高层的水平图,可以测算出各楼线缆的总宽度。每盒CAT五E四相对于UTP线缆总长约三百零五米。据检测工程师核算,若全楼总用线为2400米,则合计约需八箱。而主教楼约需1500米,小黄楼约需700米,办公楼约需200米,则合计约为二千四百米。
楼间连接形式采用了室外六芯多模光纤,或室外六芯单模光缆,从校园的平面图中能够粗略估计出实际间距,有些还可能使用特殊构造的专用管线,或使用架空形式或从新敷设的地底管线。

添加图片注释,不超过 140 字(可选)
表4-2材料需求表
5施工安排
5.1设备要求与线路铺设建议
5.1.1设备要求
-
对双绞电缆和光纤产品,规格、方法、型式等必须严格按照所设计的技术标准和购销合同的要求规定。
(2)金属线槽及附属设备:宜选择进行过镀锌加工的已定型加工商品。产品规格和尺寸,应当符合相关产品规范。线槽内表面要光洁平顺,无棱刺,也不应为弯曲、翘边等变化现象,要有生产合格证。(3)所有类涂锌铁件表层加工和涂装应一致完整,表层光滑,无剥落、气泡等瑕疵。
(4)接插件:各种跳线、接地排、信息电源插座、光纤电源插座等的型号及尺寸要求,在总量上应当满足标准设计规范,且发出、收到的标记醒目,且有生产合格证。(5)配线装置,光缆连接装置的型式尺寸须满足工程设计规定,光缆连接装置的编排和标识名称须与工程设计一致。
(6)电缆桥架、金属材料桥梁等结构的规格尺寸、重量都要符合相关设计规范,金属材料大型桥梁的铝镁基层间不应为松散断裂现象,金属材料桥梁表面要平顺、光洁、无棱刺,无弯曲、翘边、铁损变形等现象,并有生产合格证。
(7)所有塑料线槽和附件尺寸的尺寸都必须符合相关产品规范,并选用了相关的定型加工商品。其铺设场地的环境温度不宜小于-15℃,且阻燃效果的能氧指数也不宜小于百分之二十七.电缆沟槽内外表面应平滑而无梭刺,不应有弯曲、翘边等变形现象,要有良好产品质量合格证。
双绞线验收测试标准:
★国际商用楼宇布线标准:TIA/EIA568标准
★根据中华人民共和国通信电子行业的标准通信技术规范YD/T926.2-1997neqISO/IEC11801:1995验收测试项目:
-
双绞线测试项目 长度;线序;衰减;近端串音;回波损耗;环路电阻;阻抗。
-
双绞线测试参数 频率为MHZ,基本链路的最大衰减(DB)(ATTENUATION)水平电缆总长度:约九十M设备连接长度为四M温度二十度基本链路最小近端串音(DB)(NEXT)水平最坏对组合
-
综合布线连接方式测试1.水平布线测试与连接方法基本连接方式
基本线路通常是指电话电路的固有线缆铺设组成部分,但并不包含插座或网路设施的末端部分接电缆。基本连接方式通常分为:水平电缆、双端测试跳线。其中F≤90m,G和H≤2m。连接到测试仪上的接线头不包含在基本电路的范围内。
释义为:f-测试信息出口或转接节点与测试水准连结跳线间的相连;g-测试水准连结跳线;h-测试跳线管道连结的方法,而管道连结则是指测试网络设施的整个连接线。利用管道电缆回路的测试方式,可检测由端到终端集成电路(包括跳线、适配器)的传送特征。管道电缆回路一般分为:水平线缆、工作区域内的子系统跳线、信息插槽、邻近工作区域内的转接点和配线范围内的二个连接点。其中B+C≤90m、A+D+E≤10m。接到测量仪上的接口头不包括在通道电路中。解释:a-工作区电气设备的联接跳线;b-转接线;c-电气设备水平配线;D-快接式或卡接式跳线;E-通信配线架设备跳线;区域测试仪有Fluck、MicroTek的公司产品。水平布线方法的电缆测试连接方法因为电缆连接距离只能在建筑内部进行,而不能被严格控制。
2.楼宇内主干布线
大楼所使用的多模光纤、单模光缆和大对数铜缆布线方法均可,但检查起点为各楼层配线架,检查终端为大楼总配线架,主干链路的有效长度为<350m。
5.1.2线路铺设建议
-
工作范围:可使用壁型或地板型信息插座,可使用国际标准的RJ-45网络接口。
-
水平线缆的走向与建议:在水平布线时,可选用大型桥梁、连接管线以及地下线槽等走线型式。在各层配电价格之间,都有一条水平的分配线架(IDF),可使用此水平的大型桥梁将水平电缆上在各房间中的所有信息点都导入至IDF。
-
垂直电缆与IDF的摊铺建议:将各层与城市供电网之间内的垂直干缆经配电网之间内的竖井,然后再根据各信号接收器用途的不同,分别导入至不同的MDF。
-
配线架布置的建议:因为所有配线架均布置在各层的输配电系统之中,故推荐将配线架布置在19"标准齿轨中,或在配线架的计轴装置中。
-
MDF在设备空间内的布放位置待方案设计研究人员确认后,随工程设计效果图一同进行。
5.2安装环境
1,一设备间必须选择设置在电梯旁边,才能装载较笨重的机器设备;
2,设备间的最小设计安全高度是28OcmX2OOcm,而标准的天花板长度则是2.4m,
3,门的尺寸应该是二点一mx一m,向外开;
4,在机械设备和地面之间选择采用耐磨防静电贴面的防静电地坪,抗静电特性较好,经长久使用后并无变化、褪色等状况。设备间的地面,负重力量最小为五OOkg/mz;
5,因为设施间多采取下进线的方法,在地面下必须铺设走线槽和通风,所以,地面的净空长度应该是10-5Ocm;
6,为隔热、防尘须装设双面合金玻璃窗,或装设遮蔽门窗,并装设专用通风、
7,滤尘设备,保证设备间透气良好;
8,室内外灯具不小于150Lx;
9,温度保持在18-27摄氏度之间;
10,湿度保持在30%-50%之间;
11,工业设备工作间尽量避免在存放危险物品的场所,以及与电气千扰源或平行线缆互相隔离的地方地方间距,不等于50一6Ocm;
12,室内应提供UPS电源配电盘以保证网络设备运行及维护的供电
13,各种电源插座的总容量都不能小于300W;
14,设备内部应设有符合规定要求的消防系统;
15,电气设备之间均应安全的交换(220V、S0H2)电源供电,有单独的开关控制电源接口,以避免偶尔停电的事件出现;
16,建设防雷设施;
17,应当给出正确的系统接地网络以及接地环带的定位与布局示意图,以防止设备接地网络和建筑接地网络冲突。
5.3施工组织计划
5.3.1施工准备阶段
包括图样编写及审核;建设工程计划;进行建筑施工进行产品设计及建筑方案的制定;工程设备/材料的购买及定作;工程施工用具及基础设施的准备与制造队伍的组织准备等。
5.3.2施工阶段
主要是协助土木和安装工程施工人员,预留管线管路;安装与土木人员现场施工相关的支撑紧固部件;安装配线柜和配电箱等;随土木项目的进行,逐步完成各子系统电气设备配置和道路铺设工作;各子系统检验测试等。5.3.3竣工验收阶段
包括系统测试并进入正常工作;完成全部测试报告和验收报告;汇集建设单位、施工单位和建设监理单位检查;现场验收;针对有专业管理人员的转场系统进行专业负责人的验收。
总之,不管工程项目高低,系统的难易程度,都需要在施工过程中有条循序渐进地,按次序连贯完成;同样,在累积经验、学习先进技术的基石上,还需要严格按照相应的建设程序,包括图纸会审、技术交底、建筑变更、建筑施工计划、建筑施工协调、竣工验收等,才能更有效地提升工程效果,保证质量。
6验收标准
6.1验收标准
1.符合ISO11801和EIA/TIA568国际标准;
2.符合GB/T50311--2000及GB/T50312--2000国家标准;
参照国际、国内标准验收(EIA/TIA568、IS1181、GB/T5311--2及GB/T5312--2)。3.竣工验收规范:结构化布线工程,竣工验收的内容、方法与要求等,均遵循此规范中华人民共和国技术标准为——GB/T50312--2000《建筑设计与楼宇群综合布线体系工程检验技术标准》。4.在建筑检验后,建设单元应当将建筑检验施工技术参考资料一式二份送给使用单位。
5.在施工变更、检查记录或施工过程中,要求改变的设计原则或采取有关措施者,由施工、设计、施工时各单位之间的双方洽商记录;信息插口上所有螺钉都需要拧紧;标志完整齐备;装配满足工艺技术规定;尺寸、定位、质量;随工检测;PVC线槽安装安装,定位准确;装配满足工艺技术规定;随工检测;缆线的布放缆线尺寸、路由、定位;满足布放缆线工序规定;缆索的保护设施的设置质量。
6.2验收阶段
-
在设备供应商认为系统已经调试好满足使用条件时,会同工程师和业主进行系统验证。
-
对系统检验所须进行的验收测试项目和各项目检验的方法与条件,必须提前报送施工建设指挥部批准,经工程部同意后方可实施。
-
当系统测试过程中的某个部分出现了问题,需要在纠正错误后再重复做试验,在重复试验时,需要有三次以上的同一试验结果都没有出现问题,并且工程师表示满意后才能计算通过。(4)供应商应提供检查和测量的工具的仪表。(5)在检验测量设备时,一定要有详尽的工艺记载。试验完成后,客户需把修整好的测试结果就交给了技术人员。
(6)经检测后的系统将需要再进行一段时间的测试,在试运行阶段,系统工作将由供应商与业主的员工一起负责。
(7)在系统调试之前,设备供应商要开展培训课程,使设备业主的雇员们熟悉技术材料与图纸文件,并熟悉系统布置、控制等方面的实际状况,内容包括:系统的总体设计,系统每日执行的动作和监视,故障,对损坏装置的调换、修理和系统装置的例行性维修保养等。(8)在试运行阶段,供应商要引导或帮助业主人员进行施工记录,如有重大问题发生,要及时处理并记录在案。
(9)在调试完成后,系统提供商须将一套完整的施工竣工图随同整套系统转移给工程业主。成交前通常需要先经工程人员的审查,认为合乎要求时方可真正交由工程业主。
7工程材料及经费预算
7.1布线工程报价表

添加图片注释,不超过 140 字(可选)
表7-1布线工程报价表
7.2线槽管路施工报价表

添加图片注释,不超过 140 字(可选)

添加图片注释,不超过 140 字(可选)
表7-2线槽管路施工报价表
7.3工程总报价表

添加图片注释,不超过 140 字(可选)
表7-3工程总报价表
结束语
经过比对工作后的区域控制子系统、标准子系统、控制子系统、垂直的控制子系统、网络设施及中间的控制子系统等这几种系统的设计与实现,既能够为Y大学网提供了完善的计算机网络布线体系,同时又为在Y大提拱严密监控与管理系统的学生们提供了生活的安全保证。同时,该配线体系还可以全面满足现代与未来信息技术的发展趋势,实现高速公路数据通信、传输,以支撑各类计算机网络技术设备、通讯协定,以及包括信息系统在内的应用。而Y大学网网管中心包括了网络系统、监测管理系统等于一身的中央机房,通过这种的设施既能够便于网络管理员对整体学校开展维护管理的工作,还能够有效节约学生在设备维修、更换等这方面上花费大量投资,从而便于学生的在大数据分析上的交换。能够给日常生活,娱乐,教学,工作上带来方便,为教师、学校获得高质量的互联网资讯保障,为互联网的传播提供一个很好保障,为客户全方面的提供资讯保障。
参考文献
[1]刘卫东,《结构化布线》,天津大学出版社.2009
[2]王再英,高虎贤,《国际智能建筑》,电子工业出版社.2005
[3]王春海,张晓莉,王金珠,《企业网络应用解决方案》,北京科海电子出版社.2006
[4]刘国林,《综合布线》,机械工业出版社.2010
7959

被折叠的 条评论
为什么被折叠?



