HNU_电路与电子学(数字电路与逻辑设计)
第20讲 选择与基于事件的模拟
仅供参考,请先独立思考
一、课堂活动
得分: 90/100
题目:
- 请问,除电路规模不一样外,书上表3-7与表3-8有何不同?
- 做出8-1多路开关的紧凑真值表,并写出输出的逻辑表达式。
- 请画出4重2-1多路复用器的内部结构。
- 写出PPT上例20.1中用多路开关输出Y对应的8个数据输入的值:
D0-- , D1-- , D2-- , D3-- , D4-- , D5-- , D6-- , D7-- 。 - 继续对全加器进行模拟,写出由于事件(10, a, 1)产生的一系列新事件。


解答:
二、课堂测试
得分: 95/100
题目及解答:
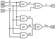
- 分别用两个8-1多路复用器和两个4-1多路复用器设计一个1位全加器,要求画出电路图。
三、课后作业
得分: 95/100
题目及解答:
-
第3章第41题
-
第3章第47题