TENGJUN耳机插座JA06-BPD055-C:好用又灵活的卧插式音频接口

在日常用的耳机、音箱,或是工业设备的音频接口里,TENGJUN这款JA06-BPD055-C耳机插座,凭着“卧插设计+可换3-5极+金属外壳”的特点,成了很多设备的首选。它不挑场景,不管是家里的小音箱,还是工厂里的控制设备,都能适配,关键是安装方便、用着还耐用,完全能满足大家对音频接口“简单、靠谱”的需求。
 
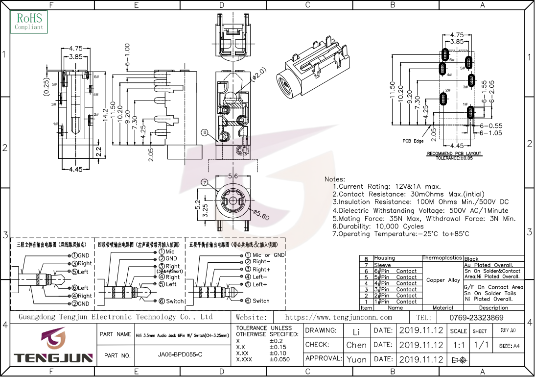
一、卧插设计:省空间的“横向安装高手”
 
  1.这款插座最明显的优点就是卧插结构,简单说就是它不像普通插座那样“竖着插在电路板上”,而是“横着贴在电路板表面”。咱们平时见的很多插座,插在板上会向上凸起一块,特别占空间;但这款卧插的,安装后基本和电路板齐平,垂直方向的空间能省一半以上。
 
  2.比如在超薄的蓝牙音箱里,机身本来就只有10毫米厚,要是用普通竖插插座,光接口就占5毫米,机身厚度肯定得增加;换成这款卧插的,接口部分只占2毫米左右,完全不影响音箱的轻薄设计。而且它安装时不用额外打螺丝,直接靠引脚固定在电路板上,工人组装起来又快又省事,还不用担心螺丝没拧好导致接口松动。
 
二、3-5极可换:一个插座适配多种设备
 
  1.和固定极数的插座不一样,JA06-BPD055-C支持3-5极切换,这就相当于一个插座能当多个用,特别灵活。咱们平时用的耳机,有的只需要听声音(3极:左声道、右声道、接地),有的带麦克风能说话(4极:多一个麦克风引脚),还有的工业设备可能需要额外的信号传输(5极:再增加一个功能引脚)。
 
  2.以前设备厂家得给不同极数的需求,准备好几种插座;现在有了这款,不管是做普通耳机接口,还是带麦的游戏耳机接口,甚至是工业设备的特殊音频接口,用它一个就行,不用再囤各种型号的插座,既省了成本,又减少了库存麻烦。
 
三、关键尺寸:刚好适配大多数设备
 
  1.这款插座的两个关键尺寸——长度14.2毫米(L14.2) 和引脚间距3.25毫米(CH3.25) ,都是照着市面上大多数电路板的设计来的,不用特意为它修改板子的布局。
 
  2.14.2毫米的长度,刚好能放进大多数小型设备的接口区域,比如迷你蓝牙音箱、便携式录音笔,不会因为插座太长导致设备变大;3.25毫米的引脚间距,和常见电路板上的“孔位距离”完全匹配,工人焊接时不用费力对齐,插上去就能焊,大大降低了装错的概率。
 
四、金属头:耐用还抗造
 
  1.它的金属外壳也是个大亮点。比起塑料外壳,金属的更结实,平时插拔耳机时,就算不小心用点力,也不容易把接口碰坏。而且金属外壳还能防刮擦,用久了也不会像塑料那样发黄、掉皮,看起来一直很新。
 
  2.另外,金属外壳还有个隐藏优势——能减少干扰。咱们用耳机时偶尔会遇到“滋滋”的杂音,很多时候是周围电器的信号干扰导致的;金属外壳能像“盾牌”一样,挡住这些干扰信号,让耳机里的声音更清晰,不管是听歌还是打电话,都不会有杂音烦扰。
 
五、适用场景:从家用到工业都能hold住
 
  1.在家用电子设备里,它的用处特别广。比如做家用智能音箱时,用它当音频输出接口,卧插设计能让音箱机身更薄,金属头又耐用,家里老人小孩插拔也不怕坏;做儿童故事机时,3-5极可换的特点,能同时满足“听故事”(3极)和“跟机器对话”(4极)的需求,不用额外装两个接口。
 
  2.在工业设备里,它的优势也很明显。比如工厂里的控制触摸屏,需要音频接口来播放报警提示音,这款插座的金属外壳能抗住车间里的轻微振动,不会因为机器晃动导致接口松动;而且它的引脚间距标准,和工业电路板的兼容性好,安装起来不用额外调整,能提高设备组装效率。
 
总的来说,TENGJUN JA06-BPD055-C耳机插座,没有复杂的技术噱头,就是靠“卧插省空间、极数可换、尺寸适配、金属耐用”这几个实在的优点,成了很多设备的“心头好”。不管是做家用小电器,还是工业设备,选它都能省心又靠谱。

评论
添加红包

请填写红包祝福语或标题

红包个数最小为10个

红包金额最低5元

当前余额3.43前往充值 >
需支付:10.00
成就一亿技术人!
领取后你会自动成为博主和红包主的粉丝 规则
hope_wisdom
发出的红包
实付
使用余额支付
点击重新获取
扫码支付
钱包余额 0

抵扣说明:

1.余额是钱包充值的虚拟货币,按照1:1的比例进行支付金额的抵扣。
2.余额无法直接购买下载,可以购买VIP、付费专栏及课程。

余额充值