ADI的BF561双核DSP怎么做开发,我来说一说(八)4*4小键盘的设计

作者的话

ADI的双核DSP,最早的一颗是Blackfin系列的BF561,这颗DSP我用了很久,比较熟悉,且写过一些给新手的教程。

硬件准备

ADZS-BF561-EZKIT开发板:ADI原厂评估板

AD-ICE20000仿真器:ADI现阶段性能最好的DSP仿真器

产品链接:https://item.taobao.com/item.htm?id=753233120844

软件准备

Visual DSP++5.1.2
CCES2.11.1

硬件环境的搭建

在这里插入图片描述
程序实现功能

学习键盘扫描原理,学习 ADSP-BF561 处理器利用 CPLD 的 I/O 资源,扩展键盘的设计方法及程序设计。

实现原理

利用 ADSP-BF561 处理器 EBIU 读取 CPLD 内部的键盘控制器键值寄存器,并将相应的键值信息打印出来。

BF561 通过 EBIU 接口和 CPLD 连接,利用 CPLD 在内部设计出键盘控制器,进行键值的行列扫描,将键值返回给键值寄存器,BF561 通过读取键值寄存器获得键盘的键值,根据键值作相应的处理。

在这里插入图片描述

在这里插入图片描述

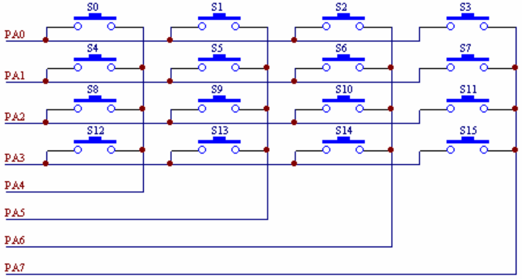
图 是矩阵键盘的硬件连接图,PA3~PA0 为行线输入端,PA7~PA4 为列线输出端, PA0-PA7 全部接上拉电阻。PA7~PA4 向所有的列线分别且循环输出低电平即 0111,1011,1101,1110;读取各行线 PA3~PA0 的状态,若行线状态全为高电平,则表明无键按下,若行线状态中有低电平,则表明有键按下。即:PA7~PA4 四条列扫描线在每次输出低电平期间,同时读取各行线 PA3~PA0 的状态,确定键值。例如:PA7~PA4 输出"1011",此时若
读取 PA3~PA0 的状态为"1110",则表明按键 S2 被按下。

将键盘 8 条扫描线与 BF561 地址空间的 0x2C3E0000 相连接,对应如下表(逻辑 1 表示高电平,逻辑 0 表示低电平)。

在这里插入图片描述

在程序中不断向该地址循环写入 0xfe,0xfd,0xfb,0xf7,经短暂延时后,在读取该地址的值。最后根据得到的值,判断被按下的键。

核心代码分析

void scanfkb(void)
{
int keypressflag ;
unsigned char oldkbdat,kbdat;
int i;
uint8_t row=0x1;
for(i = 0;i < 4;i++){
*pCtrIn_Kb = ~row; //列线循环输出 1110,1101,1011,0111
mdelay(50);
oldkbdat = *pCtrIn_Kb; //读取扫描数据
row = row << 1; //准备输出下一个列线值
if((oldkbdat&0xf0)!=0xf0){ //判断行线输入是否有低电平
kbdat = *pCtrIn_Kb;
keypressflag = 1;
if(oldkbdat == kbdat){
do{
kbdat = *pCtrIn_Kb;
}while ((kbdat&0xf0)!=0xf0); //等待按键被释放
keydecode(keypressflag,oldkbdat);
keypressflag = 0;
}
}
}
row = 0x01;
}

程序运行结果

按 4*4 键盘的任一键可打印该键值。

在这里插入图片描述

评论
添加红包

请填写红包祝福语或标题

红包个数最小为10个

红包金额最低5元

当前余额3.43前往充值 >
需支付:10.00
成就一亿技术人!
领取后你会自动成为博主和红包主的粉丝 规则
hope_wisdom
发出的红包

打赏作者

ADI_OP

你的鼓励将是我创作的最大动力

¥1 ¥2 ¥4 ¥6 ¥10 ¥20
扫码支付:¥1
获取中
扫码支付

您的余额不足,请更换扫码支付或充值

打赏作者

实付
使用余额支付
点击重新获取
扫码支付
钱包余额 0

抵扣说明:

1.余额是钱包充值的虚拟货币,按照1:1的比例进行支付金额的抵扣。
2.余额无法直接购买下载,可以购买VIP、付费专栏及课程。

余额充值