【技术帖】模拟开关的用法

模拟开关的原理、选择与应用

模拟开关定义

模拟开关(Analog switches)主要是完成信号链路中的信号切换功能。采用MOS管的开关方式实现了对信号链路关断或者打开,由于其功能类似于开关,而用模拟器件的特性实现,称为模拟开关。模拟开关回路可以实现较高的关断阻抗,一般是兆欧姆以上的关断阻抗,这是模拟开关的作用之一。为增加大家对模拟开关的认识,本文将介绍模拟开关的作用、模拟开关的选择方法。

工作原理

图片

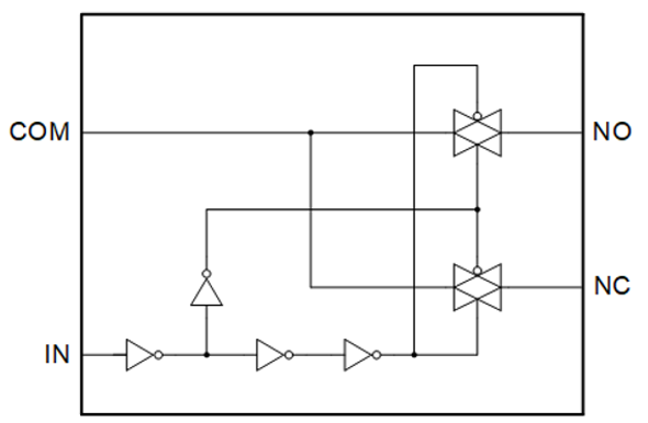
图1 模拟开关工作原理

模拟开关工作原理如图1,当IN端输入低时,通过逻辑控制使得COM和NC之间的通道闭合,COM和NO之间的通道断开,IN端为高时,则与之相反。

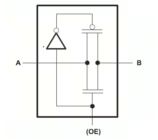
图片

图2 传输门开关原理图

图2为NO/NC口的FET(传输门)的原理图,由一个N沟道晶体管和一个并联的P沟道晶体管组成,当OE端输入为高时,经过反相器后,P沟道导通,N沟道导通,此时A到B导通。与之相反,当OE端输出为低时,P沟道与N沟道阻断,此时A到B关断。

如何选择模拟开关

模拟开关作用主要是用于信号的切换。目前集成模拟电子开关在小信号领域已成为主导产品,与以往的机械触点式电子开关相比,集成电子开关有许多优点,例如切换速率快、无抖动、耗电省、体积小、工作可靠且容易控制等。但也有若干缺点,如导通电阻较大、输入电流容量有限、动态范围小等。因而集成模拟开关主要使用在高速切换、要求系统体积小的场合。艾为的模拟开关采用CMOS工艺制成,均可应用于较宽的频段范围。

选择模拟开关时需考察以下指标:

1. 通道数量

集成模拟开关通常包括多个通道。通道数量对传输信号的精度和开关切换速率有直接的影响,通道数越多,寄生电容就越大。因为当选通一路时,其它阻断的通道并不是完全断开,而是处于高阻状态,存在泄漏电流,另外通道之间也存在着耦合与寄生电容,所以存在通道之间的相互干扰。

2. 泄漏电流

一个理想的开关要求导通时电阻为零,断开时电阻趋于无限大,漏电流为零。而实际开关断开时为高阻状态,漏电流不为零,常规的CMOS漏电流约1nA。如果信号源内阻很高,传输信号是电流量,就特别需要考虑模拟开关的泄漏电流,一般希望泄漏电流越小越好。

3. 导通电阻

导通电阻的平坦度与导通电阻一致性。导通电阻会损失信号,使精度降低,尤其是当开关串联的负载为低阻抗时损失更大。应用中应根据实际情况选择导通电阻足够低的开关。必须注意,导通电阻的值与电源电压有直接关系,通常电源电压越大,导通电阻就越小,而且导通电阻和泄漏电流是矛盾的。要求导通电阻小,则应扩大沟道,结果会使泄漏电流增大。导通电阻随输入电压的变化会产生波动,导通电阻平坦度是指在限定的输入电压范围内,导通电阻的最大起伏值ΔRON=ΔRONMAX—ΔRONMIN。它表明导通电阻的平坦程度,ΔRON应该越小越好。导通电阻一致性代表各通道导通电阻的差值,导通电阻的一致性越好,系统在采集各路信号时由开关引起的误差也就越小。

4. 开关速度

指开关接通或断开的速度。通常用接通时间TON和断开时间TOFF表示。对于需要传输快速变化信号的场合,要求模拟开关的切换速度高,同时还应该考虑与后级采样保持电路和A/D转换器的速度相适应,从而以最优的性能价格比来选择器件。

5. 开关耐压

模拟开关由于其应用的信号链路为电子板低压工作环境,耐压值一般在15v以内,常见的有3.3v、5v、12v、15v等最大耐压值。选择时必须注意信号链路的最大电压与器件最大耐压值。

6. THD(总谐波失真)

该指标可以衡量模拟开关对于音频信号的还原度,一些音频的信号处理对THD要求严格,THD定义为,信号功率与谐波及噪声的dB比值。THD与模拟开关的导通电阻的平坦度相关。一般来说,随着导通阻抗的增加,导通阻抗平坦度(即导通阻抗在输入电压范围的变化)也相应升高。而导通阻抗平坦度的升高会降低THD性能。也就是说,在输入电压范围内,导通阻抗越平坦,THD性能就越好。

模拟开关应用

模拟开关与机械开关不同,在使用时需要考虑它的半导体特性:

1. 导通电阻(Ron)随输入信号(VIN)变化而变化

图片

图3 Ron与VIN关系

2.  注入电荷

应用机械开关我们当然希望Ron越低越好,因为低阻可以降低信号的损耗。然而对于模拟开关而言,低Ron并非适用于所有的应用,较低的Ron需要占据较大的芯片面积,从而产生较大的输入电容,在每个开关周期其充电和放电过程会消耗更多的电流。时间常数t=RC,充电时间取决于负载电阻(R)和电容(C),一般持续几十纳秒。这说明低Ron具有更长的导通和关断时间。为此,选择模拟开关应该综合权衡Ron和注入电荷。

3. 开关耐压

当输入信号过低(低于零电势)或者过高(高于电源电压)时,MOSFET处于反向偏置,当电压达到某一值时(超出限值0.3V),此时开关无法正常工作,甚至损坏。因此模拟开关在应用中,一定要注意输入信号不可超出规定的范围。

图四是一音响设备前端放大及信号选通部分电路,其中使用了四通道运算放大器和双通道模拟开关:

图片

图4 音响前端放大及信号选通电路

该方案设计本意是当Input=0时,Line_outL和Line_outR音频信号选通。当Input=1时,Phone_outL和Phone_outR音频信号选通。然而当实验机做出后,发现当Input=1时,Line_outL和Line_outR通道有相当一部分信号分别漏到D1和D2端。用网络分析仪测试模拟开关的关断隔离度,当输入信号为10kHz时,开关的关断隔离度为-120dB,因此芯片应该没有问题。

事实上,该电路在模拟开关应用上存在下面两处错误:

1. 模拟开关的输入信号缺少一个直流偏置

模拟开关部分电路可以等效成图五,CMOS工艺的模拟开关输入信号最小只能到-0.3V,如果再低于这个值,芯片将不能正常工作,甚至会损坏。图四中模拟开关输入信号没有直流偏置,所以输入信号有一部分处于负值区,模拟开关自然无法正常工作。

图片

图5 模拟开关等效电路

解决办法:将电容C2、C3均去掉,模拟开关输入信号便有了1/2VDC的直流偏置信号,此时模拟开关便可以轨到轨工作。

2. 在D1和D2端缺少耦合电阻

当模拟开关在断开的情况下,其输入与输出端等效串联了一个电容C,如果再假设在模拟开关输出端到地之间有一个等效电阻R,则模拟开关在断开时的等效电路如图六所示。

图片

图6 模拟开关断开时等效电路

此时的模拟开关其实等效为一个RC滤波电路,由此不难得出以下公式:

图片

其中,Uout为模拟开关输出信号,Uin为模拟开关输入信号,R为模拟开关输出端电阻负载,C为模拟开关断开时等效电容,f为输入信号频率。

由于模拟开关等效电容C会设计成很小,所以当输入信号f处于音频区时,增益A由R和f同时决定。当R取值较小时,f起主导作用,此时A<<1,信号被有效隔离。当R取值较大时,此时R起主导作用,此时A—>1,信号几乎被完全泄漏过来。所以当输出端悬空时,其输出端与地之间电阻R—>+∞,此时模拟开关完全导通。

修正以上两个错误后,该音频应用电路便可以正常工作了。由以上实例可以看出,充分理解模拟开关的基本概念是正确应用模拟开关的基础。

AW模拟开关介绍

艾为电子致力于为客户提供更好的解决方案,拥有以下模拟开关产品可供选择:

图片

其中AW35301STR是一个单路单刀双掷模拟开关,导通电阻3Ω,带宽400MHz,采用SOT363-6L封装,可用于音频路由、选波、斩波、调制与解调等应用。

AW35321QNR采用绿色环保的小体积QFN 1.8mm * 1.4mm * 0.55mm – 10L封装。0.5Ω(典型值)超低导通电阻以及只需要单电源供电即可支持负摆幅信号的特性使其非常适合应用于音频领域该封装占板面积小,非常适用于手机、PAD、超薄本等内部空间紧凑的电子设备。

更多精彩内容详见

https://www.awinic.com

评论
添加红包

请填写红包祝福语或标题

红包个数最小为10个

红包金额最低5元

当前余额3.43前往充值 >
需支付:10.00
成就一亿技术人!
领取后你会自动成为博主和红包主的粉丝 规则
hope_wisdom
发出的红包
实付
使用余额支付
点击重新获取
扫码支付
钱包余额 0

抵扣说明:

1.余额是钱包充值的虚拟货币,按照1:1的比例进行支付金额的抵扣。
2.余额无法直接购买下载,可以购买VIP、付费专栏及课程。

余额充值