AGM更新发布了最新的AG32VH407RCT6,数据手册也做了相应的更新。有项目设计需求,可以申请样品。
以下是AG32的选型与资源列表。

AG32VH407RCT6 一个芯片,内置了AG32 MCU + FPGA + PSRAM,可以应用在需求大容量RAM的场合。
以下是器件的内部架构。

引脚定义参考下图:


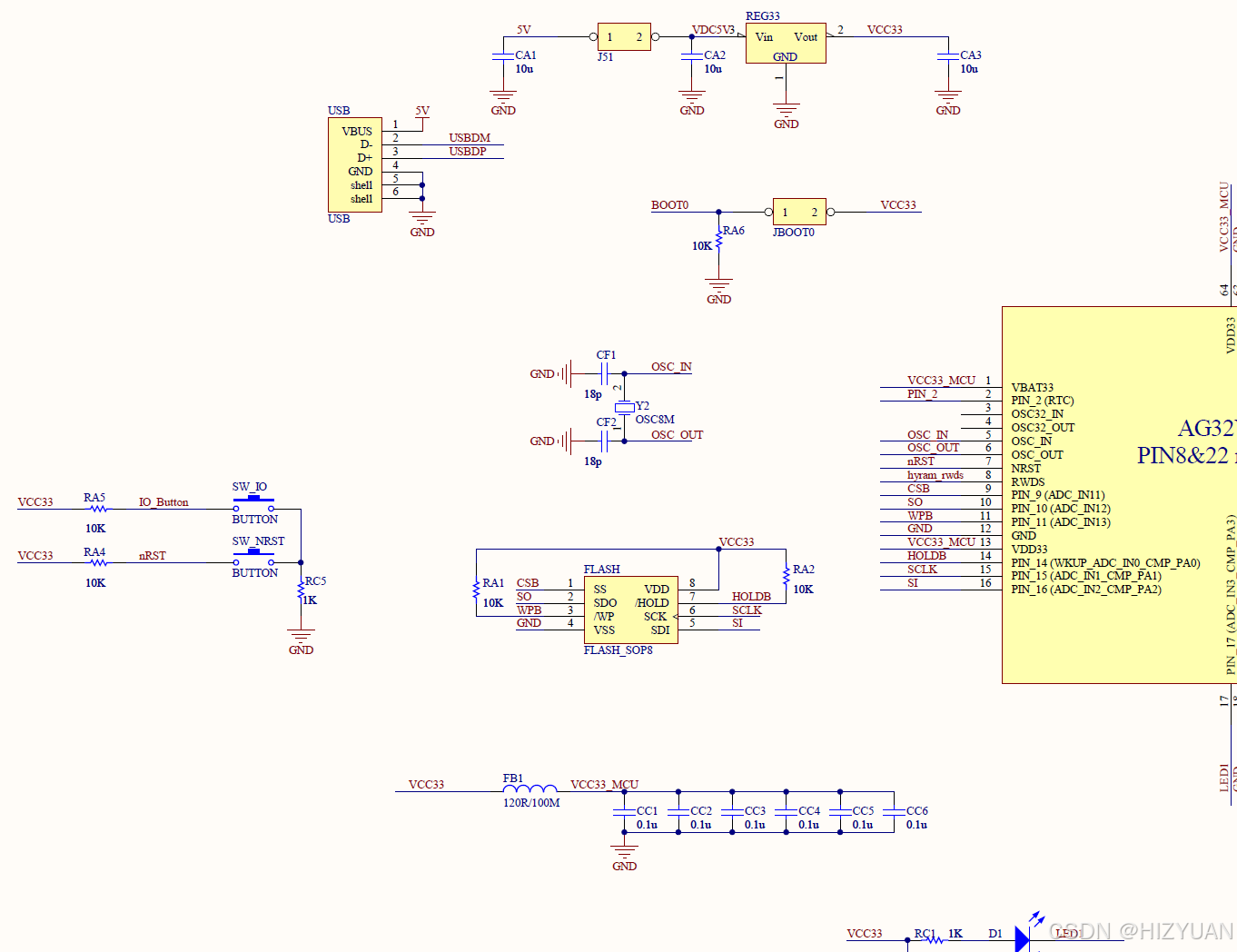
为了方便用户设计,我们提供参考设计原理图。


1、AG32具备最高248MHz时钟频率,拥有丰富的外设,包括五个UART、两个I2C、支持USB、CAN和SPI通道等丰富的外围模块,以其高速的指令执行速度、方便的JTAG调试方式和低功耗等特性为数据采集与处理的设计提供了一个较为完善的平台。
2、AG32拥有3x12位最多3M SPS的ADC(17个通道),和2个DAC,并且提供两个双通道比较器。
3、AG32初始与STM32管脚兼容,但可以通过配置文件全部灵活重定义,给内核中的MCU和CPLD使用,因此可提供超出STM32的GPIO口数量。
4、AG32的MCU和CPLD通过芯片内部AHB总线高速通信,速度远超传统SPI。

7007

被折叠的 条评论
为什么被折叠?



