终于搞全了:GPIO/ADC/LED/I2C/SPI/USB…

一、ADC接口设计指导

Air780E模组(LuatOS版本)支持2路通用ADC接口,管脚分布如下:

Image

ADC接口主要特性:

- 分辨率:12bit
- 量程:0~1.1V
- 时钟频率(fc):1.625MHz~6.5MHz
- 采样频率:fc / 16
- 积分非线性:+-1.2mV
- 微分非线性:+-0.3mV
- 功耗:400μA
- ADC分压模式:ADC管脚可设置为外部分压模式、内部分压模式。

▼ 外部分压模式 ▼

此模式下ADC管为直通模式,量程0~1.1V。此模式下如果想要增加测量量程,可以采用外部电阻分压的方式。

Image

Image

▼ 内部分压模式 ▼

此模式下可以配置内部的分压电阻,但内部的电阻分压只有固定几组组合。

注意:在内部分压模式下,不建议再加外部的分压。

Image

二、指示灯设计指导

状态指示灯功能仅在Air780E AT版本支持,作为网络状态指示灯使用;而对于LuatOS版本,此管脚仅作通用GPIO管脚使用。

Image

网络指示灯功能逻辑: 

Image

注意:网络指示灯为AGPIO类型管脚,在休眠时可以保持电平。

网路指示灯参考设计:

Image

三、I2C接口设计指导

Air780E模组支持1路通用I2C接口(仅LuatOS版本支持),可以连接各类I2C外设。

Image

I2C接口特性:

- 支持主/从模式
- 三种速率:100KHz/ 400KHz/1MHz
- 支持16B FIFO
- 支持DMA模式

注意:I2C接口为普通IO类型接口,在模组休眠状态下会掉电。 

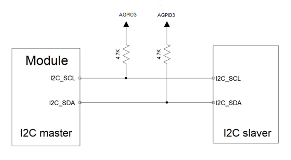
I2C参考设计:

Image

四、SPI接口设计指导

Air780E支持一路标准4线SPI接口:

Image

SPI接口特性:

- 支持主从模式
- 最大时钟频率:25.6MHz
- 独立的发送和接收FIFO
- 支持DMA模式

五、USB接口设计指导

Air780E支持1路USB2.0接口,支持下载、调试,以及RNDIS数传。

Image

USB接口特性:

-支持USB2.0
-支持快速(12Mbps);高速(480Mbps)模式。 

USB接口参考设计:

Image

设计注意事项:

  • USB走线需要严格按照差分线控制,做到平行和等长;

  • USB走线的阻抗需要控制到差分90欧姆;

  • 需要尽可能的减少USB走线的短桩线stub,减少信号反射;USB信号的测试点最好直接放在走线上以减少短桩线stub;

  • 尽可能的减少USB走线的过孔数量;

  • 在靠近USB连接器或者测试点的地方添加TVS保护管,由于USB的速率较高,需要注意TVS管的选型,保证选用的TVS保护管的寄生电容小于1pF;

  • VBUS作为USB插入唤醒作用,并不直接参与USB插入检测,非必须,在不需要USB插入唤醒的场景也可以不接。

评论
添加红包

请填写红包祝福语或标题

红包个数最小为10个

红包金额最低5元

当前余额3.43前往充值 >
需支付:10.00
成就一亿技术人!
领取后你会自动成为博主和红包主的粉丝 规则
hope_wisdom
发出的红包
实付
使用余额支付
点击重新获取
扫码支付
钱包余额 0

抵扣说明:

1.余额是钱包充值的虚拟货币,按照1:1的比例进行支付金额的抵扣。
2.余额无法直接购买下载,可以购买VIP、付费专栏及课程。

余额充值