在单片机的世界里,中断系统(Interrupt System)如同一套高效的应急响应机制,它能够在关键时刻迅速响应外部或内部事件,确保单片机能够及时处理重要任务,从而提高系统的响应速度和稳定性。本文将带你深入中断系统的核心,解析其工作原理,探讨配置技巧,并通过实际应用案例,展示中断系统在单片机系统中的强大功能和广泛应用。
一、中断系统:应急响应的核心
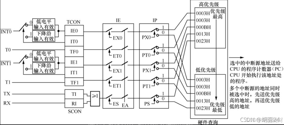
中断系统是单片机内部的一个重要组成部分,它能够在单片机执行主程序的过程中,根据外部或内部事件的需求,暂时中断当前程序的执行,转而执行一段特定的中断服务程序(Interrupt Service Routine, ISR),处理完中断事件后再返回到原程序继续执行。这种机制使得单片机能够同时处理多个任务,提高了系统的效率和灵活性。
-
工作原理:中断系统的工作原理基于优先级和中断向量表。当发生中断事件时,单片机会根据中断优先级和中断向量表,跳转到对应的中断服务程序进行处理。处理完成后,再返回到被中断的程序继续执行。
-
中断类型:中断类型包括外部中断(如按键按下、外部信号触发等)和内部中断(如定时器溢出、串口接收数据等)。每种中断类型都有其特定的触发条件和优先级。
二、中断系统配置:应急响应的准备
要充分利用中断系统的优势,合理配置中断系统至关重要。以下是中断系统配置的一些关键步骤和注意事项:
-
中断优先级设置:在单片机中,不同的中断源可能有不同的优先级。通过配置中断优先级,可以确保在发生多个中断事件时,系统能够按照预设的优先级顺序进行处理。
-
中断向量表配置:中断向量表是单片机内部的一张表,用于存储每个中断服务程序的入口地址。正确配置中断向量表,可以确保中断事件发生时,系统能够准确地跳转到对应的中断服务程序进行处理。
-
中断触发条件设置:不同的中断源有不同的触发条件,如边沿触发、电平触发等。通过配置中断触发条件,可以确保中断系统能够准确地识别和处理外部或内部事件。
-
中断使能控制:在单片机中,每个中断源都可以单独使能或禁止。通过控制中断使能,可以灵活地启用或禁用特定的中断源,以适应不同的应用场景。
三、中断系统应用:应急响应的实践
中断系统在单片机系统中的应用广泛,从简单的按键处理到复杂的串口通信,都离不开中断系统的支持。以下是一些典型的应用实例:
-
按键处理:在嵌入式系统中,按键处理是一个常见的应用场景。通过配置外部中断,可以在按键按下时触发中断,从而实现对按键事件的及时处理。这种机制不仅提高了系统的响应速度,还避免了轮询方式带来的资源浪费。
-
定时器中断:定时器中断是单片机中常用的另一种中断类型。通过配置定时器中断,可以在定时器溢出时触发中断,从而实现对时间的精确控制。例如,在LED闪烁控制中,可以利用定时器中断来实现LED灯的周期性闪烁。
-
串口通信:串口通信是单片机与外部设备进行数据传输的一种常用方式。在串口通信中,中断系统扮演着重要的角色。当串口接收到数据时,会触发接收中断;当串口发送数据时,会触发发送中断。通过配置串口中断,可以实现数据的实时接收和发送,提高了通信的效率和可靠性。
四、中断系统应用中的注意事项
在使用中断系统时,需要注意以下几点,以确保系统的稳定性和可靠性:
-
中断优先级冲突:在配置中断优先级时,需要避免优先级冲突。如果多个中断源的优先级相同,当它们同时发生时,系统可能无法按照预期的顺序处理这些中断事件。
-
中断服务程序的设计:中断服务程序的设计需要简洁明了,避免在中断服务程序中执行复杂的操作或调用其他可能引发中断的函数。这样可以确保中断系统能够及时响应和处理中断事件。
-
中断嵌套的处理:在一些单片机中,支持中断嵌套的功能。当发生中断嵌套时,需要确保系统能够正确地保存和恢复现场信息,以避免出现错误或异常。
-
中断资源的合理分配:在单片机系统中,中断资源是有限的。因此,在配置和使用中断时,需要合理分配中断资源,避免不必要的浪费和冲突。
五、结语:应急响应机制的无限可能
中断系统作为单片机系统中的核心组成部分之一,其灵活性和功能性为嵌入式系统的设计和实现提供了强大的支持。通过深入理解中断系统的工作原理和配置技巧,并结合实际应用场景进行实践演练,我们可以充分发挥中断系统的潜力,创造出更加高效、稳定的控制系统。希望本文能为你提供一份有价值的中断系统学习指南,助你在单片机技术的道路上越走越远。


141

被折叠的 条评论
为什么被折叠?



