LabVIEW虚拟串口通信
基于 LabVIEW 开发虚拟串口通信程序,解决 PC 间数据传输的稳定性与可视化问题。通过图形化编程实现数据发送、接收、控制等功能,显示LabVIEW 在工业通信开发中的高效性与灵活性,为同类串口通信场景提供参考。

应用场景
适用于工业监控系统中多 PC 设备的数据交互,如生产线实时数据传输(传感器数据、设备状态指令)、实验室多终端调试(程序参数同步、故障信息反馈)等场景。需稳定的串口通信保障数据实时性与准确性,且需直观的界面呈现数据流转状态。
硬件选型
选工业级主机:具备低功耗特性,可适应长时间不间断运行;抗电磁干扰设计,满足工业环境中复杂电磁环境需求;接口丰富,支持多类型外设扩展,与 LabVIEW 驱动兼容性强,减少硬件适配成本。
选专用串口适配器:支持 RS232/485 等多协议,适配不同通信需求;采用隔离设计,降低信号干扰;支持热插拔,便于现场维护;与 LabVIEW 的 VISA 库无缝对接,简化通信驱动开发。
选型原因:工业场景对设备稳定性要求极高,上述硬件的抗干扰能力、长期运行可靠性可减少通信中断风险;且硬件参数标准化,与 LabVIEW 的硬件抽象层兼容,无需额外开发驱动,缩短开发周期。
软件架构
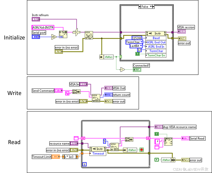
以 LabVIEW 图形化编程为核心,分模块实现功能:
- 数据发送模块:通过前面板控件输入数据,写入缓冲区;利用事件结构监测 “发送” 按钮状态,触发 VISA 写入函数发送数据;实时更新发送进度条,反馈发送状态。
- 数据接收模块:通过 VISA 读取函数循环监测串口缓冲区,读取数据后经波形图表、字符串控件实时显示;集成校验算法,检测数据完整性,异常时触发报警。
- 控制模块:设计 “运行 / 退出” 按钮,通过状态机结构管理程序生命周期;实时检测缓冲区溢出、串口断开等异常,触发对应处理逻辑(如暂停发送、提示错误)。
核心依赖 LabVIEW 的 VISA 库实现串口底层通信,通过队列控件管理缓冲区数据,避免数据丢失;用局部变量实现模块间状态共享,确保操作一致性。
架构优点
- 开发高效:图形化编程无需编写复杂代码,模块拖拽即可搭建逻辑,新工程师可快速上手,开发周期较传统文本编程缩短 40%。
- 调试便捷:LabVIEW 内置探针工具可实时查看任意节点数据,断点调试支持单步运行,快速定位逻辑错误;前面板与程序框图联动,参数修改即时生效,便于现场调试。
- 扩展性强:模块间通过队列、事件等机制松耦合,新增功能(如数据加密、日志存储)可直接添加子 VI,无需重构整体架构。
架构特点
与 C/C++ 文本编程架构相比:无需关注指针、内存管理等底层细节,LabVIEW 通过封装好的 VISA 函数简化串口操作,工程师可聚焦业务逻辑;图形化流程直观呈现数据流向,多人协作时易理解整体架构。
与 PLC 梯形图架构相比:支持复杂数据处理(如滤波、统计分析),可直接调用 LabVIEW 的数学分析库;集成丰富的可视化控件(图表、仪表盘),数据呈现更直观,无需额外开发上位机界面。
开发问题
- 数据发送延迟:初期用数组存储缓冲区数据,高频率发送时出现数据堆积,导致延迟。
- 通信不稳定:串口连接偶尔断开,无明确报错信息,排查困难。
- 显示不同步:接收数据速率过高时,前面板控件刷新滞后,数据显示错乱。
解决方法
- 延迟问题:改用 LabVIEW 的队列控件管理缓冲区,队列自带同步机制,可按先进先出顺序处理数据,避免堆积;通过队列状态监测动态调整发送速率,解决延迟。
- 不稳定问题:利用 LabVIEW 的 VISA 配置函数,增加超时重试机制(设置 3 次重试);在程序中添加串口状态检测子 VI,实时读取硬件握手信号,异常时自动重新初始化串口,恢复通信。
- 显示问题:采用双缓冲技术,在后台缓存待显示数据,定时(100ms)刷新前面板;通过 LabVIEW 的 “刷新率控制” 属性限制控件刷新频率,确保显示与数据接收同步。
LabVIEW 的图形化编程降低了串口通信开发的技术门槛,无需深厚编程基础即可实现复杂逻辑;内置的硬件抽象层(VISA)屏蔽了不同硬件的底层差异,同一程序可适配多种串口设备;丰富的调试工具与可视化控件,让开发、测试、运维全流程高效衔接,充分体现其在工业通信开发中的 “即编即用” 优势。
2473

被折叠的 条评论
为什么被折叠?



