ovp两个重要性是,一是过压保护,二是输入可抗耐压30V起,达到36V,40V左右,
随着电子产品的更新换代,以往电子产品的功率一般都偏低,同时电压也低,例如手机充电器,以为是5V500mA或者是万能充直接对电池充电,再到苹果的5V1A,再到5V2A,再到快充5V4.5A,再到9V2A,12V,20V等等,充电器的电压也越来越丰富。
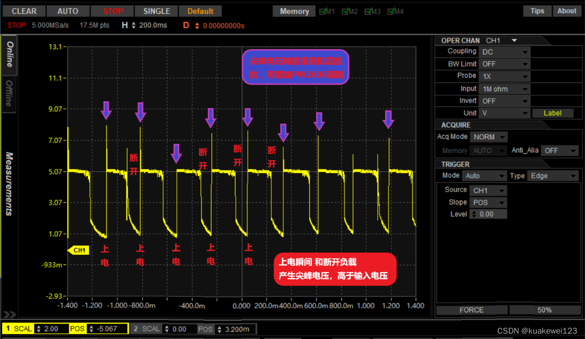
电路在上电时,上电的瞬间,常常会产生一个很高的尖峰电压 。降低尖峰幅度的方法一般是线路阻抗(电阻,缺点只能用在很小电流)和电容的等效串联电阻(电解电容,缺点体积大,高度大)或者加OVP过压保护芯片PW2606或PW1515系列。
如下图,USB口5V输入,因为是上电瞬间产生,万用表,人眼等常规仪器测量不到,使用示波器,设置100毫秒,针头接输入的+,架子接GND,可以得到如下图的波形。从下图可看到,5V上电瞬间的尖峰电压可达到8V左右,甚至更高等,对于一些耐压低的芯片,容易因为瞬间过压打坏了芯片,;例如工厂大批量生产的产品中,一直有不是很高的不良率,这个也是可能的一个原因。

下图是200毫秒为一格的检测时间,输入5V,上电和断开重复拔插USB的波形,产生的尖峰电压也可以看到是时低时高的无规律尖峰电压,一般尖峰电压的特点是:1,是在上电瞬间产生,2,一般尖峰电压为输入电压的2-3倍左右,加好的陶瓷电容的话可以降低在1倍左右

快充高压充电器的普及,国外客户也越来越多要求USB口能耐28V起电压,5V输入产品过压保护6.1V能保护关闭,如蓝牙耳机,音箱,电动牙刷,台灯,充电宝,磁吸线,电子工具等产品。
PW2606/PW2606B是前端过电压和过电流保护设备。它实现了2.5V至40V的宽输入电压范围。过压阈值固定内部OVP阈值: 6.1V。例如加在充电芯片4054,4056等,如下图


OVP过压保护芯片,过流保护芯片,带OVP过压保护的锂电池充电芯片

USB Type-C PD或者USB A口的QC快充 充电器控制器的短路风险也高,因为器件直接连接 CC 引脚并且设计最高运行电压为 5 V。由于在 USB PD 期间,PD 控制器负责协调充电器和被充电装置之间的最大电流和电压电平,因此保护好这些器件非常重要。PD 控制器损坏引起的 USB PD 异常运行,特别是一些低质量便宜的PD充电器使用的低成本PD控制器时,可能成为安全隐患,输出高电压,对于未有足够耐压保护的电子产品,一旦连接充电时,可能造成损坏产品。
OVP过压保护芯片目前国内应用领域最多的一个产品,是一颗跟大家生活息息相关的。
那就是蓝牙耳机。


随着电子产品功率和电压的提升,过压保护变得至关重要。文章介绍了OVP过压保护IC如何应对快充设备中可能出现的尖峰电压,特别是针对5V输入产品的保护,如蓝牙耳机、音箱等。PW2606/PW2606B等芯片提供前端过电压和过电流保护,防止USB PD和QC快充控制器因短路或低质量器件导致的安全隐患,确保用户设备的安全。

3191

被折叠的 条评论
为什么被折叠?



