摘 要:
本文从硬件和软件两方面介绍了MCS-51单片机温度控制系统的设计思路,对硬件原理图和程序框图作了简捷的描述。
关键词:MCS-51单片机;温度;软硬件;硬件原理图;程序框图;设计
更多单片机毕业设计项目,请点击查看
0引言
在现代化的工业生产中,电流、电压、温度、压力、流量、流速和开关量都是常用的主要被控参数。例如:在冶金工业、化工生产、电力工程、造纸行业、机械制造和食品加工等诸多领域中,人们都需要对各类加热炉、热处理炉、反应炉和锅炉中的温度进行检测和控制。采用MCS-51单片机来对温度进行控制,不仅具有控制方便、组态简单和灵活性大等优点,而且可以大幅度提高被控温度的技术指标,从而能够大大提高产品的质量和数量。因此,单片机对温度的控制问题是一个工业生产中经常会遇到的问题。本文以它为例进行介绍,希望能收到举一反三和触类旁通的效果。
1硬件电路设计
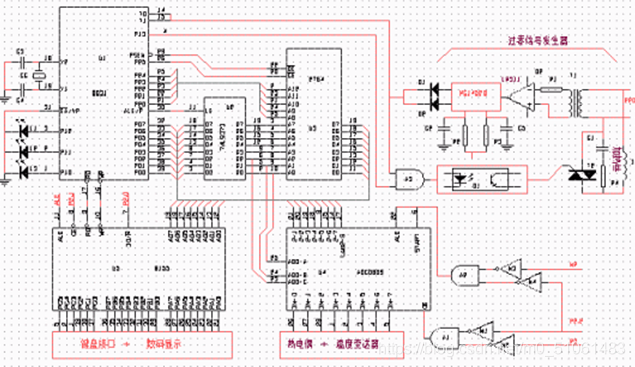
以热电偶为检测元件的单片机温度控制系统电路原理图如图1所示。
1.1 温度检测和变送器
温度检测元件和变送器的类型选择与被控温度的范围和精度等级有关。镍铬/镍铝热电偶适用于0℃-1000℃的温度检测范围,相应输出电压为0mV-41.32mV。
变送器由毫伏变送器和电流/电压变送器组成:毫伏变送器用于把热电偶输出的0mV-41.32mV变换成4mA-20mA的电流;电流/电压变送器用于把毫伏变送器输出的4mA-20mA电流变换成0-5V的电压。
为了提高测量精度,变送器可以进行零点迁移。例如:若温度测量范围为500℃-1000℃,则热电偶输出为20.6mV-41.32mV,毫伏变送器零点迁移后输出4mA-20mA范围电流。这样,采用8位A/D转换器就可使量化温度达到1.96℃以内。
1.2接口电路
接口电路采用MCS-51系列单片机8031,外围扩展并行接口8155,程序存储器EPROM2764,模数转换器ADC0809等芯片。
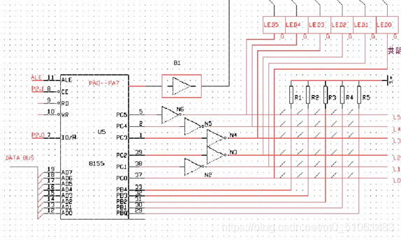
8155用作键盘/LED显示器接口电路。图2中键盘有30个按键,分成六行(L0-L5)五列(R0-R4),只要某键被按下,相应的行线和列线才会接通。图中30个按键分三类:一是数字键0-9,共10个;二是功能键18个;三是剩余两个键,可定义或设置成复位键等。为了减少硬件开销,提高系统可靠性和降低成本,采用动态扫描显示。A口和所有LED的八段引线相连,各LED的控制端G和8155C口相连,故A口为字形口,C口为字位口,8031可以通过C口控制LED是否点亮,通过A口显示字符。

图1 单片机温度控制系统电路原理图

图2 8155用作键盘/LED显示器接口电路
2764是8K EPROM型器件。8031的PSEN和2764的OE相连,P2.5和CE相连,所以2764的地址空间为:0000H—1FFFH,ADC0809的0通道(IN0 其他输入端可作备用)和变送器的输出端相连,所以从通道0(IN0)上输入的0V–+5V范围的模拟电压经A/D转换后可由8031通过程序从P0口输入到它的内部RAM单元,在P2.2=0和WR=0时,8031可使ALE和START变为高电平而启动ADC0809工作;在P2.2=0和RD=0时,8031可以从ADC0809接收A/D转换后的数字量。也就是说ADC0809可以视为8031的一个外部RAM单元,地址为03F8H(地址重复范围很大),因此,8031执行如下程序可以启动ADC0809工作。
1.3温度控制电路
8031对温度的控制是通过双向可控硅实现的。如图一所示,双向可控硅管和加热丝串接在交流220V、50Hz市电回路。在给定周期T内,8031只要改变可控硅管的接通时间即可改变加热丝的功率,以达到调节温度的目的。
可控硅接通时间可以通过可控硅控制极上触发脉冲控制。该触发脉冲由8031用软件在P1.3引脚上产生,在过零同步脉冲同步后经光电耦合管和驱动器输出送到可控硅的控制极上。
3. 温度控制的算法和程序框图

3.1温度控制算法
通常,电阻炉炉温控制都采用偏差控制法。偏差控制的原理是先求出实测炉温对所需炉温的偏差值,然后对偏差值处理获得控制信号去调节电阻炉的加热功率,以实现对炉温的控制。在工业上,偏差控制又称PID控制,
全套资料免费下载:
关注v-x-公-众-号:【嵌入式基地】
后-台-回-复:【毕业设计】 即可获资料
回复【编程】即可获取
包括有:C、C++、C#、JAVA、Python、JavaScript、PHP、数据库、微信小程序、人工智能、嵌入式、Linux、Unix、QT、物联网、算法导论、大数据等资料

2924

被折叠的 条评论
为什么被折叠?



