目录
故障现象
pcie模块插入到单板上电时,模块自身会复位,同时导致host复位。这是和电源强相关的常见问题。
此前我们遇到电源设计时,由于选用的芯片支持的电流上限较小,导致其后的4T NVME盘上电异常问题,了解到单板设计中,从电源输入到终端设备整条链路上电源相关芯片能力值的问题。
此次我们了解瞬态响应。
基本概念
瞬态响应是衡量电源系统在负载电流突然变化时,维持输出电压稳定的能力。它反映了电源对动态负载的适应速度,是电源设计的关键指标之一。
-
触发条件:当负载电流发生阶跃变化(如突然增大或减小)时,电源输出电压会短暂偏离设定值,随后逐渐恢复稳定。
-
关键参数:
-
电压跌落(Voltage Sag):负载突增时,输出电压的瞬时下降值。
-
电压过冲(Voltage Overshoot):负载突减时,输出电压的瞬时上升值。
-
恢复时间(Settling Time):电压恢复到稳定范围(如±1%)所需的时间。
-
过程示例
-
触发点:当负载电流突然增大(如从2A→7.5A),输出电压会因电源响应延迟而瞬间下降。
-
跌落幅度:最低点与标称电压的差值(如图中从12V跌至11.6V,跌落0.4V)。
-
恢复过程:控制环路调整后,电压逐渐回升至稳定值。
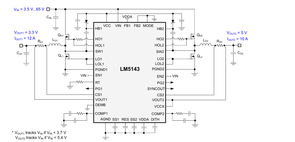
设计示例
我们采用类似如下DC-DC 转换芯片,将输入电压转换为12V电压
DC-DC是 直流-直流转换(Direct Current to Direct Current Conversion) 的缩写,指将一种直流(DC)电压转换为另一种直流电压的电源电路或器件。

并联8个22μF电容的具体能力

最低0.47元/天 解锁文章
4903

被折叠的 条评论
为什么被折叠?



