单片机型号(STC89C52)
目录
一、摘要
二、设计要求
三、原理图
四、说明书预览
五、QA
作者简介:电类领域优质创作者、多年架构师设计经验、多年校企合作经验,被多个学校常年聘为校外企业导师,指导学生毕业设计并参与学生毕业答辩指导,有较为丰富的相关经验。期待与各位高校教师、企业讲师以及同行交流合作
主要内容:人工智能与大数据、单片机/PLC开发、Matlab物联网设计与开发设计、学习资料、面试题库、技术互助、就业指导等
业务范围:指导功能设计、开题报告、任务书、文献综述、系统功能实现、代码编写、论文编写和辅导、论文降重、长期答辩答疑辅导、腾讯会议一对一专业讲解辅导答辩、模拟答辩演练、和理解代码逻辑思路等。
收藏点赞关注作者
一、摘要
近年来,随着工业4.0与智慧物流时代的到来,汽车智能化升级也成为其必然趋势。根据预先设定的模式,智能循迹小车可以借助各类技术比如自动控制、传感器技术等自动循迹导航。设计主要思想是通过红外反射模块对黑色吸光物体的检测,实现循迹功能,为此方案具有可行性。此次在小车进行设计之时,选择的单片机、循迹模块分别为STC89C52RC单片机、TCRT5000传感器,前者为其控制核心,后者能够通过对路面中的黑色引导线进行识别,并转换采集的信号,输出数字信号,供单片机识别。同时,此次还借助L298N芯片得到了所需的直流电机。在软件上,主要利用定时器单元实现速度测量,利用单片机的按键程序实现循迹小车的启停,利用小车控制程序实现小车的转向、前进控制、设计LCD显示程序实现里程、速度显示功能。 通过设计电路完成实物的焊接,并通过硬件调试和软件调试实现了小车的正常运行,小车经过调试后可以完整运行,实现了小车的有效循迹,循迹成功率达到了100%,运行最大速度实现了10mm/s,里程测量精度达到了1mm。测量结果在误差范围内,达到设计要求。设计的电路结构简单,容易实现,可靠性高。在工业、军事领域中具有较高的参考价值。
关键词:循迹小车;单片机;光电传感器;测速码盘
二、设计要求
此处选择STC89C52RC作为循迹小车的单片机,同时由锂电池作为电源经7805稳压芯片对系统供电。借助红外传感器来检测轨道信息,并向控制系统反馈这类信息。根据单片机内设程序来处理信号,借助驱动电路来调节和控制电动机的转动,从而令小车自主循迹目标得以实现,最终由测量传感器对小车进行速度与路程的测量。图1显示了系统功能结构的具体情况。

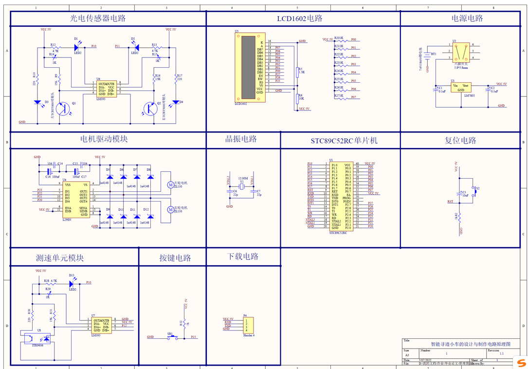
三、原理图

四、说明书预览(15600字)


五、如果学弟学妹们在毕设方面有任何问题,随时可以私信我咨询哦,有问必答!学长专注于单片机相关的知识,可以解决单片机设计、嵌入式系统、编程和硬件等方面的难题。愿毕业生有力,陪迷茫着前行!
通过网盘分享的文件:资料.rar
链接: https://pan.baidu.com/s/1oAaq4r_ZbdVjRvQsAA8r5g 提取码: BYSJ

286

被折叠的 条评论
为什么被折叠?



