测试流程
整体流程如下:
需求评审(功能需求、性能需求、接口需求)
测试计划
测试用例
用例评审
测试环境搭建(平台、架构、web服务器、数据库)
执行用例
缺陷记录
缺陷跟踪和回归测试
测试报告
测试计划
测试计划:描述了要进行的测试活动的范围、方法、资源和进度的文档,它确定测试项、被测特性、测试任务、谁执行任务、各种可能的风险。测试计划可以有效预防计划的风险,保障计划的顺利实施
内容:
项目背景
测试的参考文档、测试的交付文档
测试目标、测试范围、测试环境、测试工具、测试策略、测试风险
人力资源的分配、工作量的估算
测试时间、进度安排、任务分配、培训计划等。

测试用例
测试用例:测试用例是为某个特殊目标而编制的一组测试输入、执行条件以及预期结果,用于核实是否满足某个特定软件需求
内容:
用例编号
测试模块
用例标题
重要级别
预置条件
操作步骤
预期结果

缺陷记录
缺陷内容:所属项目,影响版本,bug类型,bug标题,严重程度,优先级,重现步骤,创建人,创建日期,指派人,截至日期
bug类型:代码错误(BUG),需求变更,设计缺陷,性能问题,配置相关,安装部署等
严重程度:①级Bug(致命错误),②级Bug(严重错误)③级Bug(一般错误)④级Bug(易用性、建议性)
优先级:①级(紧急),②级(高),③级(中),④级(低)
重现步骤:步骤,结果,期望,截图

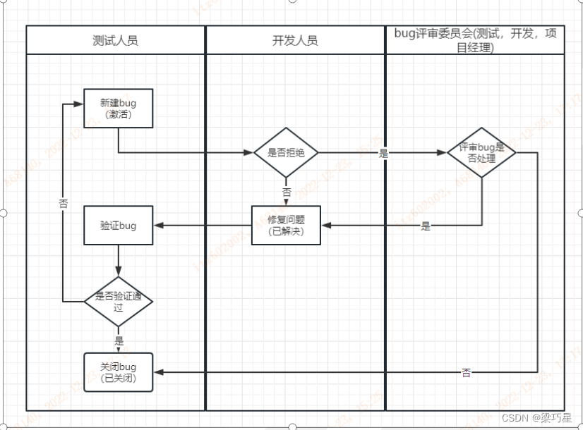
缺陷跟踪
缺陷状态:
激活
已解决
已关闭

测试报告
测试报告:测试报告是测试阶段最后的文档产出物,把测试的过程和结果形成文档,对发现的问题和缺陷进行分析,为纠正软件的存在的质量问题提供依据,同时为软件验收和交付打下基础
内容:
测试目标
测试依据
测试范围
测试设备及环境
测试时间安排
测试用例设计
测试用例执行
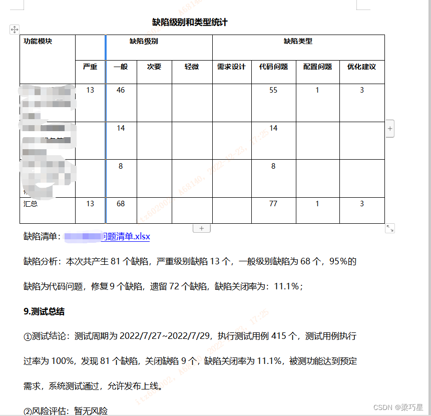
缺陷统计
测试总结(测试结论及风险评估)
实例:



本文详细介绍了测试流程,包括需求评审、测试计划、测试用例设计与评审、测试环境搭建、执行、缺陷管理以及测试报告的编写。测试计划涵盖了项目背景、测试策略和资源分配,而测试用例则涉及各个模块的具体操作步骤和预期结果。缺陷记录和跟踪确保问题得到妥善处理,最终的测试报告总结了整个测试过程和结果。
2万+

被折叠的 条评论
为什么被折叠?



